Правильная Идеология УВ - скажем - полевой буфер-усилитель прямо на каретке ЛПМ, поднимающий сигал до десятков-сотен мВ, а далее усилитель корректор уже на плате.
Архив Форума Hi-Fi.ru
По 23-5-2020
Портал Hi-Fi.ru более не предоставляет возможностей и сервисов по общению пользователей
По 23-5-2020
Портал Hi-Fi.ru более не предоставляет возможностей и сервисов по общению пользователей
Кассетные деки TANDBERG, Описание, ремонт, обмен опытом
|
19-02-2016 04:22:20
|
|
|
|
|
|
04-05-2016 09:37:26
Вот ситуация по моему 3014
1. Спектр на линейном выходе фиксированном 2. Спектр на линейном выходе регулируемом Видно, что после ушного усилителя появляется дикая наводка 100 Гц |
|
|
|
|
|
04-05-2016 09:44:20
Искажения до/после ушника
1. Спектр источника (выход карты Esi Juli) 2. Спектр на выходе фиксированном (до ушника) 3. Спектр на выходе регулируемом (после ушника) Видно, что ушник добавляет 0,0015% искажений и гребень сетевого фона |
|
|
|
|
|
04-05-2016 09:46:45
Ну и стандартно - шумка УВ
1. 120 uS 2. 70 uS Левый канал ершится чего-то по сравнению с правым |
|
|
|
|
|
04-05-2016 14:03:26
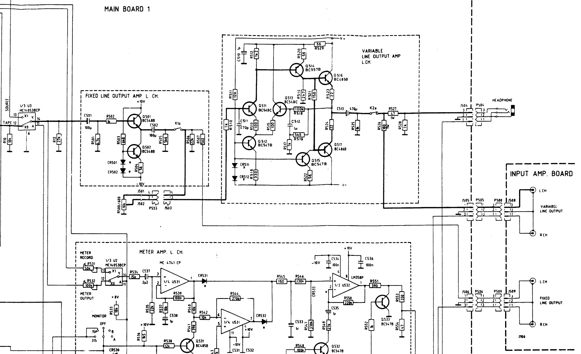
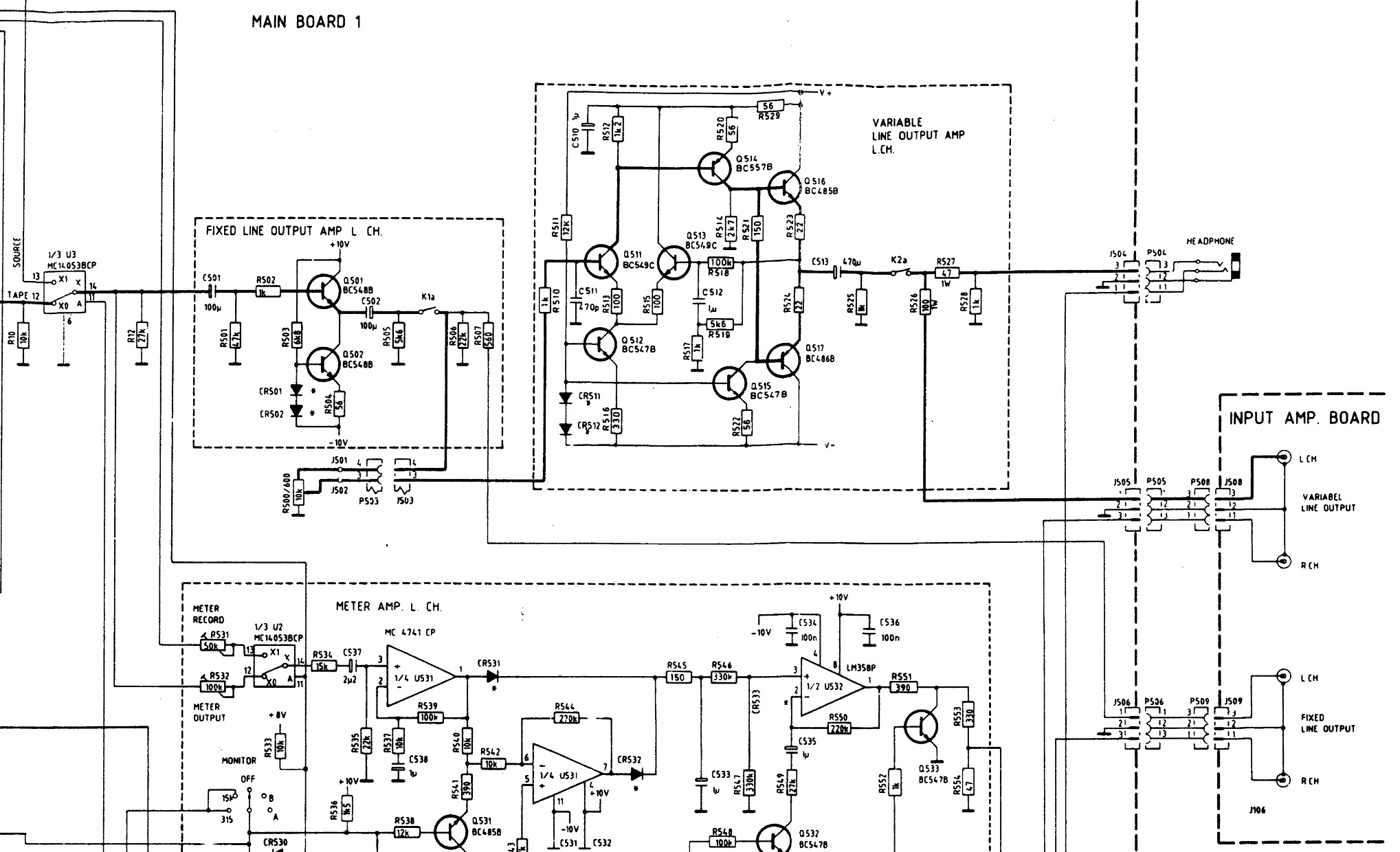
Выходной усилитель в моем экземпляре такой
|
|
|
|
|
|
05-05-2016 02:12:28
Да, у меня левый канал тоже был шумнее правого... Вообще магнитофон довольно шумноват. -46...-47дБ примерно на 1 типе, невзвешщенного.
|
|
|
|
|
|
05-05-2016 15:56:35
Мне, в качестве возврата части долга, предлагают 320-й Тандберг. О нем в ветке нет ничего. Знает кто про этот аппарат? Уровень его какой, если с простыми Наками сравнивать, например? Тандберги только катушечные знаю, с их кассетниками вообще дела не имел никогда.
|
|
|
|
|
|
05-05-2016 16:20:15
Хороший аппарат - упрощенная версия 420 - без внешних регулировок подмагничивания на передней панели
Схемотехника остальная совпадает Есть родовая болезнь - сетевой фон, который лечится перетрассировкой внутри сетевых проводов Сетевой транс расположен близко к звуковым цепям Звучит очень красиво ЛПМ хорош при новых роликах |
||||
|
|
|
|||
Архив Форума Hi-Fi.ru
По 23-5-2020
Портал Hi-Fi.ru более не предоставляет возможностей и сервисов по общению пользователей
По 23-5-2020
Портал Hi-Fi.ru более не предоставляет возможностей и сервисов по общению пользователей
