Архив Форума Hi-Fi.ru
По 23-5-2020
Портал Hi-Fi.ru более не предоставляет возможностей и сервисов по общению пользователей


Страницы: Пред. 1 ... 1009 1010 1011 1012 1013 ... 1099 След.

Деки NAKAMICHI, Настройка и обсуждение (Part 2)

 
 
Да, там основную роль играет именно Z индуктивности, у емкости там будет порядка 200К на 15КГц.
作りましょう!
 
 
Неплохая идея для тюнинга 1000ZXL
смотрится здорово

Порошковая краска или анодирование
 
 
Да могли тупо из баллончика покрасить. Есть такие срециальные  краски для покраски внутри пластиковых корпусов для уменьшения ЭМИ. Пользовался такой, именно медной.
作りましょう!
 
 
Цитата
Mr.Yu написал:
Значит выходит, что на нижнем Т2 все же правильная.
Юр, я же выше написал, что просто усиление другое....
 
 
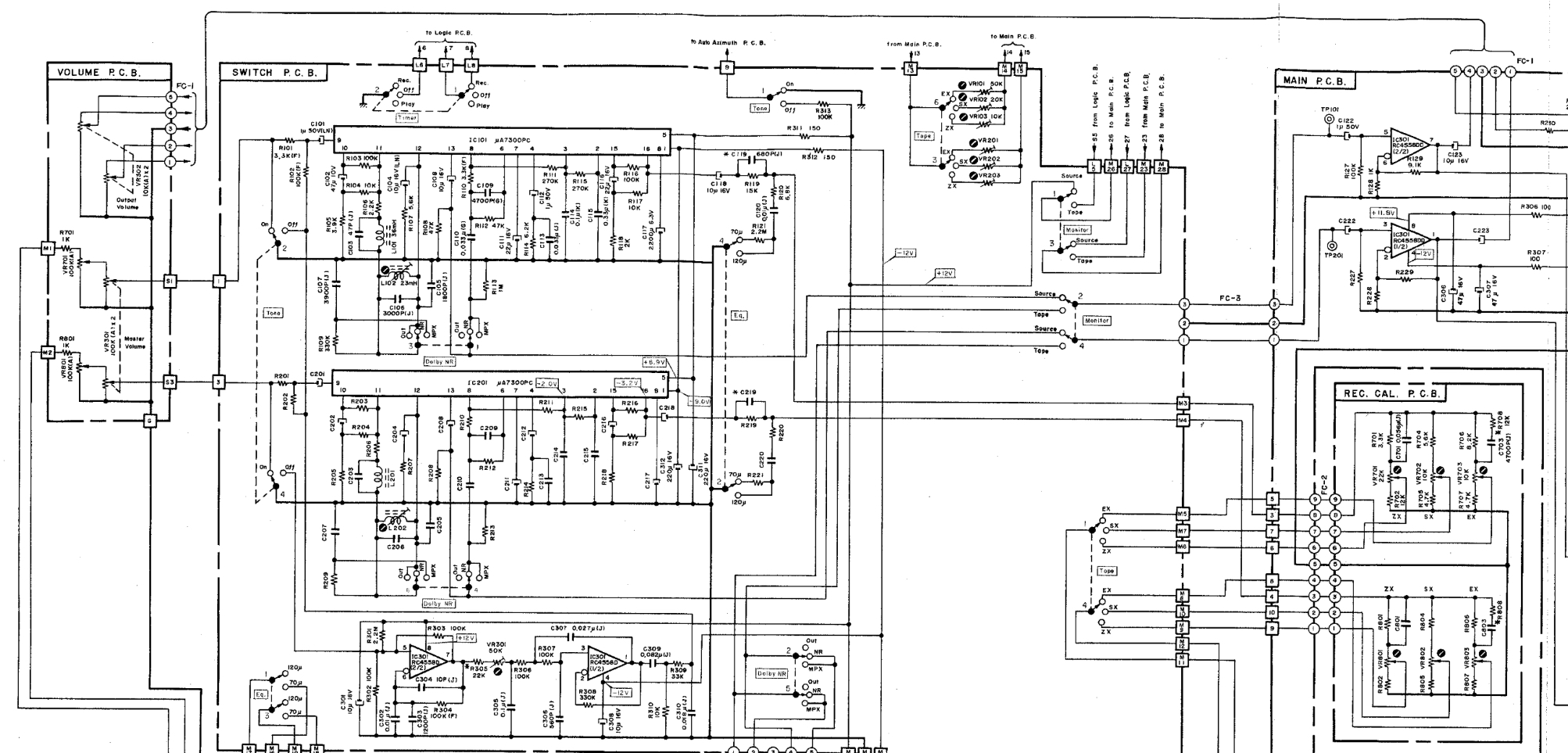
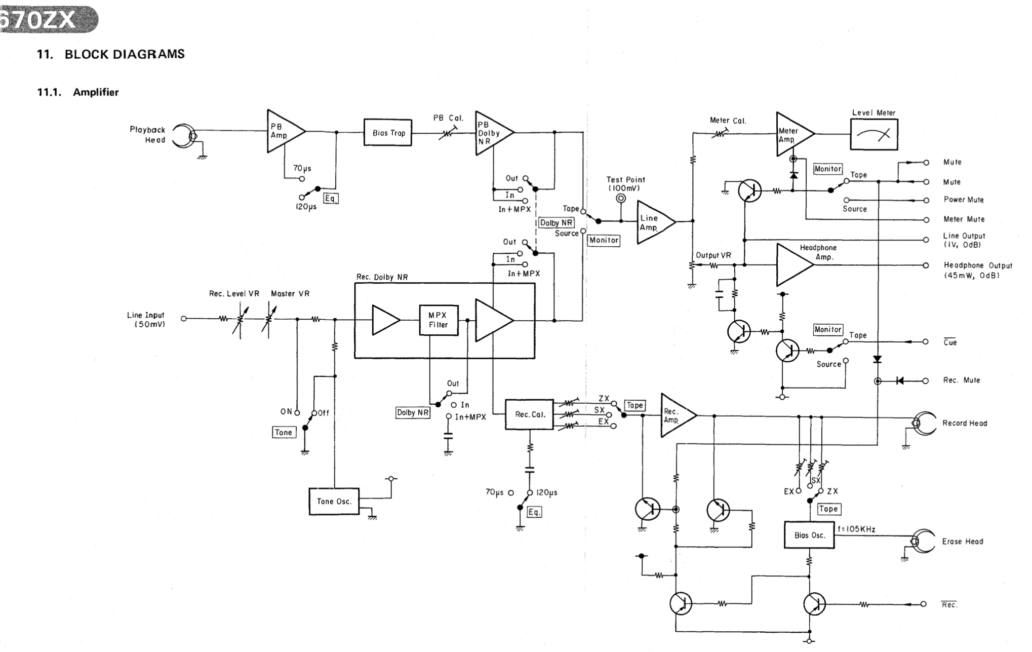
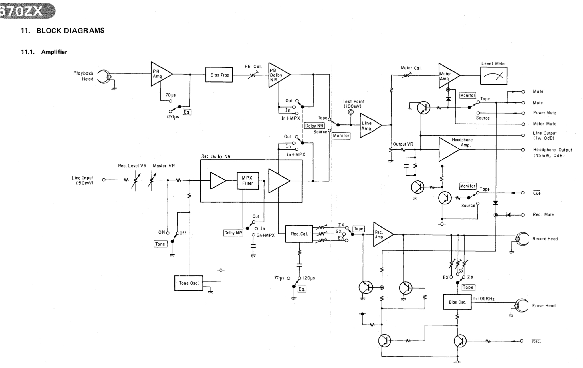
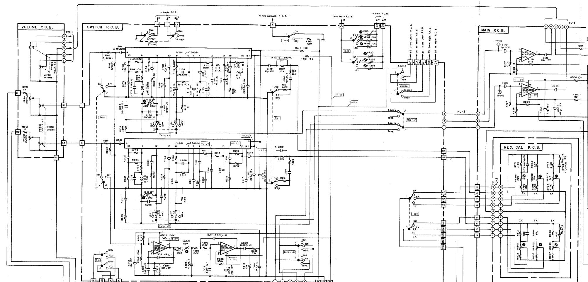
Сегодня измерил искажения чипа долби в Nakamichi 670ZX
в этой деке простой короткий тракт
с одним чипом на пути сигнала
как при записи так и при воспроизведении

Строго говоря - это искажения чипа долби IC101 (uA7300)
и масштабного усилителя на ОУ IC301 (RC4558)

Собственные искажения генератора 0,0003%
Искажения в режиме "Источник"на линейном выходе ( 1 кГц )
+5 dB - 0,033 %
 0 dB - 0,013 %
-10 dB - 0,004 %
-20 dB - 0,005 %

Можно конечно городить огород с обходом долби
но измеренные искажения как бы говорят нам о том,
что парится сильно не стоит

Но конечно, каждый выбирает сам
 
 
Цитата
Магнитофоныч написал:
Можно конечно городить огород с обходом долбино измеренные искажения как бы говорят нам о том, что парится сильно не стоит
На фоне 0,3-0,4% в результате - наплевать и забыть.
P.S.Если вспомнить,что любители получения "уровня и шумов" пишут с 3-мя% - лучше забыть,как класс... :wink:  
 
 
Цитата
Магнитофоныч написал:
Сегодня измерил искажения чипа долби в Nakamichi 670ZX
в этой деке простой короткий тракт
с одним чипом на пути сигнала
как при записи так и при воспроизведении

Строго говоря - это искажения чипа долби IC101 (uA7300)
и масштабного усилителя на ОУ IC301 (RC4558)

Собственные искажения генератора 0,0003%
Искажения в режиме "Источник"на линейном выходе ( 1 кГц )
+5 dB - 0,033 %
 0 dB - 0,013 %
-10 dB - 0,004 %
-20 dB - 0,005 %

Можно конечно городить огород с обходом долби
но измеренные искажения как бы говорят нам о том,
что парится сильно не стоит

Но конечно, каждый выбирает сам
обход долби в этой деке на воспроизведение исполняется легко и непринужденно без всякой хирургии . выходом должна стать 11 нога , на память . переносится один электролит .
 
 
Цитата
Veschii Oleg написал:
Юр, я же выше написал, что просто усиление другое....
Как может быть другим усиление, если точна 0 дБ пересекает ровно 400Гц. А график при 120мкс "ложится" ровно на линию -10 дБ. Даже на твоем смоделированном графике так. А если он выше отметки -10дБ, значит больше 120мкс. Также и слева при Т1=3180 , на 20Гц пересекается отметка примерно в +17дБ. Если бы было другое усиление, то весь график был бы смещен вверх или вниз (и 0Дб не было бы на отметке 400Гц). На нижнем графике Фазы мы видим левую часть почти +20дБ@20Гц, Т1>3180. Но правая часть "ложится" ровно на линию -10дБ, значит Т2=120мкс, а вот на верхнем графике нет, там правая часть выше и Т2 больше. Но Т1 там как раз +17дБ@20Гц (Т1=3180).
作りましょう!
 
 
Цитата
Магнитофоныч написал:
Искажения в режиме "Источник"на линейном выходе ( 1 кГц )
А КНИ @ 10 или 15 К мерил?
作りましょう!
 
 
Цитата
Mr.Yu написал:
А КНИ @ 10 или 15 К мерил?
Нет
а надо?
Страницы: Пред. 1 ... 1009 1010 1011 1012 1013 ... 1099 След.
Архив Форума Hi-Fi.ru
По 23-5-2020
Портал Hi-Fi.ru более не предоставляет возможностей и сервисов по общению пользователей

1997—2026 © Hi-Fi.ru (Лицензионное соглашение)