Архив Форума Hi-Fi.ru
По 23-5-2020
Портал Hi-Fi.ru более не предоставляет возможностей и сервисов по общению пользователей


Страницы: Пред. 1 ... 166 167 168 169 170 ... 1099 След.

Деки NAKAMICHI, Настройка и обсуждение (Part 2)

 
 
Цитата
Mr.Yu  пишет:
Цитата
Pavel Sanaev пишет:

С помощью форумчанина Артем Nomen Nesico стал в начале осени счастливым обладателем Nakamichi 1000 Tri-Tracer взамен отличного LX-5
Надеюсь Три-Трейсер второй серии, иначе, скажем так, промашка получилась.    

ПС

Зачем было брать "тысячный" гроб, когда элегантный 700й - тоже самое, только корпус другой, да и дешевле.

 Не то же самое. Сравнивал 2 разных 700 с двумя разными 1000 - в обоих случаях 700й уступал. Не космически, но заметно.
 
 
Юра
700 и 1000 не смотря на полную идентичность
комплектующих и схемотехники немного не тоже самое
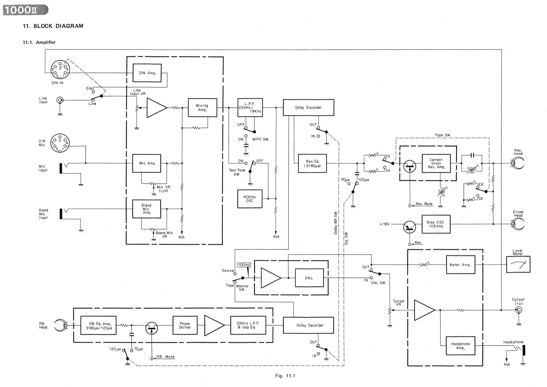
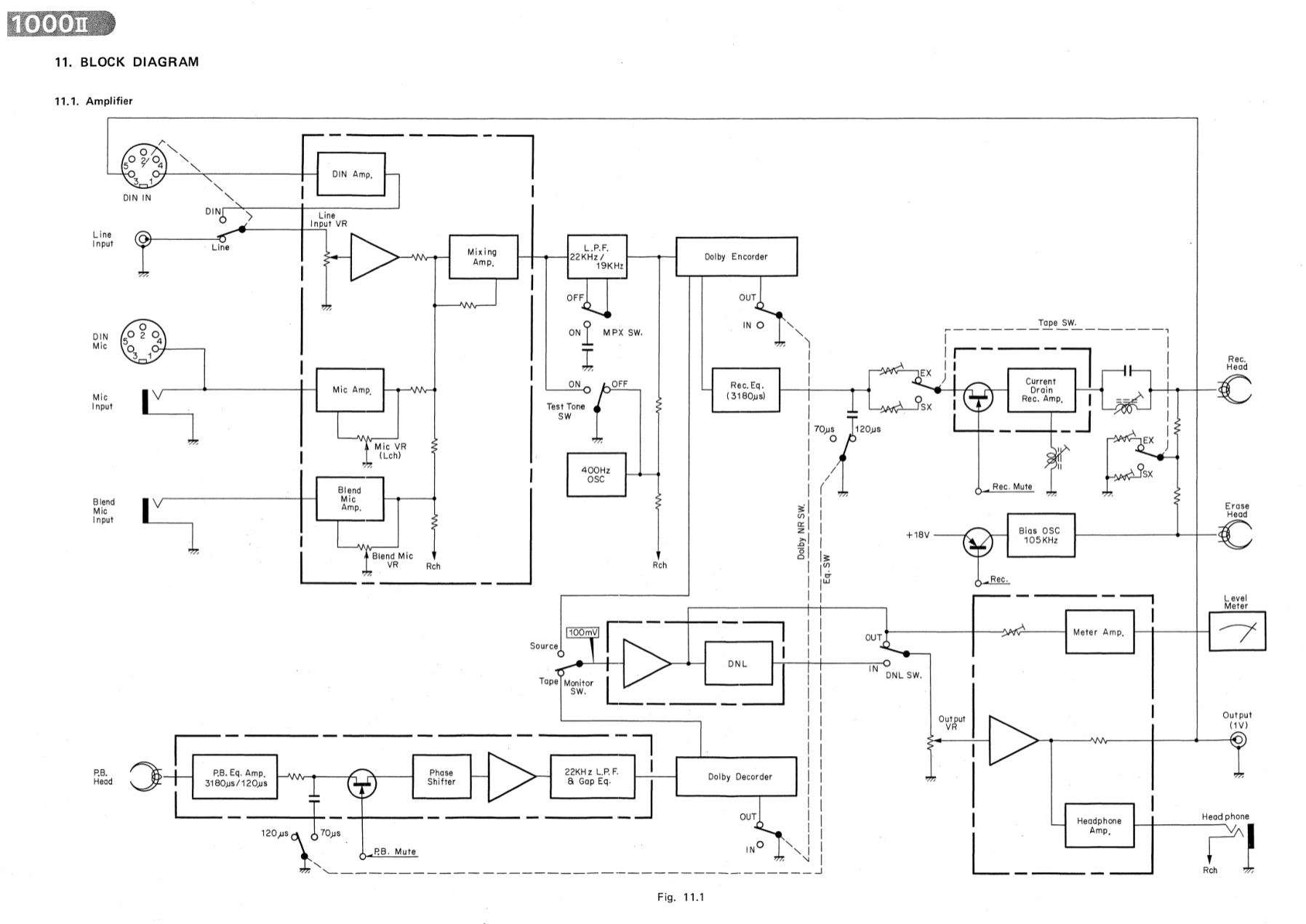
в одном узле в тракте воспроизведения - динамический шумодав
(на примере модификаций II)

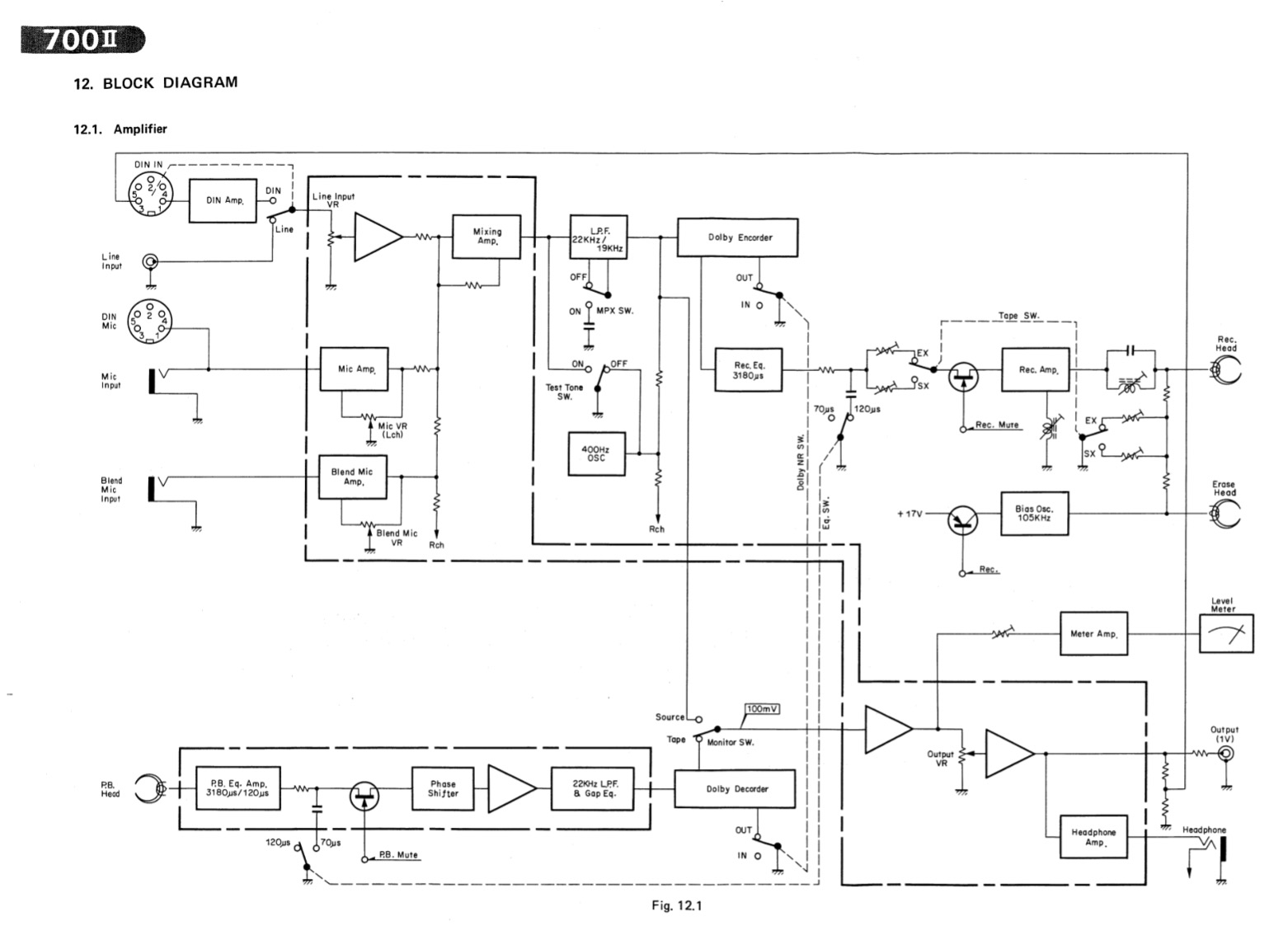
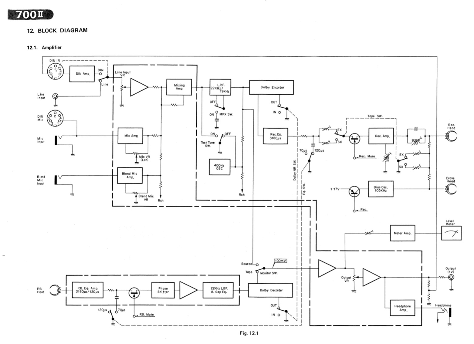
С трехмерным звуком всей серии 700, 700 II, 1000, 1000 II
полностью согласен
Схема сделана полностью на дискрете
Возможно в этом суть
IMG_3066.PNG (174.92 КБ)
IMG_3067.PNG (223.56 КБ)
 
 
Сегодня с удовольствием весь вечер гонял свою 700

АЧХ на 70 uS
IMG_3071.JPG (460.11 КБ)
 
 
Цитата
Pavel Sanaev пишет:
С помощью форумчанина Артем Nomen Nesico стал в начале осени счастливым обладателем Nakamichi 1000 Tri-Tracer взамен отличного LX-5, отслужившего три года верой и правдой. Две профилактики ЛПМ и замена сгоревшей лампочки освещения подкассетника не в счет.



Дека покупалась в Питере и брать ее без помощи специалиста было страшновато, поэтому Артем консультировал по телефону. По прошествии времени подумал, что не у всех желающих купить Nakamichi есть возможность говорить во время покупки по телефону со специалистом, и решил написать на эту тему статью.



КАССЕТНЫЕ ДЕКИ - КАКУЮ КУПИТЬ, ЗАЧЕМ И КАК ВЫБРАТЬ?



http://hiendmusic.ru/item/2017/1/4/kassetnye-deki-kakuyu-kupit-zachem-i-kak-vybrat  

Статья в целом полезная для покупки дек, но ее определенный посыл про сидюки  -байда полная! Ну как может дека играть как хороший сиди плеер, или лучше? Правда минимально доступный из не новых приличных плееров будет где то от 100 тр. начинаться. И хорошо прописанные сиди диски он отыграет так... что деки останется лишь коллекционировать.  Были у меня и несколько 1000ZXL и 700ZXL и 1000 MkII и еще куча дек, в основном Накамичи. Последнюю свою 1000ZXL продал форумчанину Артему Nomen Nesico. Артем приехал ко мне в СПб с мастером Анатолием. Это дека отличная и звук у ней ураган!. Но мой плеер Spectral звучит лучше!
Изменено: Станислав Мужеников - 25-02-2017 01:48:13
Хай-Энд -это законный способ кайфануть)) Но если это надоест, то и неплохо то же.
 
 
На днях поменял свою отличную некатанную Nakamichi 670ZX из своих старых запасов на балансные межблочные кабели метровой длины XLO LE. Кабели зачетные. Мне крупно повезло.
В статье (по ссылке выше) автор лепит горбатого про то что в цифровом тракте (там про сидюки) кабели не актуальны хорошие.
Изменено: Станислав Мужеников - 25-02-2017 02:01:42
Хай-Энд -это законный способ кайфануть)) Но если это надоест, то и неплохо то же.
 
 
Кстати продаю обалденную 1000 Tri-Tracer. Головы отличные и все путем. Мне просто не нада. А вам м.б. в радость. Форумчанам скидка! Можете взять любого мастера для ее проверки.
Хай-Энд -это законный способ кайфануть)) Но если это надоест, то и неплохо то же.
 
 
Цитата
Станислав Мужеников пишет:
Цитата
Pavel Sanaev пишет:


 http://hiendmusic.ru/item/2017/1/4/kassetnye-deki-kakuyu-kupit-zachem-i-kak-vybrat  

Статья в целом полезная для покупки дек, но ее определенный посыл про сидюки  -байда полная! Ну как может дека играть как хороший сиди плеер, или лучше? Правда минимально доступный из не новых приличных плееров будет где то от 100 тр. начинаться. И хорошо прописанные сиди диски он отыграет так... что деки останется лишь коллекционировать.  Были у меня и несколько 1000ZXL и 700ZXL и 1000 MkII и еще куча дек, в основном Накамичи. Последнюю свою 1000ZXL продал форумчанину Артему Nomen Nesico. Артем приехал ко мне в СПб с мастером Анатолием. Это дека отличная и звук у ней ураган!. Но мой плеер Spectral звучит лучше!

Смотря что ставить на деку. Если запись с мастер-ленты, то будет играть лучше СД. А если, допустим, с винила, то большой вопрос - как эту запись делали - с какого проигрывателя, с каким корректором. Если виниловый тракт средний, то какая разница, на каком Накамичи слушать эту запись - будет хуже СД. Про запись с цифры и говорить нечего. Надеюсь, вы не с цифры запись сравнивали со звучанием своего Spectral, чтобы сделать свой вывод?
 
 
Цитата
Александр Циррон пишет:
Фрагмент Вашей статьи Павел.

Александр, я статью давал править и дополнять двум людям, могло затмение найти - сейчас уточню, исправлю.
 
 
Цитата
Pavel Sanaev пишет:
Цитата
Станислав Мужеников пишет:

Цитата
Pavel Sanaev пишет:





  http://hiendmusic.ru/item/2017/1/4/kassetnye-deki-kakuyu-kupit-zachem-i-kak-vybrat    

Статья в целом полезная для покупки дек, но ее определенный посыл про сидюки  -байда полная! Ну как может дека играть как хороший сиди плеер, или лучше? Правда минимально доступный из не новых приличных плееров будет где то от 100 тр. начинаться. И хорошо прописанные сиди диски он отыграет так... что деки останется лишь коллекционировать.  Были у меня и несколько 1000ZXL и 700ZXL и 1000 MkII и еще куча дек, в основном Накамичи. Последнюю свою 1000ZXL продал форумчанину Артему Nomen Nesico. Артем приехал ко мне в СПб с мастером Анатолием. Это дека отличная и звук у ней ураган!. Но мой плеер Spectral звучит лучше!

Смотря что ставить на деку. Если запись с мастер-ленты, то будет играть лучше СД. А если, допустим, с винила, то большой вопрос - как эту запись делали - с какого проигрывателя, с каким корректором. Если виниловый тракт средний, то какая разница, на каком Накамичи слушать эту запись - будет хуже СД. Про запись с цифры и говорить нечего. Надеюсь, вы не с цифры запись сравнивали со звучанием своего Spectral, чтобы сделать свой вывод?

У меня были два Штудера бобинника с 38/2 - играли копии с мастер лент великолепно, но мои сидюки играют не хуже. Я еще у меня хороший знакомый  в СПб покупает качественные копии с мастер лент (покупает в основном заграницей у проверенных людей) и пишет с них копии и продает (это у него хобби а не заработок, но есть целая питерская тусовка серьезных людей, которые эти копии покупают). У него два бобинника Штудер С37 и Награ Т.  Кстати я то же хотел купить штудер С37, но послушал его и передумал.
По поводу дек - включите любую из них транзитом (без записи) просто в режиме источник в хорошем тракте.  И звук ухудшится, т.к. там сам усильный тракт деки в транзите (без записи) будет вносить ненужные изменения в звук.
В принципе ничего не имею против дек - кому они нужны тот и их и использует, но чего цифру то поливать грязью, если нет опыта прослушки качественных цифровых источников в хорошем тракте, в котором все слышно (с приличными в том числе проводами).
Изменено: Станислав Мужеников - 25-02-2017 10:14:15
Хай-Энд -это законный способ кайфануть)) Но если это надоест, то и неплохо то же.
 
 
Вообще тема сравнения дек с цифрой прикалывает своей схемой.
Берется приличная дека типа Накамичи и некий сидюк N (не обсуждаю качество записи диска, что естественно то же имеет значение). И после этого дека лучше.
Так давайте сравним крутые деки с крутыми сидюками.
Или тогда обычный сидюк N давайте сравним с обычным мафоном N - типа Весна например.
Хай-Энд -это законный способ кайфануть)) Но если это надоест, то и неплохо то же.
Страницы: Пред. 1 ... 166 167 168 169 170 ... 1099 След.
Архив Форума Hi-Fi.ru
По 23-5-2020
Портал Hi-Fi.ru более не предоставляет возможностей и сервисов по общению пользователей

1997—2026 © Hi-Fi.ru (Лицензионное соглашение)