Архив Форума Hi-Fi.ru
По 23-5-2020
Портал Hi-Fi.ru более не предоставляет возможностей и сервисов по общению пользователей


Страницы: Пред. 1 ... 170 171 172 173 174 ... 1099 След.

Деки NAKAMICHI, Настройка и обсуждение (Part 2)

 
 
Цитата
Андрей  пишет:
разделительные - хорошо бы не электролиты
WIMA электролиты не делает  :D
Ондрюша, Ондрюша ...
 
 
Ну,что,пора закрывать,если не доходит. :cry:
P.S.Идите уже в "говорилку",что мешает? :(
 
 
тов. пилюлькену  - тоже здравствуйте! :!:
H_I_G_H _ B_I_A_S
 
 
Цитата
Магнитофоныч  пишет:
Ондрюша, Ондрюша...

Мофоныч, пора к тов. оранжевому сэнсею в ученики записуваться! :D
H_I_G_H _ B_I_A_S
 
 
Цитата
Андрей  пишет:
как написано - так и понято  
Согласен - хреново написал  :laughter:
 
 
Цитата
ремонт-NIK пишет:
оранжевому сэнсею в ученики
Ну сто Мафонаць пасли катисатара минять в накамициях!
:D
IMG_3090.JPG (20.13 КБ)
 
 
:laughter:  :laughter:  :laughter:
..это ваще...
зачот!
-----------------------------------

очень надеюсь за цэ фото монахи шаолиня нас не забуцают сапожишщами..  :prayer:
Изменено: ремонт-NIK - 26-02-2017 23:32:16
H_I_G_H _ B_I_A_S
 
 
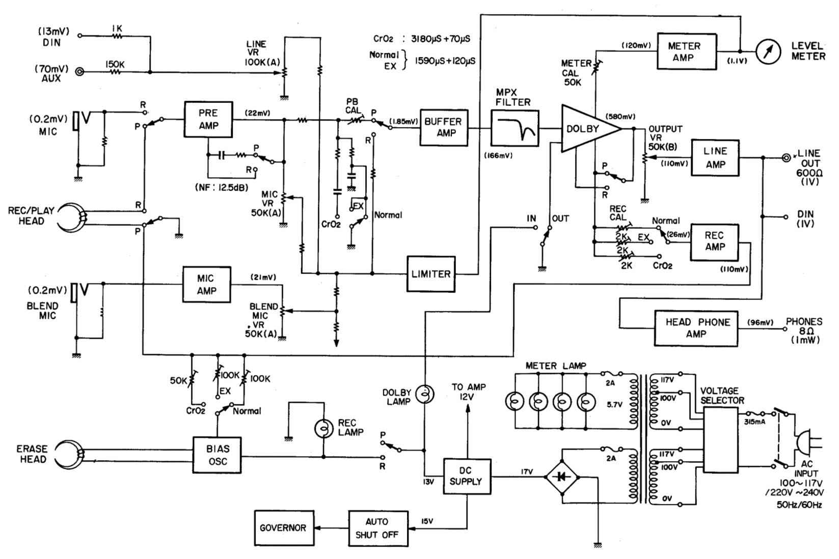
В старичках 500 и 550 тау 2 на нормале 1590 было  :o
IMG_3092.PNG (255.84 КБ)
IMG_3091.PNG (54.19 КБ)
 
 
это для оочччень древних прото-нормалов (очень слабых на ВЧ), что бы выровнять частотку воспроизведения (путем меньшего подъема на НЧ)
--------------------
сравни, для более современных нормалов (типа ЕХ), у которых на ВЧ порядок, заявлено стандартное значение 3180мкс
Изменено: ремонт-NIK - 26-02-2017 23:55:45
H_I_G_H _ B_I_A_S
 
 
Цитата
Mr.Yu  пишет:
Заменить тоже что-ли?

Не замечал подобного, что в 700, что в 700 II, хотя возможно не обратил внимание.

Уж больно неохота сдирать родную "пломбу", если только итерациями со съемом-установкой.
У меня без вариантов было Юра
После получаса работы глох правый канал намертво
В режиме стоп повышенные шумы были

Я тоже заметил не сразу про азимут и накладку
Попробуй - посмотри как у тебя
Сдвиг небольшой но есть

Пломбу аккуратно надразрезал - не видно если не присматриваться
Если снимешь и по новой наклеешь - точно товарный вид хуже будет
Страницы: Пред. 1 ... 170 171 172 173 174 ... 1099 След.
Архив Форума Hi-Fi.ru
По 23-5-2020
Портал Hi-Fi.ru более не предоставляет возможностей и сервисов по общению пользователей

1997—2026 © Hi-Fi.ru (Лицензионное соглашение)