Архив Форума Hi-Fi.ru
По 23-5-2020
Портал Hi-Fi.ru более не предоставляет возможностей и сервисов по общению пользователей


Страницы: Пред. 1 ... 384 385 386 387 388 ... 1099 След.

Деки NAKAMICHI, Настройка и обсуждение (Part 2)

 
 
а скажите граждане спецалисты - как у этой мафоны азимут работаит?
кручу/верчу куртилку, аж вспотел, а азимут как вкопанный..
заранеи блогодарен!
:D
01 Nak zx7 first.jpg (281.79 КБ)
Изменено: powerday - 20-02-2018 16:32:15
Hi_B_ _C.F._
 
 
1. Крутилка крутит азимут ГЗ
2. Азимут ГЗ крутится плоским тросом в синем шлейфе
3. Иногда оконечный механизм (на обоих концах троса)
слетает и рычаг в нем не достает до регулировочной  пластины
 
 
Некоторые типы зеленых трав
Делают синее небо немного разноцветным
 
 
Гена
Надеюсь, что п.1 поста 4261 был понятен и так
Если нет - то это очень, очень тревожный симптом
:D
 
 
Цитата
Магнитофоныч  пишет:
Надеюсь, что п.1 поста 4261 был понятен и так Если нет - то это очень, очень тревожный симптом
:D  :cheers:
какие ваши доказательства?!
------

магу дыхнуть..
:smoke:
Изменено: powerday - 20-02-2018 17:43:10
Hi_B_ _C.F._
 
 
Цитата
Магнитофоныч  пишет:
Юра Ты меня еще больше укрепил в том что трава зеленая а небо синее :D
Я сегодня "капитан Очевидность"  :D  :D  :D
作りましょう!
 
 
На 400 Гц синфазность ловится только потому, что при прошитых в чип алгоритмах тех лет (а может и сегодняшних) на 15 кГц эта синфазность никогда не поймается! Оно просто не настроится.  :D
Тем не менее, на 400 Гц строится вполне удовлетворительно. Цэ фахт! Примерно также, как и на средний слух.
Другое дело, что как по мне, то все эти приблуды нах (извините - нак) никому не нужны. Один раз поставил азимуты - и вперед.
Причем лучше всего и легче и  быстрее ставить азимуты не по тестовой кассете. А по специальной "линейке" с сильной лупой и меткой перпендикулярности. Но, такие промышленные юстировочные штуки сейчас жутко редкие и дорогие.
Ради интереса я это делал на специально мною модифицированной кассете (т.е. в глухую) с использованием глазомера, сильной направленной подсветки и... А потом сравнил с настройкой по тестовой ленте. Совпало!
В бобинных магнитофонах это легче, т.к. азимут (да и весь механический тракт) можно настроить по "пятну". Ну это другая история.
 
 
Ты не прав Фугатыч
Эти приблуды - это как раз то, что и делает
магнитофоны Накамичи уникальными
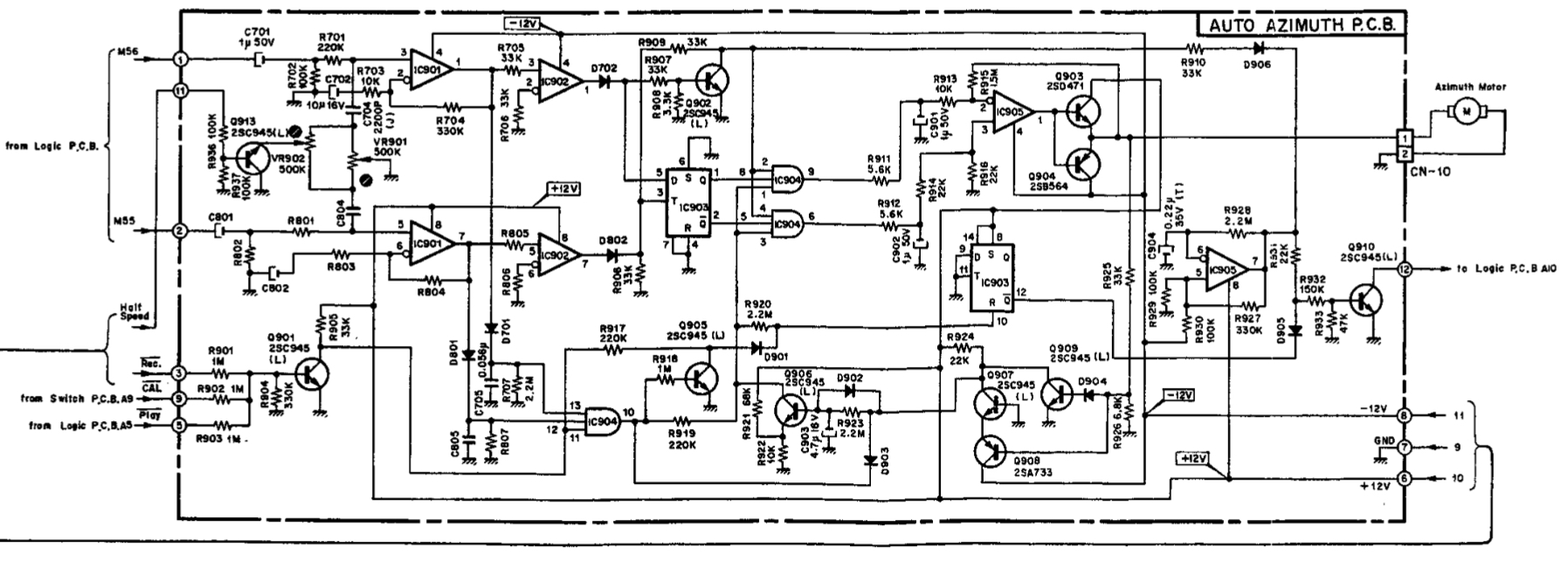
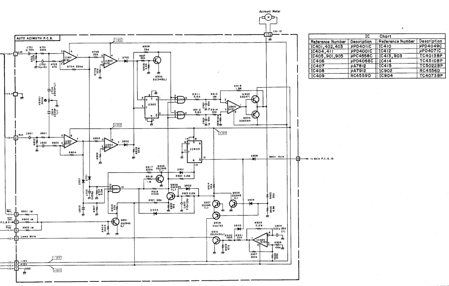
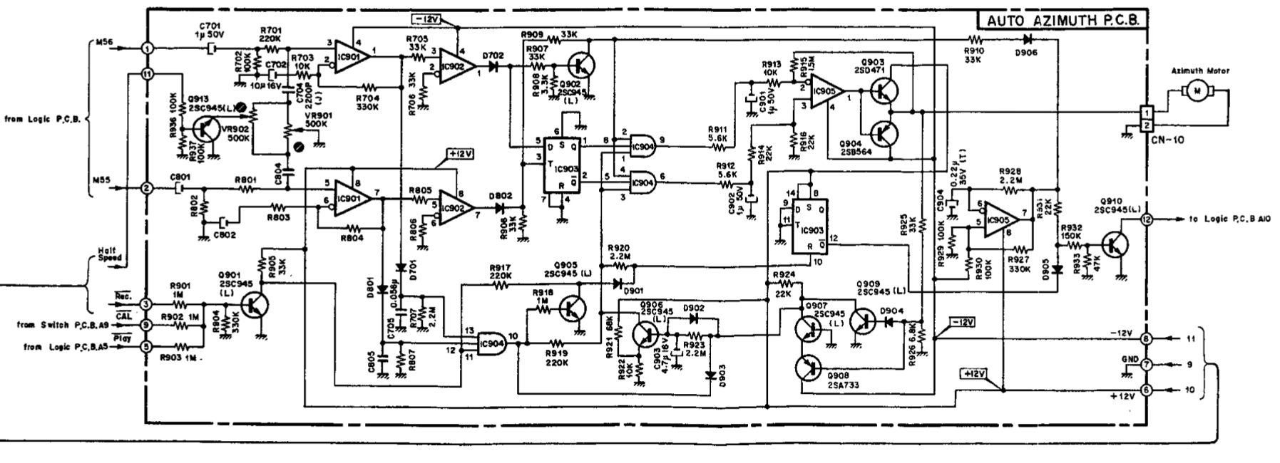
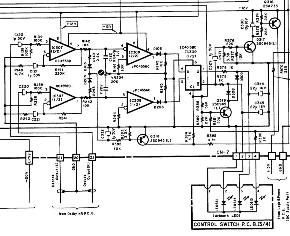
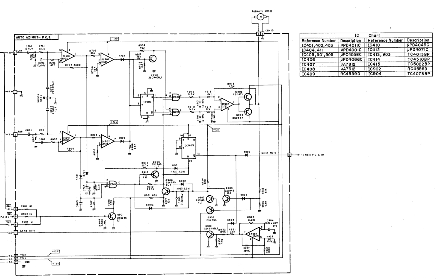
И прошитых чипов в этом узле (фазовый компаратор) нет
Он собран на дискрете и стандартной логике
 
 
1. Блок автоазимута 670ZX
2. Блок автоазимута 680ZX
3. Фазовый детектор ZX-7
 
 
Признаю. Не прав. Хотел выя...нуться. И попал.
Нет там никаких прошитых чипов.
Страницы: Пред. 1 ... 384 385 386 387 388 ... 1099 След.
Архив Форума Hi-Fi.ru
По 23-5-2020
Портал Hi-Fi.ru более не предоставляет возможностей и сервисов по общению пользователей

1997—2026 © Hi-Fi.ru (Лицензионное соглашение)