На Мачу Пикчу надо хорошо подготовить свою физическую форму. Не все доходят даже после специальной двухлетней подготовки. Можно, конечно, транспортом, но кайф не тот.
Архив Форума Hi-Fi.ru
По 23-5-2020
Портал Hi-Fi.ru более не предоставляет возможностей и сервисов по общению пользователей
По 23-5-2020
Портал Hi-Fi.ru более не предоставляет возможностей и сервисов по общению пользователей
Деки NAKAMICHI, Настройка и обсуждение (Part 2)
|
15-07-2018 02:08:53
|
|
|
|
|
|
15-07-2018 02:10:33
В Австралию хочу на круизном лайнере месяц плыть.
|
|
|
|
|
|
15-07-2018 10:05:28
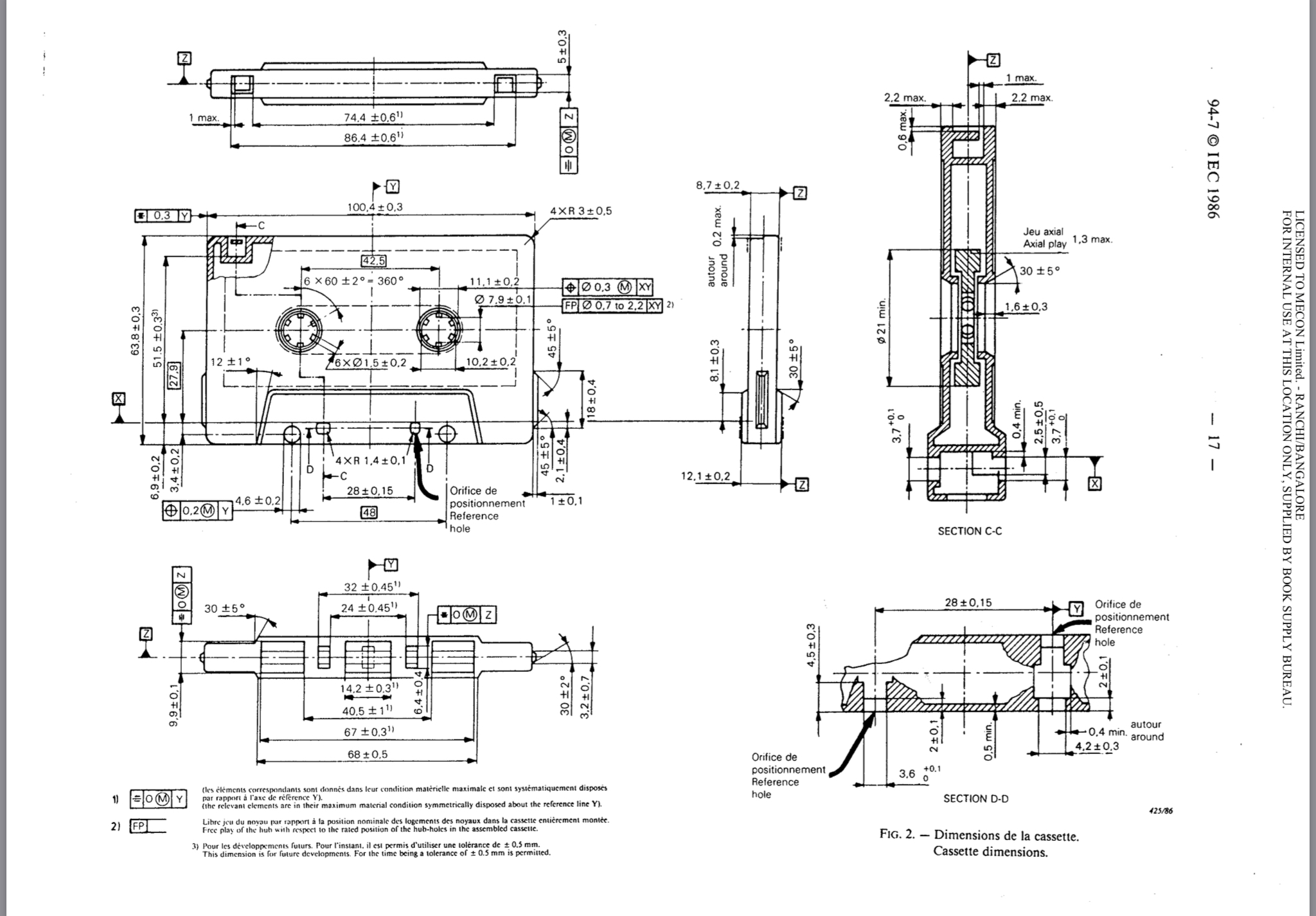
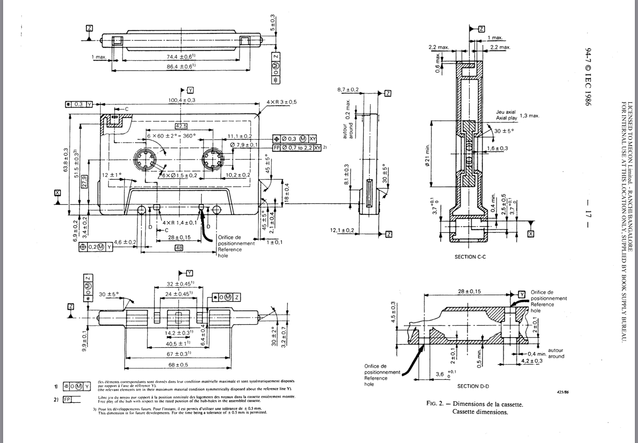
Еще картинки из стандарта IEC 94-7
|
|
|
|
|
|
15-07-2018 10:11:15
Толя
покажи свой шаблон пжл совсем другие значения |
|
|
|
|
|
15-07-2018 19:21:02
Hi_B_ _C.F._
|
|
|
|
|
|
15-07-2018 19:23:22
Hi_B_ _C.F._
|
|||
|
|
|
|
15-07-2018 20:10:10
Высота шаблона особой роли не играет, к ней нет привязки. |
|||
|
|
|
|
15-07-2018 20:14:04
|
|||
|
|
|
|
15-07-2018 20:54:05
Шаблон зеркальный - бликует
В общем - край бруска находится между риской MIN и средней |
||||
|
|
|
|||
Архив Форума Hi-Fi.ru
По 23-5-2020
Портал Hi-Fi.ru более не предоставляет возможностей и сервисов по общению пользователей
По 23-5-2020
Портал Hi-Fi.ru более не предоставляет возможностей и сервисов по общению пользователей
