| Цитата |
|---|
| Андрей написал: ващета они оденаковыи . што дракон , што бэха(с) |
Архив Форума Hi-Fi.ru
По 23-5-2020
Портал Hi-Fi.ru более не предоставляет возможностей и сервисов по общению пользователей
По 23-5-2020
Портал Hi-Fi.ru более не предоставляет возможностей и сервисов по общению пользователей
Деки NAKAMICHI, Настройка и обсуждение (Part 2)
|
15-10-2018 10:10:20
|
|
|
|
|
|
15-10-2018 13:08:25
Андрей все верно написал
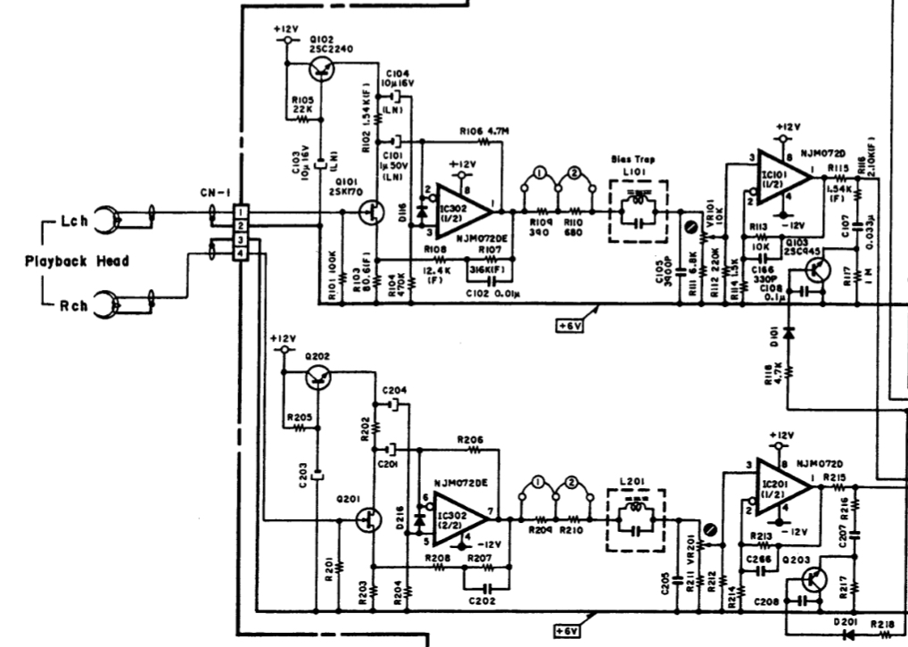
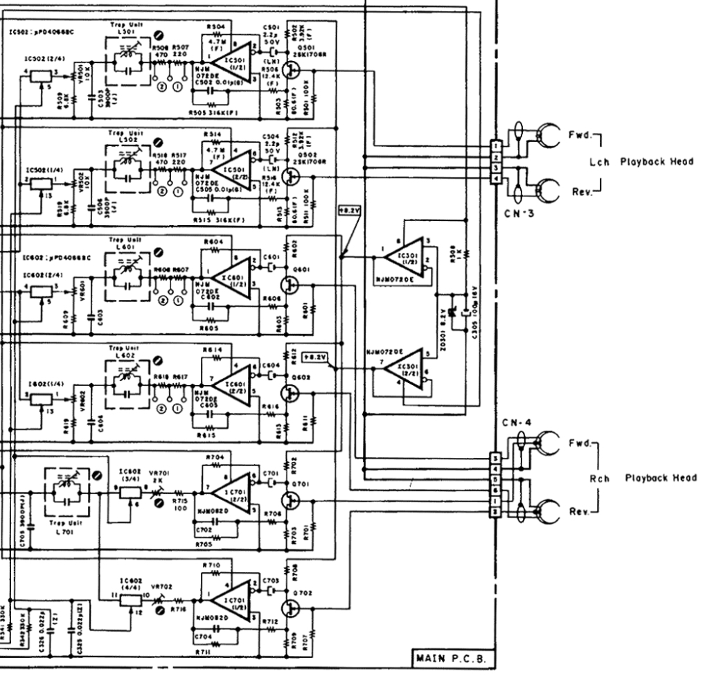
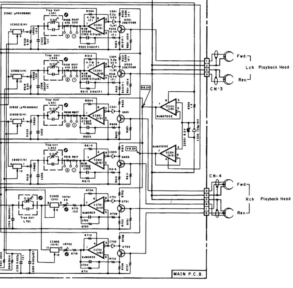
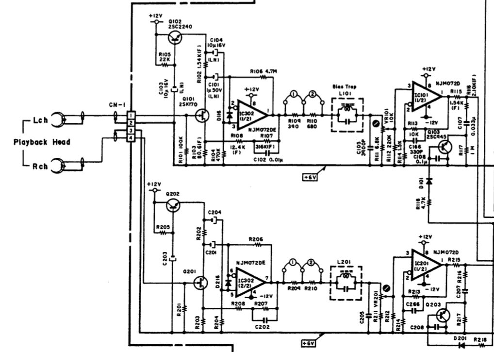
УВ Дракона и УВ BX-300 - это одна и та же схема 1. Дракон 2. Бэха Они могут казаться разными, только если человек абсолютно ничего не понимает в схемотехнике |
|
|
|
|
|
15-10-2018 13:10:04
Я делал свой вариант этого УВ - звучание отменное
|
|
|
|
|
|
16-10-2018 13:19:32
Фильтр на малошумном транзисторе,мне представляется несколько лучше. если уж качество резистора в нагрузке полевика прилично слышно,то уж ньюансы питания,тем более.
|
|||||||
|
|
|
|
16-10-2018 17:17:12
____ Avanti! ____
Мы все механизаторы, и нам живётся очень даже клёво! |
|||||
|
|
|
|
17-10-2018 01:01:18
Изменено: - 17-10-2018 01:02:31
|
||||
|
|
|
|||
Архив Форума Hi-Fi.ru
По 23-5-2020
Портал Hi-Fi.ru более не предоставляет возможностей и сервисов по общению пользователей
По 23-5-2020
Портал Hi-Fi.ru более не предоставляет возможностей и сервисов по общению пользователей
