Архив Форума Hi-Fi.ru
По 23-5-2020
Портал Hi-Fi.ru более не предоставляет возможностей и сервисов по общению пользователей


Страницы: Пред. 1 ... 5 6 7 8 9 ... 12 След.

ЛПМ Sankyo (TEAC V-8030S), ремонт и настройка, Нужны подсказки и советы опытных товарищей

 
 
Цитата
Veschii Oleg пишет:
Надо смотреть работоспособность датчика именно правого узла.  

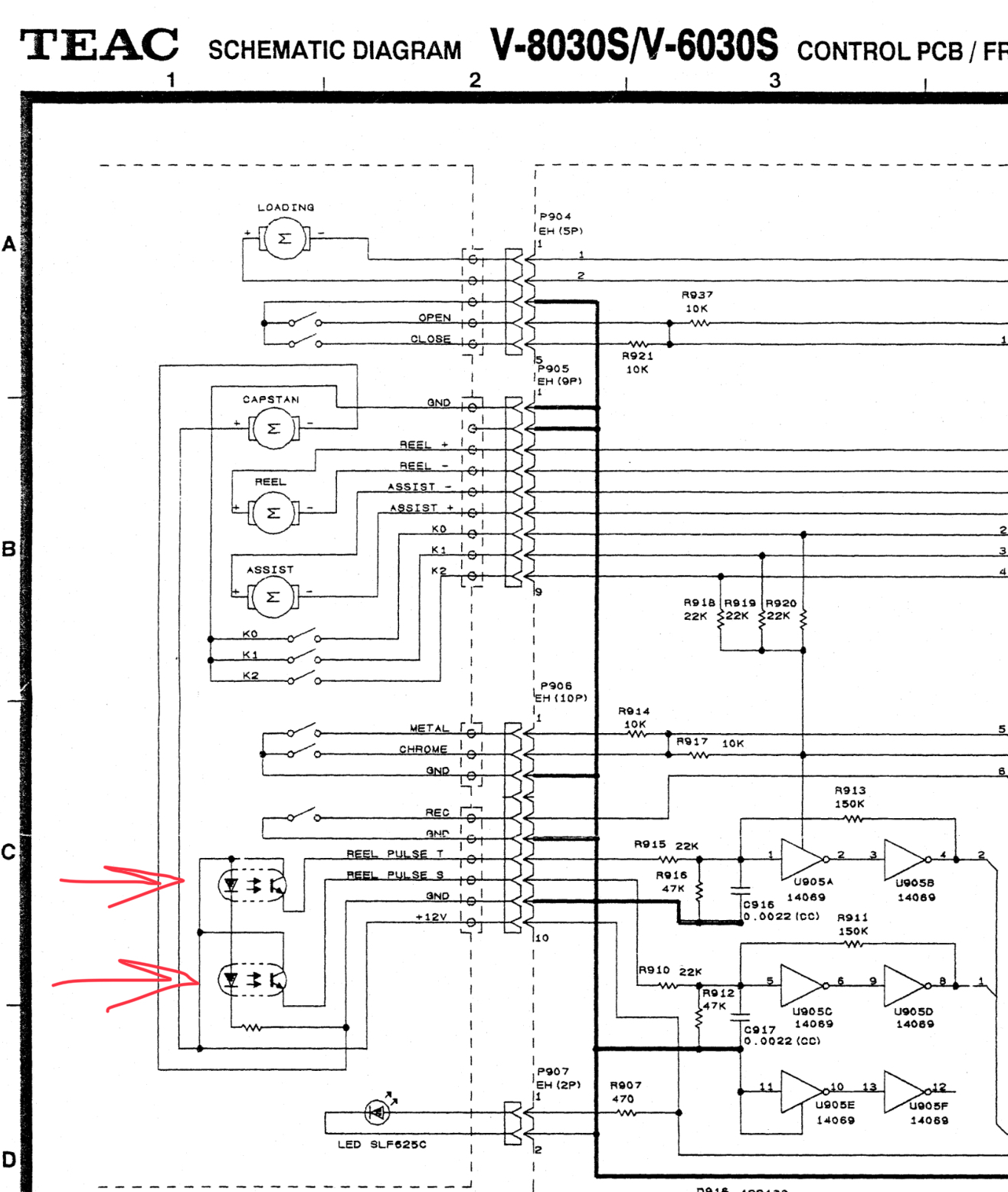
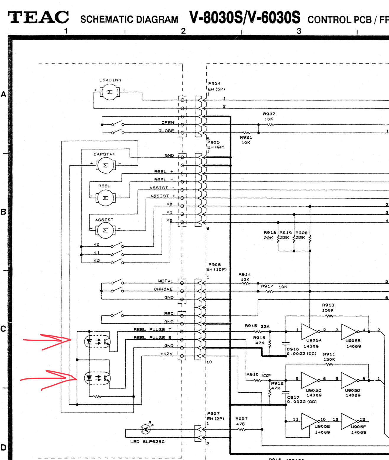
Олег, а сможете мне "ткнуть пальцем" на схеме, какую и где хреновину надо проверять?
 
 
Олег
с другой стороны если бы датчик
он сразу стопить должен бы был
 
 
Цитата
Veschii Oleg пишет: При перемотке назад без кассеты автостоп тоже должен срабатывать.



Естественно, правый то опять стоит ;)
Наличие только диплома = наличию водительского удостоверения у "блондинки".  :D  
 
 
Цитата
Veschii Oleg пишет:
По  правильной  логике автостоп должен срабатывать  при остановке правого бокового узла всегда  (вне зависимости от левого) - иначе ленту намотает на тонвал. Надо смотреть работоспособность датчика именно правого узла. При перемотке назад без кассеты автостоп тоже должен срабатывать.



PS. Завтра посмотрю как у 920, что там за логика такая... кривая.  

Посмотрел схемы, у 620 датчики A и B  а у 920 только B! (sensor A , B)
 
 
Дэн
посмотри правда оптодатчики
 
 
Они на платке печатной за подкассетниками
Можно осциллографом сигналы посмотреть с них
Можно прозвонить полупроводники оптопар
 
 
Это они?
ФОТО: https://yadi.sk/i/n4RQu_Tk3NWdWk
 
 
Вдогонку еще вопрос возник: из какого материала у него головки? В сервис-мануале я не нашел этой информации.
 
 
Цитата
Denn Kulikov пишет:
Это они?

ФОТО:  https://yadi.sk/i/n4RQu_Tk3NWdWk  

Легче и лучше посмотреть сигнал на входах микросхемы U905 (ножки 1 и 5), но так как сигнал подаётся через резисторы, R195 и R910, то можно и нужно проверить сигнал и на них, причём с обоих концов. Перед этим проверить сигналы на выходах микросхемы U905 (ножки 4 и 8). При воспроизведении на всех указаных местах должен быть сигнал. Осциллограф есть? Обратите внимание отличаются ли по форме сигналы с подающей и принимающей стороны.
 
 
Цитата
Denn Kulikov пишет:
Вдогонку еще вопрос возник: из какого материала у него головки? В сервис-мануале я не нашел этой информации.

Same r/p heads made of 14 layers of Amorphous Cobalt, both PC-OCC wired up to the magnetic coils...
http://www.thevintageknob.org/teac-V-8030S.html
Страницы: Пред. 1 ... 5 6 7 8 9 ... 12 След.
Архив Форума Hi-Fi.ru
По 23-5-2020
Портал Hi-Fi.ru более не предоставляет возможностей и сервисов по общению пользователей

1997—2026 © Hi-Fi.ru (Лицензионное соглашение)