Обуреваемый очередным приступом ностальгии, приобрёл "за недорого" деку NAD 614.
Дека малость покоцана снаружи, но вполне работоспособна.
Захотелось переслушать сотню с лишним кассет, записанных в 90х.
Звук понравился, несмотря на то, что часть кассет вообще была на музцентре AIWA записана. Жаль только, что я всё писал с долби В, лучше бы вообще шумодав не включал, мне этот шум и не мешал никогда, равно как хруст винила. Слушаю же я записи, сделанные на фонографе и шеллаке.
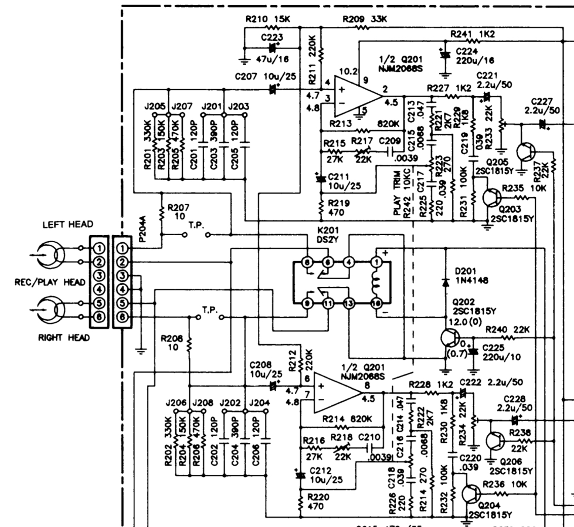
Даже чудесная примочка 'play trim' не компенсирует полностью приглушённость на ВЧ. Забавный эффект возникает при включении долби С на записях с, ещё один вариант звука.
Ну и 3й вариант - когда выключаешь долби и уменьшаешь звон с 'play trim'.
Ну это с учётом того, что я пока гоняю на нецыкающих колонках, если опять векторы подцеплю, может и с долби В пойдёт.
А поскольку 3х дневные поиски полноценного мануала к успеху не привели, хочу задать вопросы -
1. Зачем нужна кнопка 'car' ?
2.Зачем нужна кнопка ''memory'' ?
3.Существуют ли опробированные 'правильные' настройки тока подмагничивания для этой деки ? - просто чтоб если тип 1, то крутанул ручку до нужной цифры и т.п. , без записей пробных фрагментов.
Дека малость покоцана снаружи, но вполне работоспособна.
Захотелось переслушать сотню с лишним кассет, записанных в 90х.
Звук понравился, несмотря на то, что часть кассет вообще была на музцентре AIWA записана. Жаль только, что я всё писал с долби В, лучше бы вообще шумодав не включал, мне этот шум и не мешал никогда, равно как хруст винила. Слушаю же я записи, сделанные на фонографе и шеллаке.
Даже чудесная примочка 'play trim' не компенсирует полностью приглушённость на ВЧ. Забавный эффект возникает при включении долби С на записях с, ещё один вариант звука.
Ну и 3й вариант - когда выключаешь долби и уменьшаешь звон с 'play trim'.
Ну это с учётом того, что я пока гоняю на нецыкающих колонках, если опять векторы подцеплю, может и с долби В пойдёт.
А поскольку 3х дневные поиски полноценного мануала к успеху не привели, хочу задать вопросы -
1. Зачем нужна кнопка 'car' ?
2.Зачем нужна кнопка ''memory'' ?
3.Существуют ли опробированные 'правильные' настройки тока подмагничивания для этой деки ? - просто чтоб если тип 1, то крутанул ручку до нужной цифры и т.п. , без записей пробных фрагментов.


по -3дБ...