Архив Форума Hi-Fi.ru
По 23-5-2020
Портал Hi-Fi.ru более не предоставляет возможностей и сервисов по общению пользователей


Страницы: Пред. 1 ... 103 104 105 106 107 ... 584 След.

радуга, для желающих

 
 
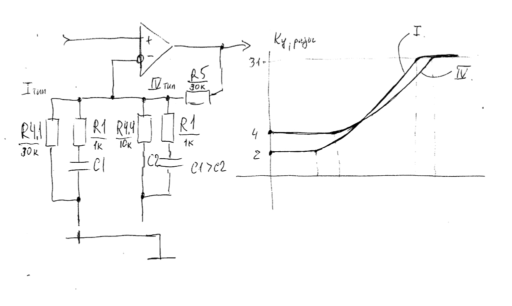
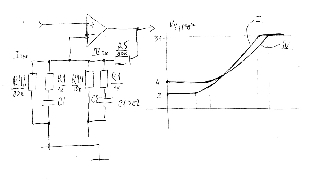
Это новые замеры
Старые вот
ничего не изменилось в форме сигнала естественно
 
 
Подобрать транзисторы ? Так-то я уже нашел лучше орели , только габариты немного печалят  :laughter:
 
 
Торопился кондер в левую цепь влепил)))))) Разумеется он в правой, она такая же.
 
 
Нет Андро
не транзисторы
идеологию уже обсуждали в удвоении частоты

Сверхчистый генератор опорной частоты и усилители с умножителями
Плюс УЗ переделать с выходом на генератор тока  
 
 
Цитата
Veschii Oleg написал:
Торопился кондер в левую цепь влепил)))))) Разумеется он в правой, она такая же.
 
 
Цитата
ivanhoe написал:
Подобрать транзисторы ?
Отсимметрировать.  ;)  
 
 
Цитата
Магнитофоныч написал:
Нет Андро
не транзисторы
идеологию уже обсуждали в удвоении частоты

Сверхчистый генератор опорной частоты и усилители с умножителями
Плюс УЗ переделать с выходом на генератор тока  
Кто займется ? я бы плату прикупил . С моточными . Комплектов несколько )
 
 
ГСП на трансформаторе имеет свой предел по искажениям
разброс параметров транзисторы вносит меньший вклад
чем сама схемотехника на моточных узлах
 
 
Самые наименьшие искажения на трансформаторе
имел ГСП от ревокса 215 с индуктивным возбуждением
 
 
Цитата
ivanhoe написал:
С моточными .
Можно без моточных как в моей первой самодельной деке-доске 80х гг... ОУ с мостом Вина и мощные тр-ры... Но искажения я тогда не измерял... Симметрию полуволн только, чтобы постоянки не было.
В Убийце примерно 1%. Мерял аппаратным ИНИ, ибо ЗК в компе такие частоты не берет)))))
Страницы: Пред. 1 ... 103 104 105 106 107 ... 584 След.
Архив Форума Hi-Fi.ru
По 23-5-2020
Портал Hi-Fi.ru более не предоставляет возможностей и сервисов по общению пользователей

1997—2026 © Hi-Fi.ru (Лицензионное соглашение)