Архив Форума Hi-Fi.ru
По 23-5-2020
Портал Hi-Fi.ru более не предоставляет возможностей и сервисов по общению пользователей


Страницы: Пред. 1 ... 314 315 316 317 318 ... 584 След.

радуга, для желающих

 
 
Этот график неправильный, но on может соответствовать "Самоубийце", с фрагментами глупости на его схеме все были ознакомлены :D
 
 
Лыко да мочало начинай сначала
 
 
Цитата
Партагас написал:
Если перегруз случился во время записи на ленту, то на воспроизведении этого уже никак не исправить.
Поэтому и проводится калибровка в процессе которой эквализация уменьшается. Либо увеличивают подмагничивание и происходит завал ВЧ.
Цитата
Партагас написал:
что намагниченность ленты увеличивается с уменьшением мкс
Нет. Этот график показывает только одно - что при постоянном токе записи более высококоэрцтивная лента имеет меньшие потери. Ну и соответственно при прочих равных требует меньшей коррекции.

Цитата
Партагас написал:
Да, эквализацию записи нужно уменьшить потому что 120 мкс слабее
Уменьшать нужно потому что она сильнее и ухудшает перегрузочную. :laughter:
Кроме того при калибровке ленты 2 типа с включенным в УВ 120мкс на выходе будет подъем и его нужно уменьшать!


Партагас, фотографирование еды и плавание в бассейне - Ваш удел.


 
 
Цитата
Олег Masterok написал:
Лыко да мочало начинай сначала
График вечного дурака, который я нарисовал раньше, объясняет почему Вещий не обучаем.  :D  Он может только подтвердить его  :D  
 
 
Цитата
Veschii Oleg написал:
Цитата
А в Наке для этого придется подмагничивание сильно добавить, чтобы завалить подъем, который будем иметь при калибровке и ток подмагничивания уменьшить соответственно.
это как?
 
 
Цитата
Veschii Oleg написал:
Цитата
Партагас написал:
Если перегруз случился во время записи на ленту, то на воспроизведении этого уже никак не исправить.
Поэтому и проводится  калибровка  в процессе которой эквализация уменьшается. Либо увеличивают подмагничивание и происходит завал ВЧ.

А как же это  :laughter: переключатель в УВ применить?
Цитата
Veschii Oleg написал:
Этого не будет, если применить переключатель 120мкс в УВ
 
 
Цитата
Triac написал:
Олег, ты весь форум уже перезапутал неоднократно )))
Юлий, я как раз на форуме распутываю то что запутывают неучи вроде каменщиков, сантехников и курильщиков. Я пишу всегда одинаково и сейчас и раньше. Ибо физика не меняется. Только читать надо внимательно вс каком контексте о чем говорится. Если непонятно - спрашивать.
Цитата
Партагас написал:
Этот график неправильный,
Можете валяться по полу и стучать как ребенок ногами и руками об пол (а можно и головой об стену), но физику Вы не обманете.

Все там верно. И точка. Я все Вам доказал выше.
Желающим читать с 11стр. Финиш п #2244 и #2245.
 
 
 
Цитата
Олег Masterok написал:
начинай сначала
Нет, хватит!

А Петров с Партагасом пусть танцуют свою клоунаду, хер с ними ;)  
 
 
Олег, ты чего мой вопрос проигнорировал? Повторю:

Цитата
Veschii Oleg написал:
Цитата
в Наке для этого придется подмагничивание сильно добавить, чтобы завалить подъем, который будем иметь при калибровке и ток подмагничивания уменьшить соответственно.
это как?
 
 
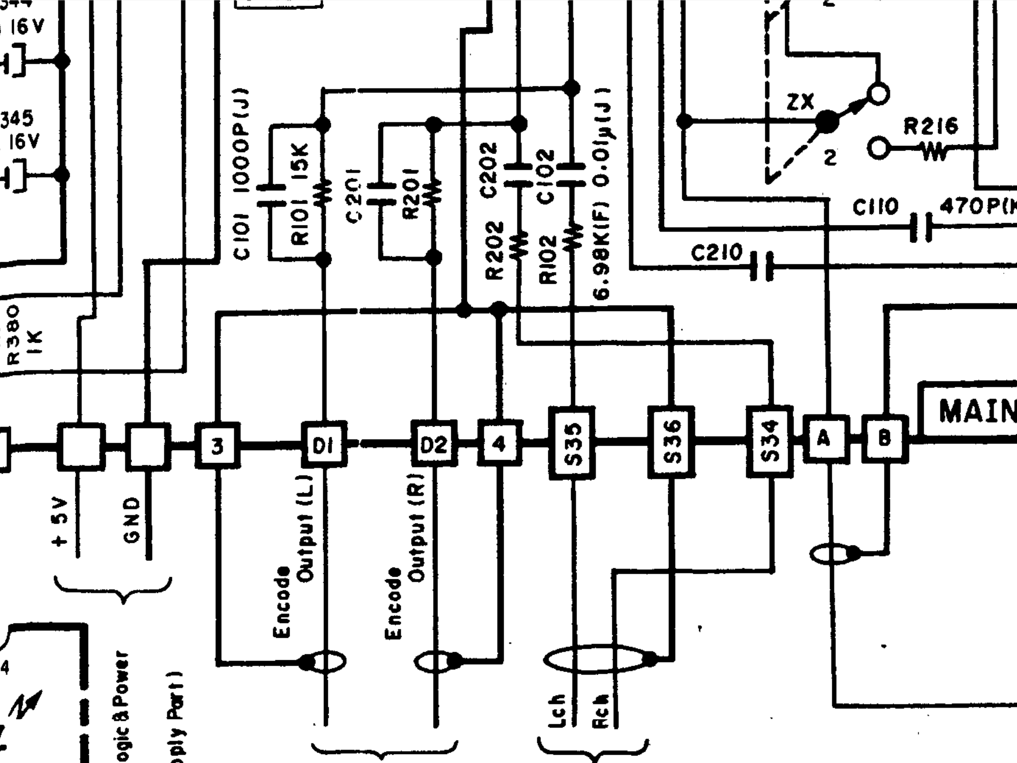
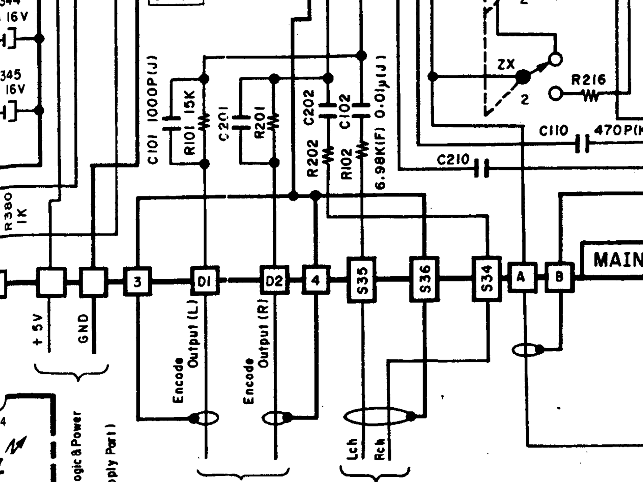
И потом, Олег, в Наке переключатель 70/120 влияет и на запись тоже. При выборе 120 в сигнале в УЗ валится верх. (Цепь R102(202), C102(202). Через них сигнал замыкается на землю. При 70 цепь разрывается. Вот в чём вся хитрость и есть. Переключил и всё. Ничего не надо там потом крутить заново. Хорош уже пургу тут нести.
Изменено: Анатолий Петров - 13-10-2019 01:15:40
Страницы: Пред. 1 ... 314 315 316 317 318 ... 584 След.
Архив Форума Hi-Fi.ru
По 23-5-2020
Портал Hi-Fi.ru более не предоставляет возможностей и сервисов по общению пользователей

1997—2026 © Hi-Fi.ru (Лицензионное соглашение)