| Цитата |
|---|
| Анатолий Петров написал: Ну элементарно же! На плату, где регуляторы скорости стоят (сзади ЛПМ прикручена). Если смотреть на плату со стороны деталей, а контакты для подпайки проводов будут снизу, то первый слева белый, следующий жёлтый. Уж куда подробней объяснять? |
По 23-5-2020
Портал Hi-Fi.ru более не предоставляет возможностей и сервисов по общению пользователей
Akai, Какой кассетник лучший у Akai?
|
18-07-2019 18:42:44
|
|||
|
|
|
|
18-07-2019 19:23:06
Вы же не рассказываете,каким образом победили в акаях "циканье", лет 10 назад,хотя вас и спрашивали... P.S.Не беспокойтесь,человек не имеет к вам претензий - он порядочный. |
|||
|
|
|
|
19-07-2019 09:07:33
Ну вот Яшина не пропустил кал под названием Собянин единая россия, из таких как я, Петров, Цирон, и еще 80% населения страны Едро будет править пока не обнулит все ресурсы, это как в фильме Обливиен, и до полного распада РФ. Одни умеют только языком часать, а другие болеют империализмом-путинизмом.
|
|
|
|
|
|
19-07-2019 11:14:03
- Вот то-то мне и духу придает, Что я, совсем без драки, Могу попасть в большие забияки. Пускай же говорят собаки: "Ай, Моська! знать она сильна, Что лает на Слона!" (с) Анализ басни Слон и Моська Анализируя басню Крылова «Слон и Моська», можно сделать вывод, что у нее несколько смыслов. Первый базируется на том, что сила заключается не в мышцах, а в способности выразить свое мнение словами. Вторая мораль не понравится Моськам, привыкшим наговаривать на себя лишнего и убеждать окружающих в своей уникальности. Людям, которые осознанно создают вокруг себя ареол славы, храбрости и смелости, намного важнее слыть таковыми, а не быть ими на самом деле. Главный герой басни «Слон и Моська» именно Моська. Мелкая собачонка с такой же мелкой душой всеми силами старается привлечь к себе внимание. Но не слона, как может показаться на первый взгляд, а окружающих. Она не бесстрашна и совсем не храбра. Она лишь демонстрирует другим собакам, что ей под силу облаять даже громадного слона. Слону же, по большому счету, все равно, кто там мелькает у него под ногами. Моська прекрасно это понимает, потому и заливается в лае, хвастая подружкам своей наигранной смелостью.
Изменено: - 19-07-2019 11:21:35
Не Боги горшки обжигают! (с)
|
|||
|
|
|
|
19-07-2019 11:41:03
P.S.Не обижайтесь,если в следующий раз вам не удастся зайти на "HI-FI.ru".... |
|||
|
|
|
|
19-07-2019 12:45:05
Каким боком это всё относится к темам про Акаи ? ))))
Ушел до лучших времен
|
|
|
|
|
|
19-07-2019 12:52:02
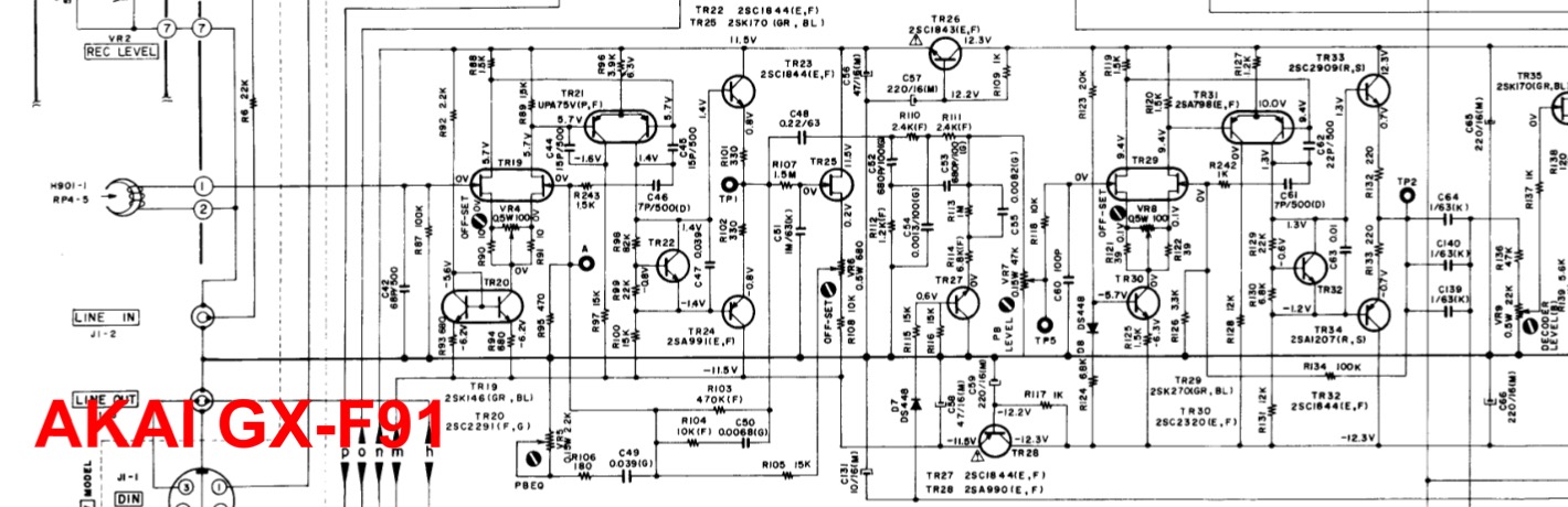
Акаи красивые очень, для красоты в сервант поставить куплю себе akai gx f91
|
|
|
|
|
|
19-07-2019 13:01:28
|
|||
|
|
|
|
19-07-2019 13:48:28
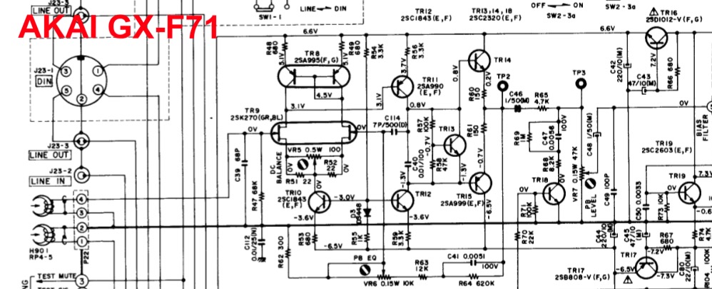
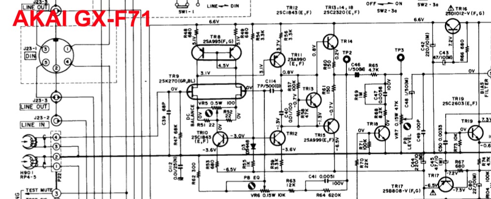
Самые интересные схемотехнически дискретные УВ
делал только AKAI
Изменено: - 19-07-2019 13:51:15
|
||||
|
|
|
|||
По 23-5-2020
Портал Hi-Fi.ru более не предоставляет возможностей и сервисов по общению пользователей
