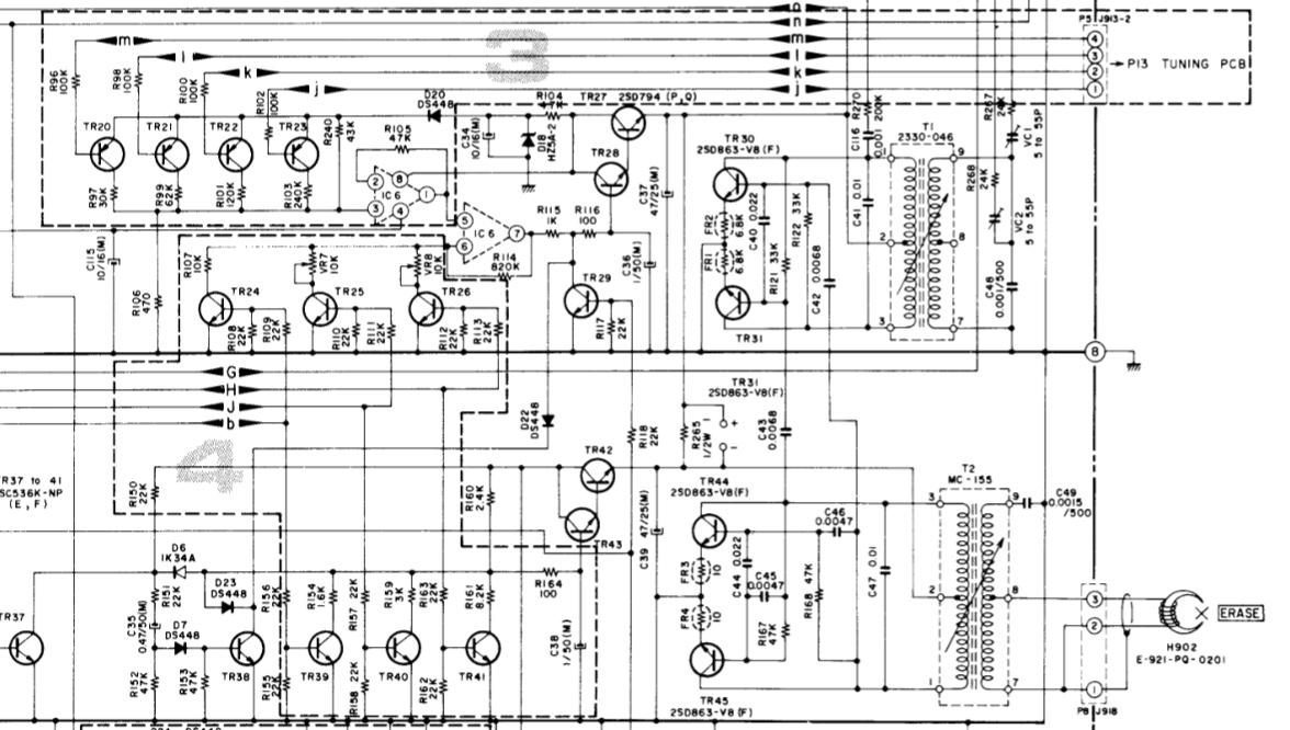
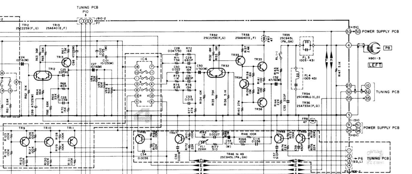
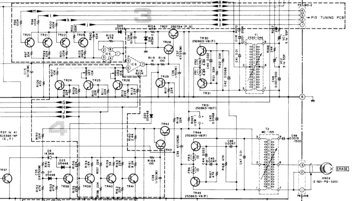
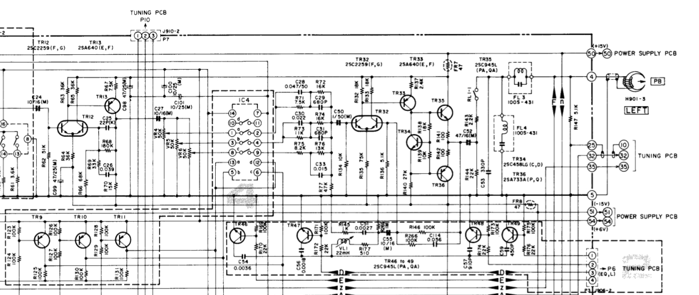
Cреди 75/95 (не МК2), есть УВ с симметрирующим усилителем (суммарно-разностная схема)! Правда мало шумов он не дает, но хорошо подавляет фон от проводов.
Архив Форума Hi-Fi.ru
По 23-5-2020
Портал Hi-Fi.ru более не предоставляет возможностей и сервисов по общению пользователей
По 23-5-2020
Портал Hi-Fi.ru более не предоставляет возможностей и сервисов по общению пользователей
Akai, Какой кассетник лучший у Akai?
|
19-07-2019 14:00:45
|
|
|
|
|
|
19-07-2019 14:02:36
Говорю как владелец |
|||
|
|
|
|
19-07-2019 14:51:05
Только звучали по другому. |
|||
|
|
|
|
19-07-2019 14:58:23
|
|||
|
|
|
|
19-07-2019 15:05:49
Может, они спецом добивались такого звука, типа, фирменный? |
|||
|
|
|
|
19-07-2019 15:08:00
Акай лидер в этом, и еще пионер ct 1200.
|
|
|
|
|
|
19-07-2019 15:08:15
Мастер’Ок
слово дискретные рассмотрел? Или как обычно - охота прокомментировать что угодно |
|
|
|
|
|
19-07-2019 15:10:43
Дима
спасибо будем знать Про то как тебе Россия жить мешает лучше расскажи |
||||
|
|
|
|||
Архив Форума Hi-Fi.ru
По 23-5-2020
Портал Hi-Fi.ru более не предоставляет возможностей и сервисов по общению пользователей
По 23-5-2020
Портал Hi-Fi.ru более не предоставляет возможностей и сервисов по общению пользователей
