Архив Форума Hi-Fi.ru
По 23-5-2020
Портал Hi-Fi.ru более не предоставляет возможностей и сервисов по общению пользователей


Страницы: Пред. 1 ... 8 9 10 11 12 ... 30 След.

Дискретный УВ, Как основа хорошего звука деки

 
 
Олеги
угомонитесь уже оба
:D  
 
 
У многих советских аппаратов звук был заметно лучше японских, но в целом качество и дизайн конструкции были хуже.
 
 
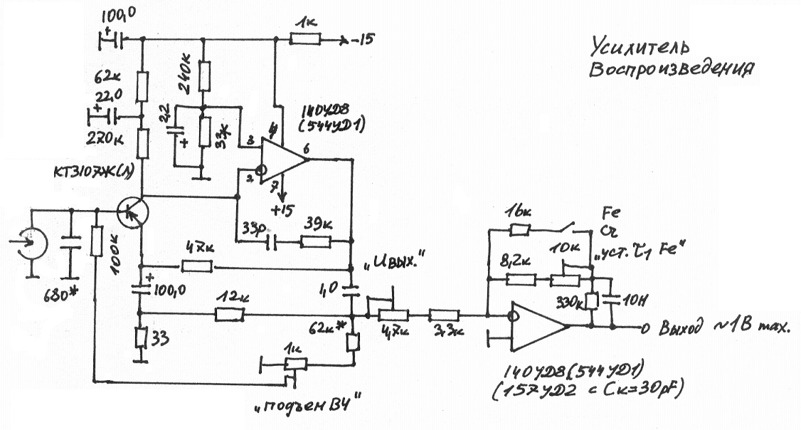
Давайте посмотрим топологию УВ
человека на поряд лучше нас разбиравшегося в МЗ
УВ Евгения Михайловича Лукина
Первый каскад - усиление
Второй каскад - коррекция

Ниже его авторский текст

Этот УВ появился после макетирования УВ Полищука (из "РадiоАматора"). Он оказался барахлом: очень склонен к самовозбуждению на инфранизких частотах. Цепи коррекции АЧХ и конфигурация ОС образуют упрощенный вариант двойного Т-моста, поэтому сам Бог велел "будиться". Поэтому цепи формирования АЧХ (t 1 и t 2) из первого каскада исключены. В результате АЧХ этого каскада стала линейной (при положении резистора "подъем ВЧ" в левом положении). Электролит 100мкФ включен в цепь ООС, поэтому "ионные" искажения отсутствуют. Подъем на ВЧ производится контуром: (ГУ+C = 680пФ). Для увеличения Q этого контура вводится небольшая ПОС (R=62к + подстр. 1к). В результате увеличивается диапазон регулировки подъема ВЧ, максимальная степень подъема устанавливается подбором 62к. Однако надо знать меру - при его уменьшении может появиться самовозбуждение. Второй каскад формирует АЧХ УВ (t 1 и t 2). Резистором 10к производится выравнивание АЧХ на СЧ (регулировка (t 1 , только в режиме "Fе"). Максимальное выходное напряжение - порядка 1,0В. Уменьшить его можно, пропорционально увеличив 4,7к +3,Зк на входе 2 каскада. Можно также увеличить только подстроечный резистор до 10...22к, при этом возрастает диапазон регулировки Uвых.


 
 
Цитата
Партагас написал:
У многих советских аппаратов звук был заметно лучше японских

Если вы не шутите, можно марки этих "многих"?
Может, это секретное производство?
 
 
Если схему Лукина сделать
на современной импортной элементной базе
результат будет еще более впечатляющим
 
 
Цитата
Магнитофоныч написал:
Давайте посмотрим топологию УВчеловека на поряд лучше нас разбиравшегося в МЗ
Это вот что-то сомнительно. Там этот УВ при включении блюмкать сильно должен, из-за сильной асимметрии и зарядки емкостей (100 мкФ микротоком заряжается), голова током биполяра должна намагнититься, т.п.
Выдумал, слушать - и не слушал, наверное.
Входной УВ должен быть полевик. На звук - много лучше, чем биполяр в микротоках, и, действительно, с полевиком кондера не надо.
 
 
и убрать пос
 
 
Цитата
Олег Masterok написал:
Цитата
Партагас написал:
У многих советских аппаратов звук был заметно лучше японских

Если вы не шутите, можно марки этих "многих"?
Может, это секретное производство?
Не шучу, но, справедливости ради, надо отметить, что всё это по воспоминаниям того что было доступно среди знакомых и друзей. Топовых японских дек тогда мне слышать не приходилось, были, как правило, недорогие аппараты из Японии (дешёвка). В сравнении с магами первого и второго классов японские как правило проигрывали. Это мало кем признавалось из-за вау эффекта, типа японское чуда так круто выглядит, что разумеется и играет лучше.  
 
 
Да и это больше катушечников касается чем дек.
 
 
зачем далеко ходить . у шкапе почти незамученная 220 лежит .
полная советских звукойбийственных деталек .
вполне себе годно бухтит)
Страницы: Пред. 1 ... 8 9 10 11 12 ... 30 След.
Архив Форума Hi-Fi.ru
По 23-5-2020
Портал Hi-Fi.ru более не предоставляет возможностей и сервисов по общению пользователей

1997—2026 © Hi-Fi.ru (Лицензионное соглашение)