Архив Форума Hi-Fi.ru
По 23-5-2020
Портал Hi-Fi.ru более не предоставляет возможностей и сервисов по общению пользователей


Страницы: Пред. 1 ... 17 18 19 20 21 ... 30 След.

Дискретный УВ, Как основа хорошего звука деки

 
 
Цитата
Veschii Oleg написал:
Санкио звучал хуже Э-302!!!!! .
сэнсей, закусывай вовремя!
переживаю, как бы бредить не начал..
H_I_G_H _ B_I_A_S
 
 
Цитата
Triac написал:
Цитата
Партагас написал:
Сколько стоила самая дорогая советская дека в долларах? А средняя? Вот в этом ценовом диапазоне и нужно сравнивать
Бред полный, сравнивать надо исходя из покупательной способности, так сказать ценности денег, например 400р это сколько средних зп инженера, вот и сравнивай аппарат за столь ко же средних зп американского инженера в например 1985 году
Вы бы прежде чем диагнозы ставить сходили бы сами к врачу. Проверились.
Так как Вы предлагаете сравнивать нельзя даже сейчас, а тогда в СССР многое было бесплатно что никакой бигмак не посчитает.

"В день своего появления на свет в 1967 году Биг-Мак стоил 47 центов. В следующем году, когда он стал американским национальным стандартом, его цена составила 49 центов. В 1986 году, когда The Economist начал высчитывать Big Mac Index, его цена была уже равна $1,60. Тогда, в 1986-м, в таблице были представлены лишь 15 стран. В 1990 году, то есть, на момент открытия первого советского Макдоналдса на Пушкинской площади в Москве, Биг-Мак стоил 3 рубля 75 копеек, что по официальному курсу советского Госбанка равнялось 6 долларам 18 центам. Средняя заработная плата тогда составляла 248 рублей 50 копеек. Его цена в США была равна 2 долларам 10 центам. После того, как со 2 апреля 1991 года в СССР были отпущены цены, цена Биг-Мака возросла до 10 рублей, что было равно 4,44 доллара. В США Биг-Мак в это время стоил 2 доллара 25 центов."
https://ru.wikipedia.org/wiki/%D0%98%D0%BD%D0%B4%D0%B5%D0%BA%D1%81_%D0%B1%D0%B8%D­0%B3%D0%BC%D0%B0%D0%BA%D0%B0
 
 
Цитата
Владимир Леонов написал:
Цитата
Партагас написал:
Вильма 001 стоила 1900 рублей. Это примерно 200 долларов. С какой западной декой выпущенной в 1982 году по цене 200 баксов будем сравнивать?
Вообще-то,сравнивать желательно серийные аппараты - это аппараты не "нулевой" группы сложности,а "первой"...
Кассетных дек "нулевой" группы сложности было выпущено около ста экземпляров - по количеству закупленных протяжек и "головок"..,как правило - опытные партии.
P.S.Это,в основном,Вильма 001 и Маяк 010.Феникс 010 - говно ещё то...,даже упоминать нет желания.
Владимир, выбирайте любой аппарат. Сравним.
 
 
Цитата
Veschii Oleg написал:
Цитата
Олег Masterok написал:
Пульт управления звиздолетом?
Им самым. Причем за косяки в нашем пространстве так звездолётят, что мало не кажется.  
Олег, заканчивайте порожняк гонять. Используйте свой КПД с пользой.
 
 
Цитата
Владимир Леонов написал:
Олег,заканчивай "рулить" и ближе к теме...
Да это меня местные агрономы всё сподвигают :laughter:


По теме тут совсем мало кто пишет, в основном чешут....клаву...))))))))  Ввырождается форум потихоньку... кабак и сортир остается...   :cry:  
 
 
Цитата
Партагас написал:
10 рублей, что было равно 4,44 доллара.
Тогда рубль был неконвертируемым, официальный курс - по которому пересчитывали в статье - им пользовались только дипломаты и сотрудники МИДа в поездках за границу, и то им меняли немного.
Курс черного рынка в то время я не знаю, но, когда доллар стал торговаться свободно, в 1992 году - его курс стал 142р/доллар.
https://ruxpert.ru/%D0%A1%D1%82%D0%B0%D1%82%D0%B8%D1%81%D1%82%D0%B8%D0%BA%D0­%B0:%D0%98%D1%81%D1%82%D0%BE%D1%80%D0%B8%D1%8F_%D0%BA%D1%83%D1%8­0%D1%81%D0%B0_%D0%B4%D0%BE%D0%BB%D0%BB%D0%B0%D1%80%D0%B0_%D0­%BA_%D1%80%D1%83%D0%B1%D0%BB%D1%8E
Изменено: Олег Masterok - 22-07-2019 18:19:02
 
 
стоп.

будя про доллар, бигмак , кабак и сартир

ближе к теме, ТОВАРИЩИ хоббисты!
:D
------------------------------------------------------------------------------------------


Дискретный УВ, Как основа хорошего звука деки
Изменено: ремонт-NIK - 22-07-2019 18:48:08
H_I_G_H _ B_I_A_S
 
 
Цитата
Александр Циррон написал:
Цитата
Партагас написал:
Пишут что 8-10 рублей за доллар.
В 1990 покупал по 5 рублей.Соответственно ранее он стоил дешевле,думаю до 3 рублей. Странные у Вас источники информации,и что занимательно не первый раз ) Интернет-большая дезинформационная помойка,особенно у блогеров... Ну что может истинно транслировать молодой,пухлый ботан о жизни в СССР ? Выбирайте источники,работайте с информацией)
Александр, Вы не смотрите в корень и причём это уже не первый раз. Берите пример с Анатолия - он быстро всё понял :)

Александр, triac и другие уважаемые форумчане! Давайте забудем про доллар с его курсом и не будем сравнивать покупательную способность инженеров разных стран. Давайте упростим задачу и перейдём только на рубли и только в СССР. В то время на чёрном рынке можно было купить практически любую аппаратуру - только плати. Можно было купить и японскую, и нашу которая тоже в магазинах была, но не всегда. Так вот давайте сравним японский и советский аппараты купленные за одинаковые деньги, за рубли :)

Кстати, я совсем, не хвалю советскую аппаратуру, как многие из вас уже решили. Я за объективность :)

К примеру, Накамичи 1000 был самым лучшим писателем, но в студиях его не использовали :)
Изменено: Партагас - 22-07-2019 19:23:17
 
 
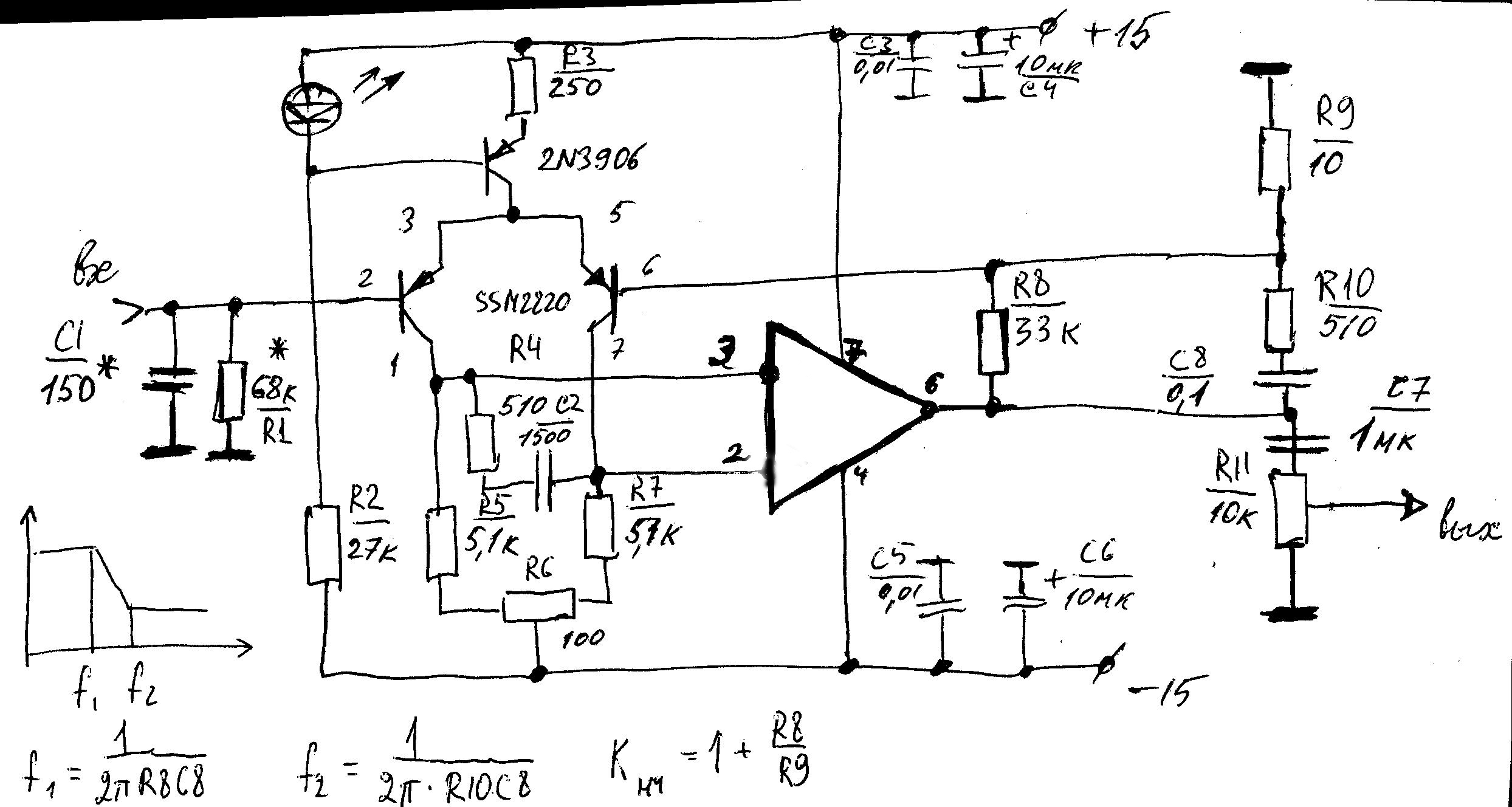
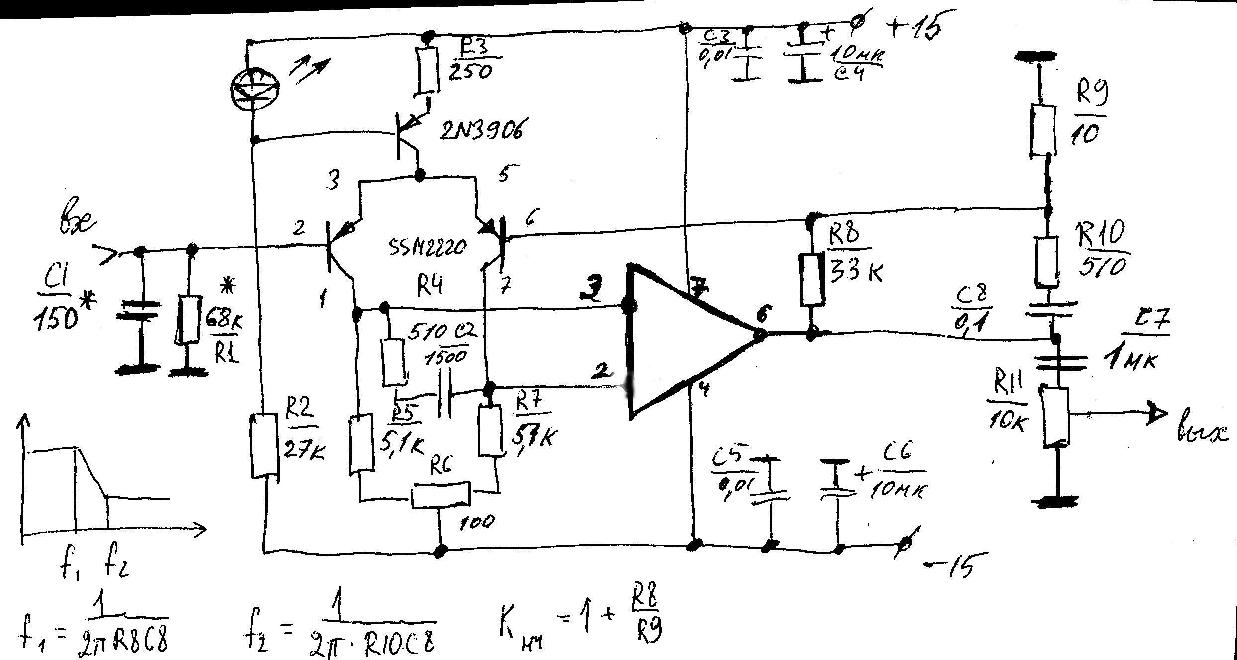
Полудискретный)))))
Фишка этого у-ля во входном дифкаскаде.  Одно плечо, правое, нагружено на малое сопротивление (10Ом), второе на активное сопротивление головки (100-200Ом). Если бы сопротивления были равны то резистор R6 стоял бы в среднем положении и через оба транзистора текли бы одинаковые токи. Все сбалансировано. А здесь, правое плечо почти закрыто, левое открыто. Сместив балансировку путем изменения R6 мы таким образом заставляем левое плечо работать как при режиме, если бы источник был бы равен правому сопротивлению. Т.е как бы получаем "искусственное охлаждение вх сопротивления со стороны источника". Идея М. Яховского, моя реализация применительно к УВ. Изначально схема позиционировалась для линий с сопротивлением 5-10Ом и микрофонов (даташит на ССМ2220).
Однако опыт показал, что при такой идеологии шум искусственно уменьшается (а точнее не возрастает за счет активного сопротивления источника, так корректнее). Но зависимость сопротивления головки от частоты тут никто не отменяет.
Разумеется порог шума определяет токовый шум, обусловленный конечностью сопротивлений коллекторов (о чем писали мне на Веге и я согласился, что при допиливании можно их уменьшить, но на практике встречались УВ и с гораздо большими значениями коллекторных резисторов))))).
Схема адаптирована для УВ приведены ф-лы для расчета. Схема опробована в 90х гг на самодельной "доске", играла хорошо и красиво, могла конкурировать с УВ на отеч. ОУ общего применения или даже на К548, но, конечно, проигрывала поступившим в продажу в конце 90х  ОР27 и ОР37, поэтому была заменена. Вот как-то так.    
УВ.jpg (438.97 КБ)
 
 
Надо запретить Олегу рисовать и выкладывать схемы. Сплошные ошибки :)
Страницы: Пред. 1 ... 17 18 19 20 21 ... 30 След.
Архив Форума Hi-Fi.ru
По 23-5-2020
Портал Hi-Fi.ru более не предоставляет возможностей и сервисов по общению пользователей

1997—2026 © Hi-Fi.ru (Лицензионное соглашение)