Архив Форума Hi-Fi.ru
По 23-5-2020
Портал Hi-Fi.ru более не предоставляет возможностей и сервисов по общению пользователей


Страницы: Пред. 1 ... 19 20 21 22 23 ... 30 След.

Дискретный УВ, Как основа хорошего звука деки

 
 
Цитата
Triac написал:
550р стоила в 1986году вильма 104,  вильма 102 стоила под 700рэ
А сейчас транзисторы без ног на вес покупают... поубывав бы...И это при 1 (одном) мг золота в 1 штуке.
"Транзисторы типа КТ209-310-502-503 в пластмассовом корпусе, времён СССР.б/у.1кг без ног покупаю 20000руб."
Не Боги горшки обжигают! (с)
 
 
Опять в старческой дрисне все ветки тематические
Дебилы блять ...
Памперсы попросите уже жен вам купить

:laughter:  
 
 
#204
адресовано неопределенному кругу лиц
любые совпадения случайны
 
 
Максимум на какую сделку со следствием можно пойти
Это хуй с ним - полудискрет
Дискрет и ОУ
Тоже давайте прочешем про них

Дисклеймер
Расстреляю всех из самого нового и крунокалиберного говномета
И бластера с самым высокотоксичным поносом
Кто не про дискрет
или хуй с ним
про полудискрет
 
 
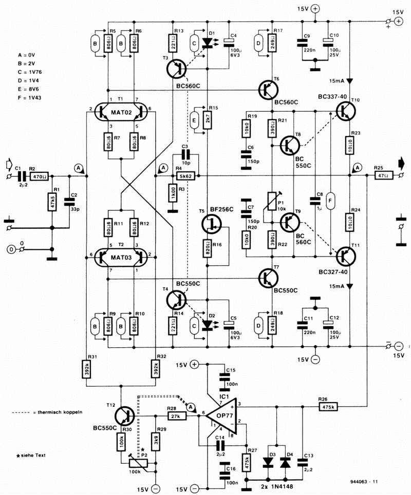
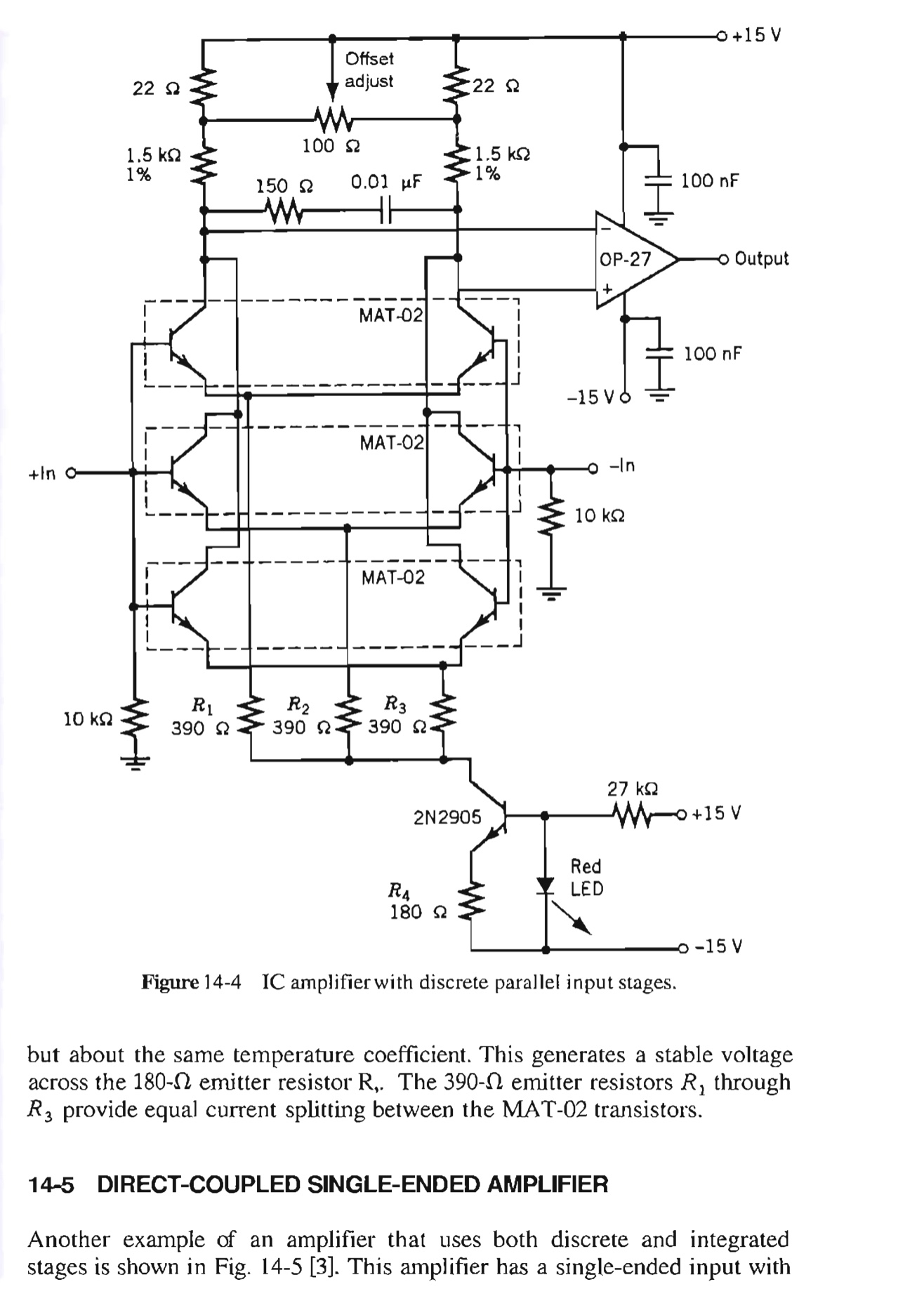
Полудискрет от
Матченбахер и Коннелли 1993 год
 
 
Цитата
Магнитофоныч написал:
Полудискрет от
Матченбахер и Коннелли 1993 год
У Профитмастера в усилителе похожая идеология.
 
 
Цитата
Анатолий Петров написал:
в усилителе похожая идеология.
Так и у наших японок титьки торчком
 
 
Хороший линейный усилитель из ELEKTOR
 
 
Андро
в моем ушнике выходные транзисторы работают
со смещением по постоянному току в 1,2 В
поэтому выходной каскад работает в режиме А
в наковском - без смещения в режиме В

дальше сам
 
 
а дальше я продолжил замену коренного на 49720 .
Страницы: Пред. 1 ... 19 20 21 22 23 ... 30 След.
Архив Форума Hi-Fi.ru
По 23-5-2020
Портал Hi-Fi.ru более не предоставляет возможностей и сервисов по общению пользователей

1997—2026 © Hi-Fi.ru (Лицензионное соглашение)