Офигенный опер!
Архив Форума Hi-Fi.ru
По 23-5-2020
Портал Hi-Fi.ru более не предоставляет возможностей и сервисов по общению пользователей
По 23-5-2020
Портал Hi-Fi.ru более не предоставляет возможностей и сервисов по общению пользователей
Дискретный УВ, Как основа хорошего звука деки
|
22-07-2019 23:36:55
|
|
|
|
|
|
23-07-2019 10:55:07
афтар 5 лет(!) штаны в МЭИ протирал..
он просто неудачно прихватизировал схему из даташита на ССМ
H_I_G_H _ B_I_A_S
|
|||||
|
|
|
|
23-07-2019 10:56:30
|
|||
|
|
|
|
23-07-2019 11:35:24
удачно лизнул!
H_I_G_H _ B_I_A_S
|
|
|
|
|
|
23-07-2019 11:38:34
|
|
|
|
|
|
23-07-2019 13:53:42
Эксклюзифф... из личной коллекции... УВ Сони TC-9000F-2.
Из приколов, напряжение питания 65В. |
|
|
|
|
|
23-07-2019 14:17:35
Изменено: - 23-07-2019 14:20:36
Ушел до лучших времен
|
|||
|
|
|
|
23-07-2019 14:33:30
Надо схему глазами посмотреть, а не как всегда. +65 там есть.
|
|
|
|
|
|
23-07-2019 14:52:25
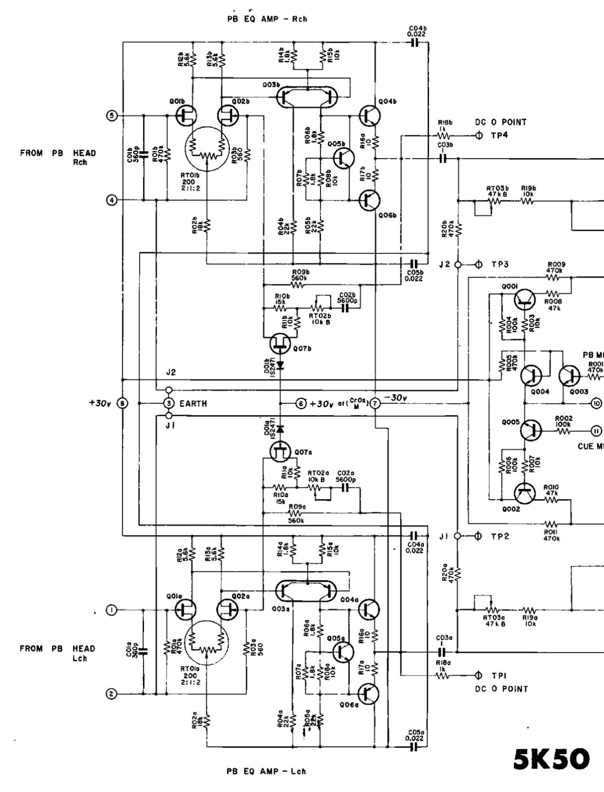
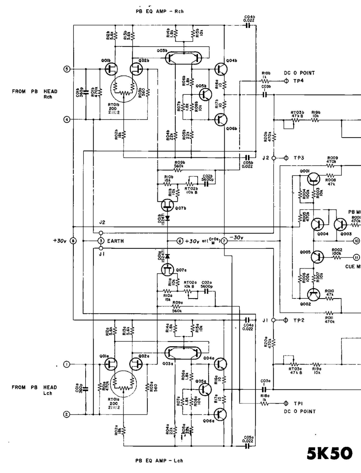
В LUXMAN 5K50 ± 30 В в питании
|
|
|
|
|
|
23-07-2019 14:54:31
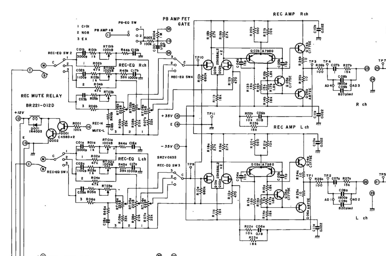
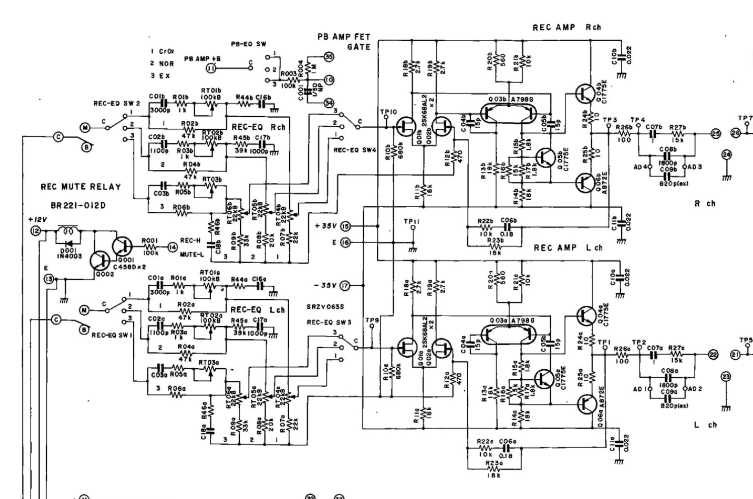
И даже ± 35 В в УЗ
|
||||
|
|
|
|||
Архив Форума Hi-Fi.ru
По 23-5-2020
Портал Hi-Fi.ru более не предоставляет возможностей и сервисов по общению пользователей
По 23-5-2020
Портал Hi-Fi.ru более не предоставляет возможностей и сервисов по общению пользователей
