Прям да
Архив Форума Hi-Fi.ru
По 23-5-2020
Портал Hi-Fi.ru более не предоставляет возможностей и сервисов по общению пользователей
По 23-5-2020
Портал Hi-Fi.ru более не предоставляет возможностей и сервисов по общению пользователей
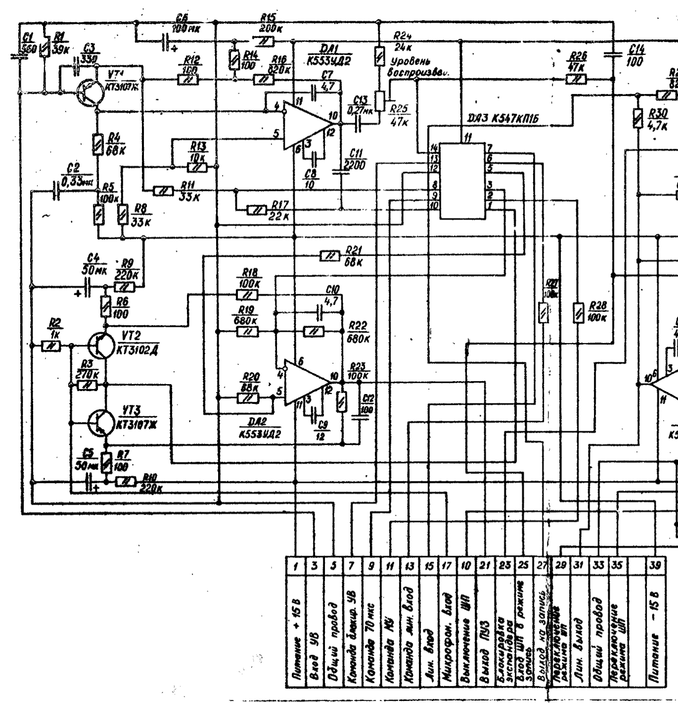
Дискретный УВ, Как основа хорошего звука деки
|
20-07-2019 12:21:06
|
|
|
|
|
|
20-07-2019 12:25:04
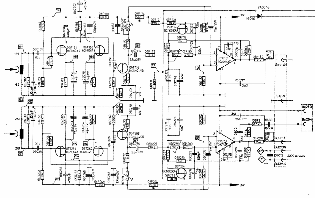
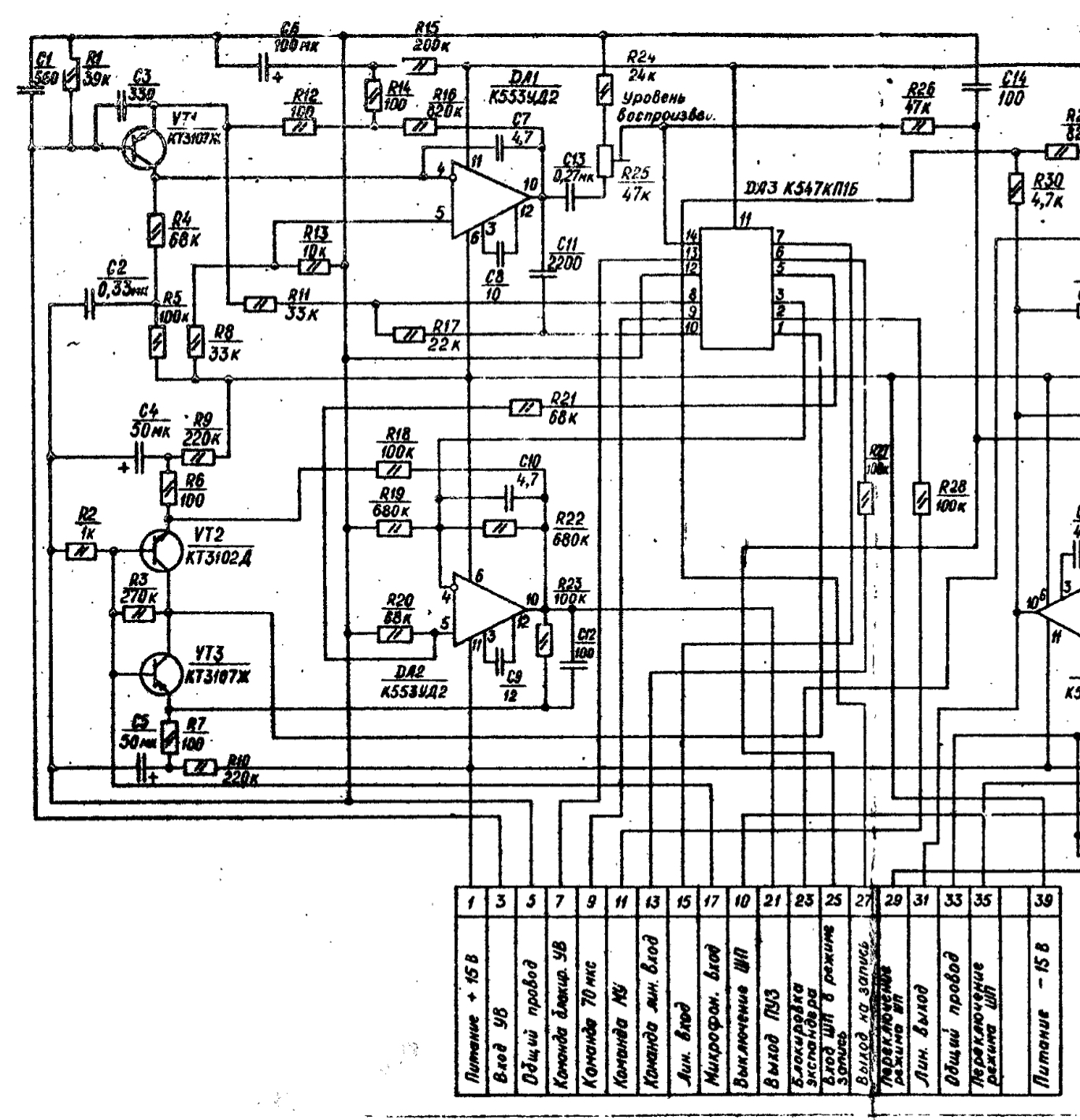
УВ TANDBERG 3004
|
|
|
|
|
|
20-07-2019 12:26:15
Х-во, башка намагничиваться будет током базы.
|
|
|
|
|
|
20-07-2019 12:32:45
Не будет
у тандбергов очень низкоимпедансные головы все ГС вообще сотни микрогенри |
|
|
|
|
|
20-07-2019 12:46:57
И да
Почему этой проблемой не озаботились другие кроме тебя? 1. МАЯК 010 2. ЯУЗА 221-2 3. УВ Сухова |
|
|
|
|
|
20-07-2019 12:52:12
Ещё ув юмига 1000 забыли)
УВ аркама может считаться дискретным?)
Изменено: - 20-07-2019 12:55:42
|
|
|
|
|
|
20-07-2019 13:09:29
Ничто не забыто
мы только начинаем |
|
|
|
|
|
20-07-2019 13:13:06
Синдром им.Никитина в период расцвета заболевания
|
|
|
|
|
|
20-07-2019 13:22:52
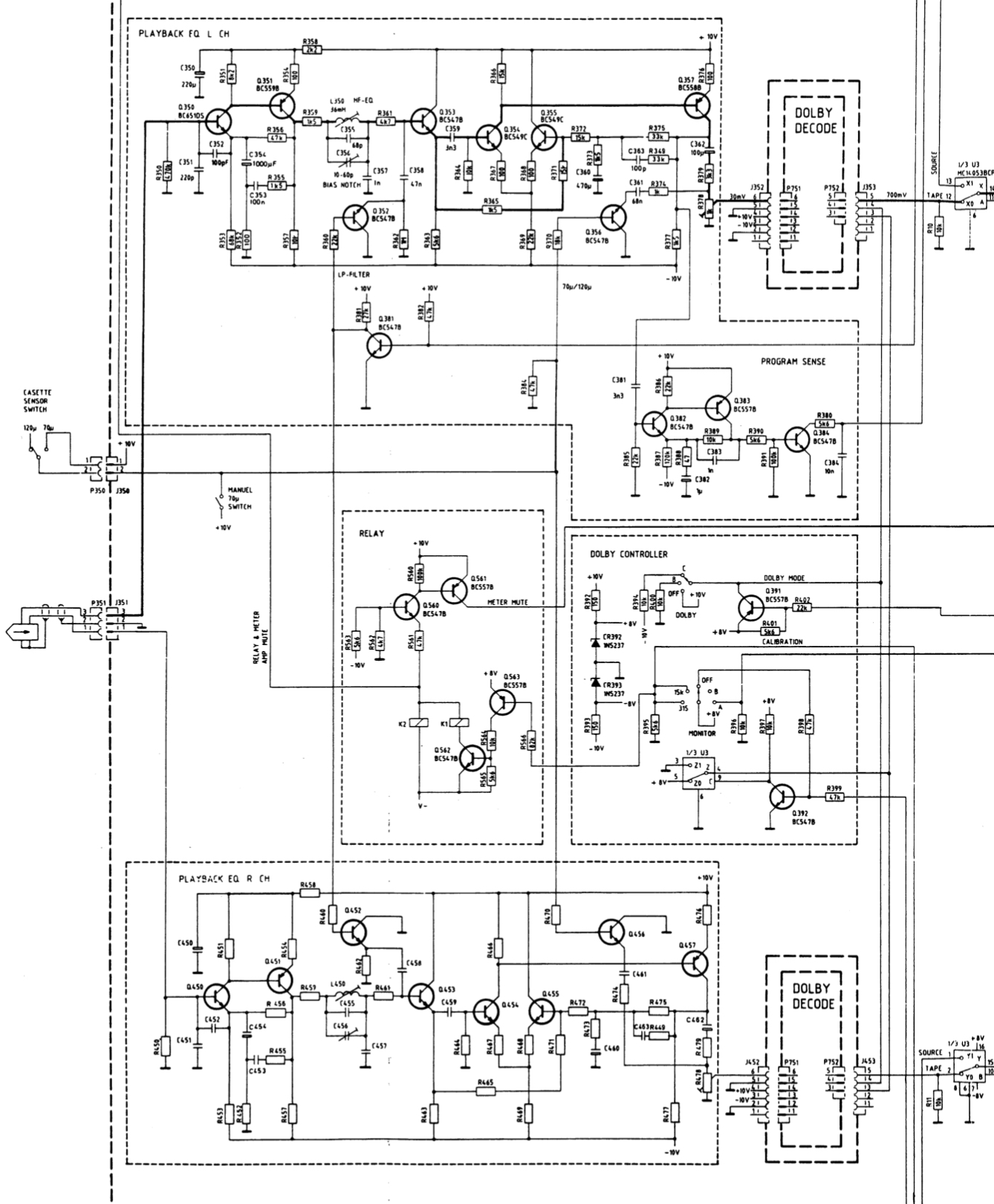
Он не дискретный полностью как те схемы,
о которых мы сдесь собрались говорить Только входной каскад на параллельных ПТ |
|
|
|
|
|
20-07-2019 13:33:12
И вкупе с ферритовой головой имеет вот такую чудную АЧХ воспроизведения
|
||||
|
|
|
|||
Архив Форума Hi-Fi.ru
По 23-5-2020
Портал Hi-Fi.ru более не предоставляет возможностей и сервисов по общению пользователей
По 23-5-2020
Портал Hi-Fi.ru более не предоставляет возможностей и сервисов по общению пользователей
