Посмотрю.
Архив Форума Hi-Fi.ru
По 23-5-2020
Портал Hi-Fi.ru более не предоставляет возможностей и сервисов по общению пользователей
По 23-5-2020
Портал Hi-Fi.ru более не предоставляет возможностей и сервисов по общению пользователей
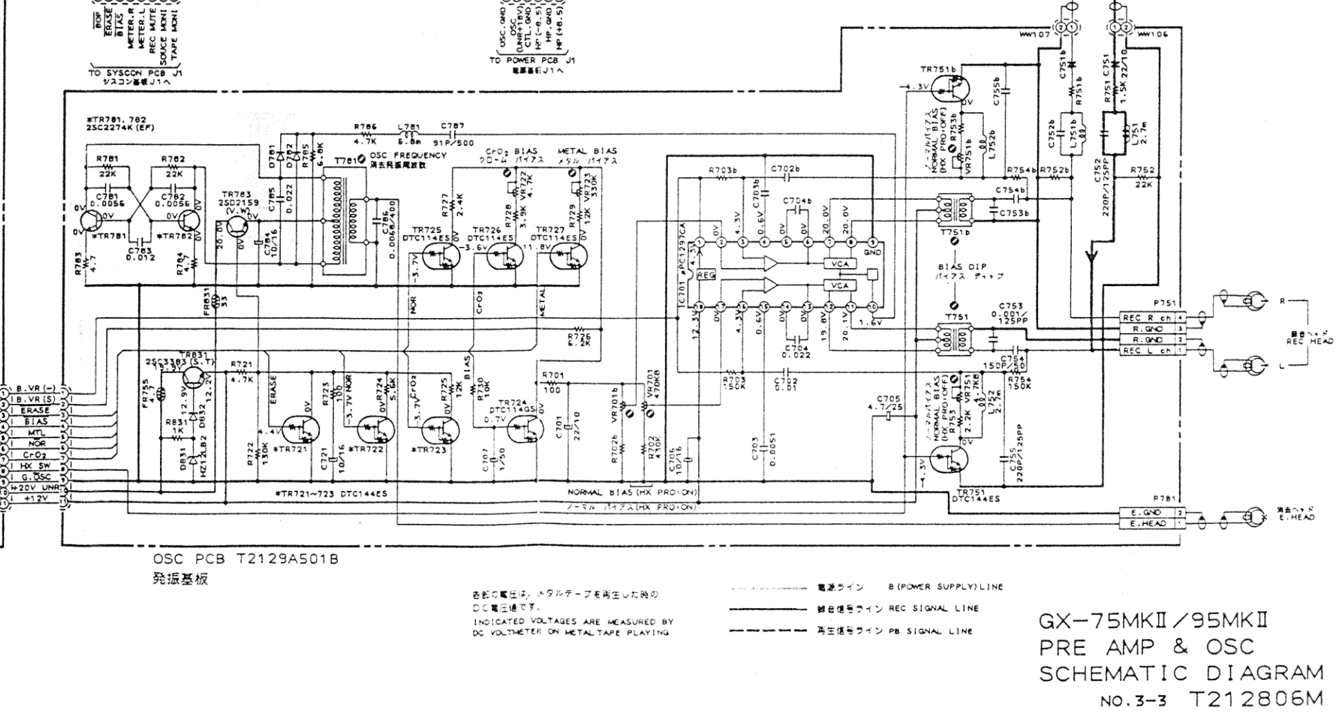
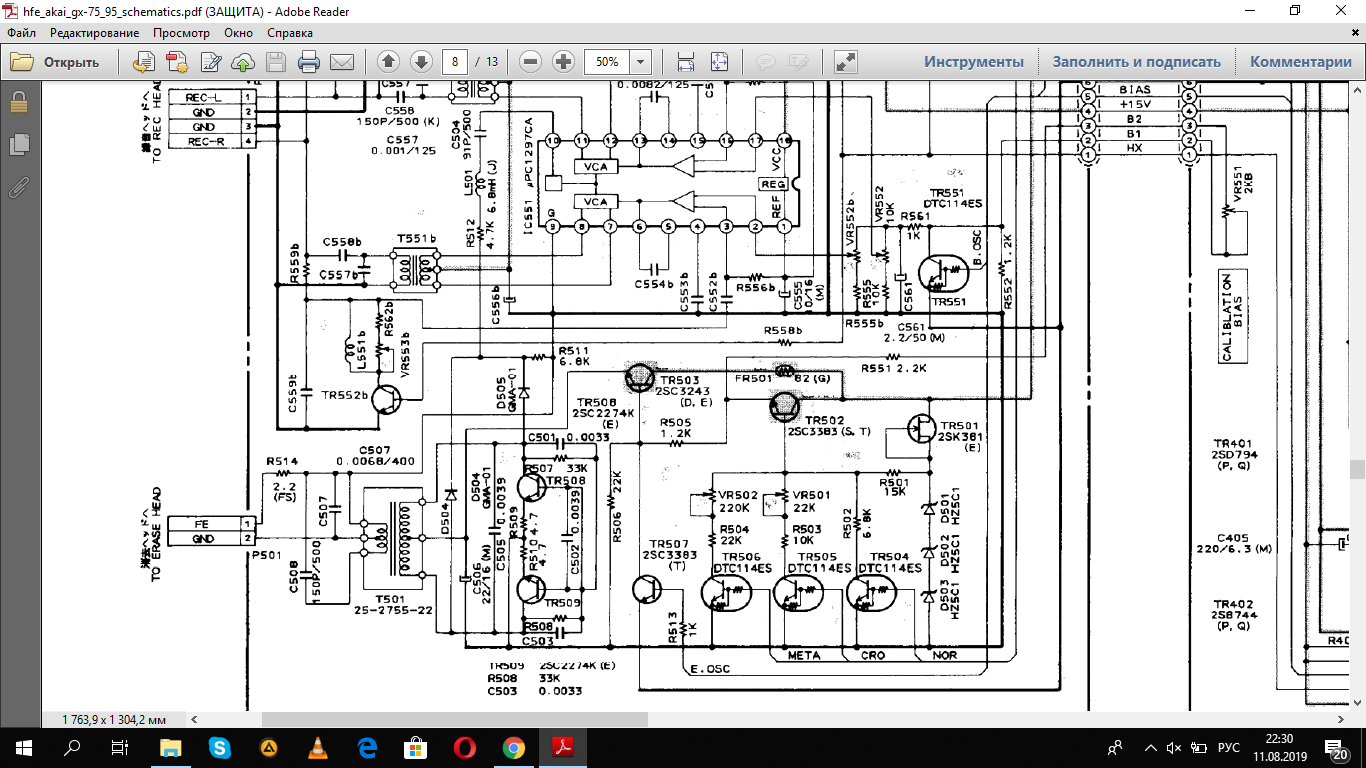
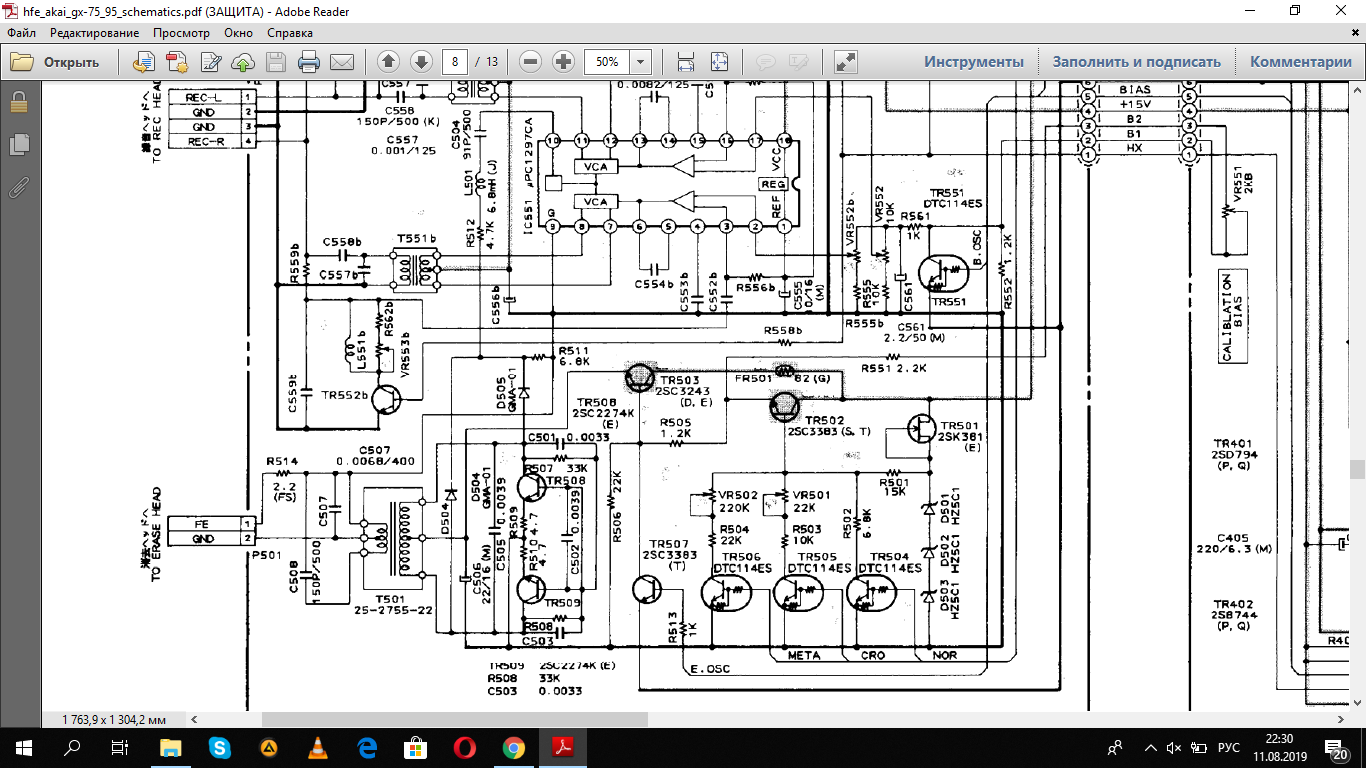
Удвоитель частоты ГСП
|
11-08-2019 19:00:32
|
|
|
|
|
|
11-08-2019 22:21:36
уже покурил . так же исполнено и в 910 айве
|
|
|
|
|
|
11-08-2019 22:26:42
Оригинально и просто
без всяких перемножителей и синхронизация полная |
|
|
|
|
|
11-08-2019 22:34:50
95 без мк такой же .
только это все - для сдп ) я же хотел умножить в ГЗ отправить . |
|
|
|
|
|
11-08-2019 22:36:31
Андро
ну открой ты Лукина не надо на ГС отправлять слишком большую частоту |
|
|
|
|
|
11-08-2019 22:42:18
А подмагничивание с высокой частотой дает более плавную огибающую
и там это оправдано Если не убедил Твое дело Твое тело - твое дело
Изменено: - 11-08-2019 22:42:48
|
|
|
|
|
|
11-08-2019 22:48:06
Не надо меня убеждать . Я в курсе . И я не очень хочу стирать повышенной частотой .
У 1000zxl стирание - 52.5 кГц .
Изменено: - 11-08-2019 22:48:35
|
|
|
|
|
|
11-08-2019 22:48:53
|
||||
|
|
|
|||
Архив Форума Hi-Fi.ru
По 23-5-2020
Портал Hi-Fi.ru более не предоставляет возможностей и сервисов по общению пользователей
По 23-5-2020
Портал Hi-Fi.ru более не предоставляет возможностей и сервисов по общению пользователей
