Архив Форума Hi-Fi.ru
По 23-5-2020
Портал Hi-Fi.ru более не предоставляет возможностей и сервисов по общению пользователей


Страницы: Пред. 1 ... 10 11 12 13 14 ... 37 След.

Удвоитель частоты ГСП

 
 
Цитата
Олег Masterok написал:
Дык там написано 105 кГц и на стиралку, и на запись , и усе.... Что с чем синхронить-то?
На блок схеме нарисовано два разных генератора и приходит внешний сигнал синхронизации (TS).
Цитата
Магнитофоныч написал:
хотя не читали полного собрания твоих сочинений
Умные, суки, видать! :D  
 
 
Цитата
Магнитофоныч написал:
Только 03, 04, 05не вызывайте больше
Это как? :o
В 03 и 04 посчитайте количество генераторов - удивитесь.
P.S.По поводу отключения ГенС - ищите другой мануал. ;)  
 
 
Цитата
Магнитофоныч написал:
В катушкометр сунь сперваГС и ее имитатор
Обязательно!  Я же написал, что кэноновских ГС у меня есть :D  Подберу с мин. отличием)
 
 
Цитата
Владимир Леонов написал:
Это как?
В 03 и 04 посчитайте количество генераторов - удивитесь.
P.S.По поводу отключения ГенС - ищите другой мануал.  
Это юмор у меня такой

Вы начали с 03, 04
И закончили на 05
Имели в виду Лаксманы
наверное

Я имел в виду
03 - скорая
04 - газовая
05 - еще какая нибудь неотложка (может мафонная как раз)

Мне число генераторов в этих деках считать не надо
я их знаю
 
 
Синхронизация между
генераторами стирания и подмагничивания
происходит за счет емкостной связи
которая исключает биения между ними
 
 
И эти люди
запрещают мне ковыряться в носу :!:

Охуевайтунг в натюрлихъ
 
 
Цитата
Магнитофоныч написал:
Мне число генераторов в этих деках считать не надоя их знаю
В 03-й их три и генератор стирания не синхронизирован с генераторами подмагничивания - см блок схему.
И они не синхронизированы.
P..S.Я могу что-то забыть - естественно,но ковырять в "носу"(как вы) не буду.... :D  
 
 
Космонавт совсем ку-ку
 
 
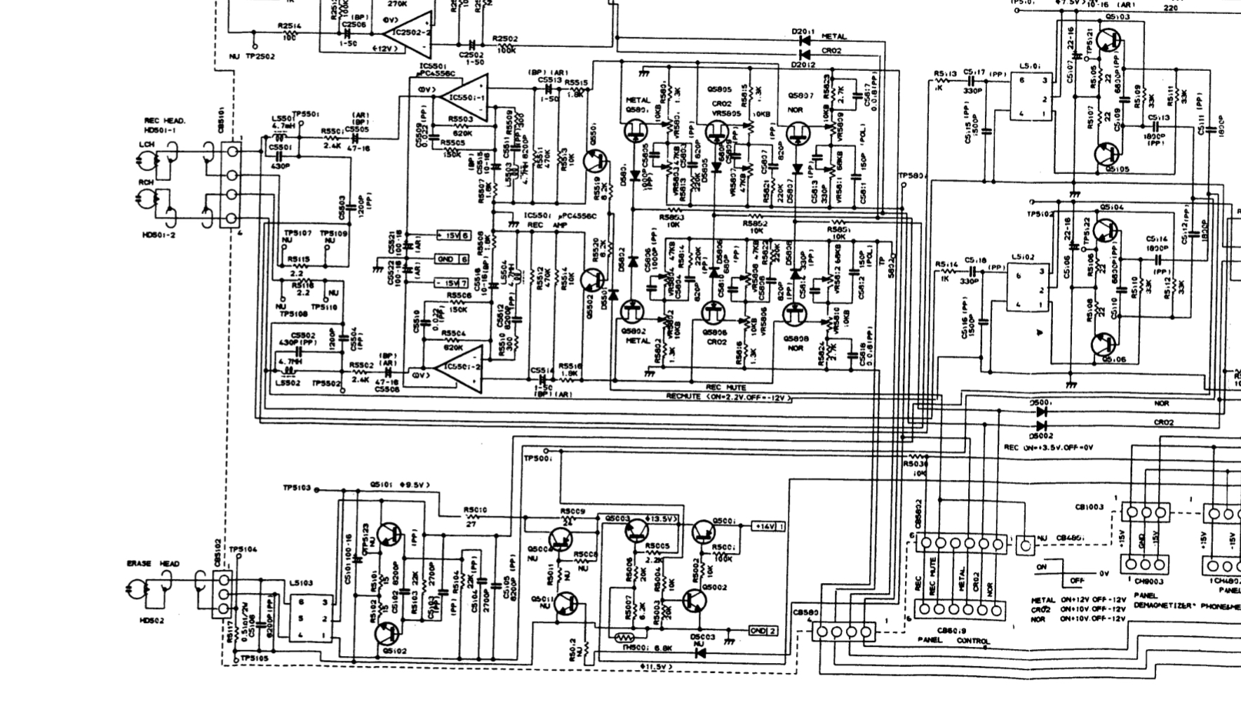
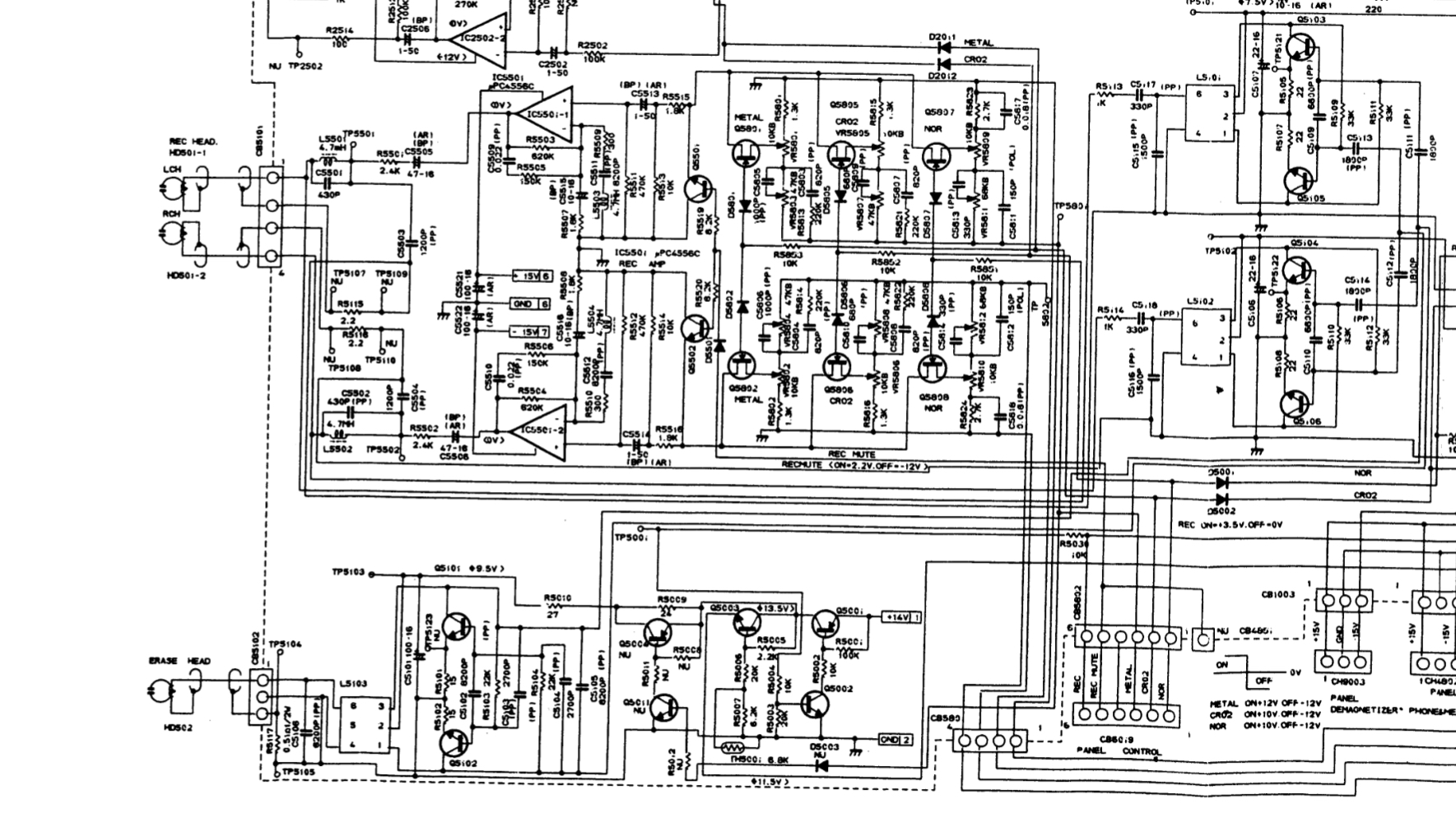
Посмотрел я 05-й, генератор подмагничивания отдельный, действительно, есть, но он на 105 кГц, умножителя там нет. И в описухе напёсано, что контролировать 105кГц подмагн., о 210 нигде не написано.
Господа фантазеры.
Возбуждение генератора подмагн. идет прямо с генератора стирания через кондер.
Зачем так сделано, не очень понятно, думаю, чтоб регулировать подмагн и стирание отдельно можно было.
 
 
Надоело, если честно
профилактикой ваших маразмов заниматься

Но я упрямый

Взгляните куда идут проводчки от С5105
?

Теперь поговорим о синхронизации
которой по вашему нет
Страницы: Пред. 1 ... 10 11 12 13 14 ... 37 След.
Архив Форума Hi-Fi.ru
По 23-5-2020
Портал Hi-Fi.ru более не предоставляет возможностей и сервисов по общению пользователей

1997—2026 © Hi-Fi.ru (Лицензионное соглашение)