Архив Форума Hi-Fi.ru
По 23-5-2020
Портал Hi-Fi.ru более не предоставляет возможностей и сервисов по общению пользователей


Страницы: Пред. 1 ... 23 24 25 26 27 ... 48 След.

YAMAHA GT-750, GT-1000, GT-2000

 
 
Цитата
Николай  пишет:
А как себя ведет индикатор, если не использовать выносной блок?
мигает при вкл и выкл  пока не наберет стабильные обороты.

поддерживаю гипотезу о большем пусковом токе.
но думаю что на звук не должно влиять тк и обрезанный транс обеспечивает мотор с запасом.

Андрей Бочаров поставит похоже точку в этих догадках.
 
 
Цитата
v_i_t_e_k  пишет:
Андрей Бочаров поставит похоже точку в этих догадках.
Дней через десять узнаем.
_DSC1431.jpg (91.43 КБ)
_DSC1432.jpg (104.03 КБ)
С уважением, Александр!
 
 
Всем привет! Получил сегодня обновленный блок питания от Александра. Корпус тот же, вес явно больше. Подключил и... никаких отличий от предыдущего и от японской подделки. Диск стоит - светодиод мигает, диск разгоняется - светодиод мигает, разогнался - горит. Разгоняется не быстрее, чем с прежними блоками, тормозит не резче, все один в один. На звук, само собой, каких либо влияний не замечено.
 
 
Спасибо за информацию.
Итак, ларчик НЕ просто открывался!))
"С жульём, допустим, надо бороться!"

https://www.youtube.com/watch?v=mh1Q1wFpGOw
 
 
В принципе, я самого начала говорил, что не думаю, что дело в мощности силового трансформатора.
Тут вопрос вот в чем. Чтобы светодиод мигал, нужно чтобы им управлял какой-то генератор, либо специально для этого сделанный, либо "паразитный". В блоке питания такого генератора нет. Значит, делаем вывод, что он есть в схеме самого проигрывателя. Вопрос, как он запускается?
Если бы кто мог сделать подробные фото плат проигрывателя, думаю, вопрос был бы решен. Либо, может у кого есть мануал на YOP-1 не на японском языке?

А вот как был решен вопрос с мигающим светодиодом одним из владельцев японского клона. Я бы сказал, радикально. :)
6.jpg (339.48 КБ)
Изменено: Александр Семенков - 24-05-2017 11:21:26
С уважением, Александр!
 
 
Цитата
Александр   Семенков пишет:
Если бы кто мог сделать подробные фото плат проигрывателя, думаю, вопрос был бы решен. Либо, может у кого есть мануал на YOP-1 не на японском языке?  
c аудиокармы разве не достаточно?
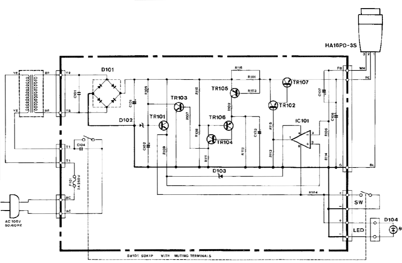
yop1_sch.jpg (262.91 КБ)
yop1_pcb.jpg (549.54 КБ)
yop1_bom.jpg (272.72 КБ)
Изменено: ardi - 24-05-2017 19:57:40
 
 
Сергей! Всё это у меня есть и я об этом писал. Мне интересно, как подключен внешний блок к схеме самого проигрывателя? Поэтому и хотел взглянуть на более детальные фото плат проигрывателя.
Ведь чудес не бывает. Если всё сделано по схеме YOP-1, то и работать должно так же.
Кстати в схеме блока питания есть блок, следящий за током потребления. При превышении его значения примерно 2А управляющий транзистор закрывается. Интересно, зачем это нужно? До двух ампер никакого влияния на работу БП этот блок не оказывает.
Изменено: Александр Семенков - 24-05-2017 20:06:59
С уважением, Александр!
 
 
Цитата
Александр   Семенков пишет:
Сергей! Всё это у меня есть и я об этом писал. Мне интересно, как подключен внешний блок к схеме самого проигрывателя? Поэтому и хотел взглянуть на более детальные фото плат проигрывателя.  
Фото плат вроде как там тоже есть.
Как я понимаю нужна схема вертушки?
 
 
Фото там есть, но очень мелкие. Не видно, куда подключен кабель от XLR разъема. Понятно, что к блоку питания и понятно, что кабель от индикаторов скорости подключен к нему же. Но, не более... Хотелось бы подробнее.
С уважением, Александр!
 
 
Здравствуйте, хоть тема и подзатихла, но может кто и ответит. А вопрос такой: чем отличается Yamaha GT 2000L от GT 2000 кроме цвета и лифта YAL-1
Страницы: Пред. 1 ... 23 24 25 26 27 ... 48 След.
Архив Форума Hi-Fi.ru
По 23-5-2020
Портал Hi-Fi.ru более не предоставляет возможностей и сервисов по общению пользователей

1997—2026 © Hi-Fi.ru (Лицензионное соглашение)