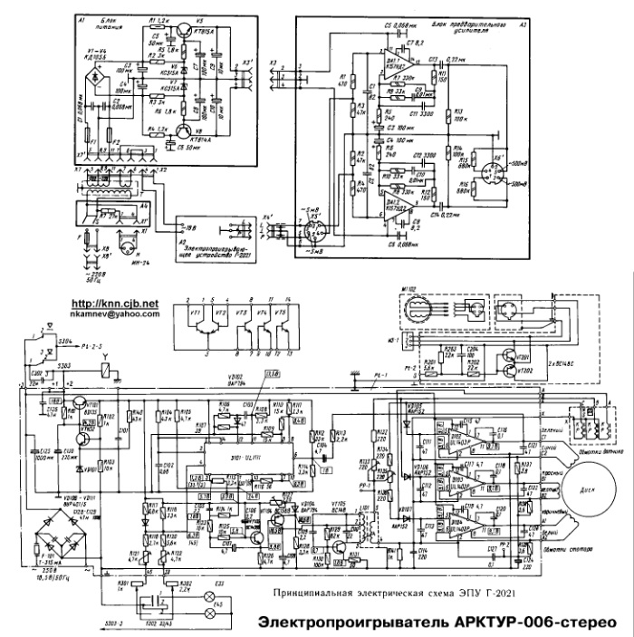
Добрый день.
Не нахожу отдельного земляного провода,не должно быть?
Небось фонить будет,включить не могу пока,нет сетевого шнура.
Тоже проблема,где взять.
С Уважением,
Не нахожу отдельного земляного провода,не должно быть?
Небось фонить будет,включить не могу пока,нет сетевого шнура.
Тоже проблема,где взять.
С Уважением,


