Архив Форума Hi-Fi.ru
По 23-5-2020
Портал Hi-Fi.ru более не предоставляет возможностей и сервисов по общению пользователей


Страницы: Пред. 1 ... 238 239 240 241 242 ... 269 След.

Фонокоры Sander'z: есть обьективные мнения?

 
 
Цитата
alekssvru  пишет:
Какова цена этого БП? И подойдёт ли он к 1210 MK2?
Написал Вам в личку.
С уважением, Александр!
 
 
Блок питания для проигрывателя Michell Gyro SE с мотором постоянного тока взамен утерянного.
_DSC3051.JPG (428.02 КБ)
_DSC3050.JPG (375.73 КБ)
_DSC3052.JPG (400.37 КБ)
_DSC3056.JPG (300.74 КБ)
С уважением, Александр!
 
 
Вопрос автору.
Есть ли в программе полностью балансный фонокоректор МС?
От входа до выхода.
Например как CEC PH53.
 
 
Не озадачивался пока таким вопросом. Но в ближайшее время вряд ли.
С уважением, Александр!
 
 
Почему?  Ведь это явный путь к скачку по качеству звука, ну и явного снижения фона и прочих неприятностей связанных с усилением низковольтных сигналов.
Кстати есть схема PH53.
 
 
И ещё  PS AUDIO GCPH
 
 
Цитата
Евгений  пишет:
Ведь это явный путь к скачку по качеству звука
С МС секцией на операционниках возможен "скачок"?
Вещий Олень:
Числилась как "модель 930 ST". Запомнилось по ST как Stanton. Но на самом деле ЕМT.
 
 
Ничего против современных операционных усилителей не имею, и кстати чем несколько отдельных транзисторов с выводами и кучей емкостного и резистивного паразитного влияния этих элементов в купе с их соединениями на плате , лучше однокристальных элементов без указанного гемороя не понимаю.
В раздельно компонентных схемах целое искуство оптимизировать разводку плат. И это мало кому дается. Но не суть.
Но все же где в МС  операционники увидели в CEC или не про него разговор?
Изменено: Евгений - 01-12-2017 18:44:26
 
 
Цитата
Евгений  пишет:
Ничего против современных операционных усилителей не имею, и кстати чем несколько отдельных транзисторов с выводами и кучей емкостного и резистивного паразитного влияния этих элементов в купе с их соединениями на плате , лучше однокристальных элементов без указанного гемороя не понимаю.  
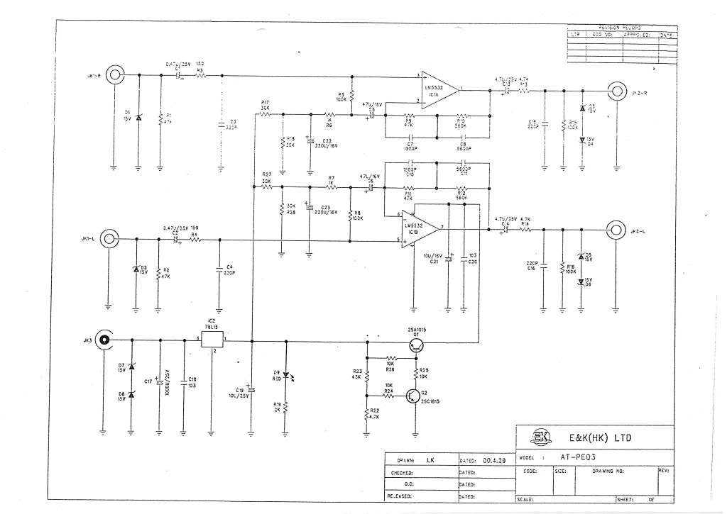
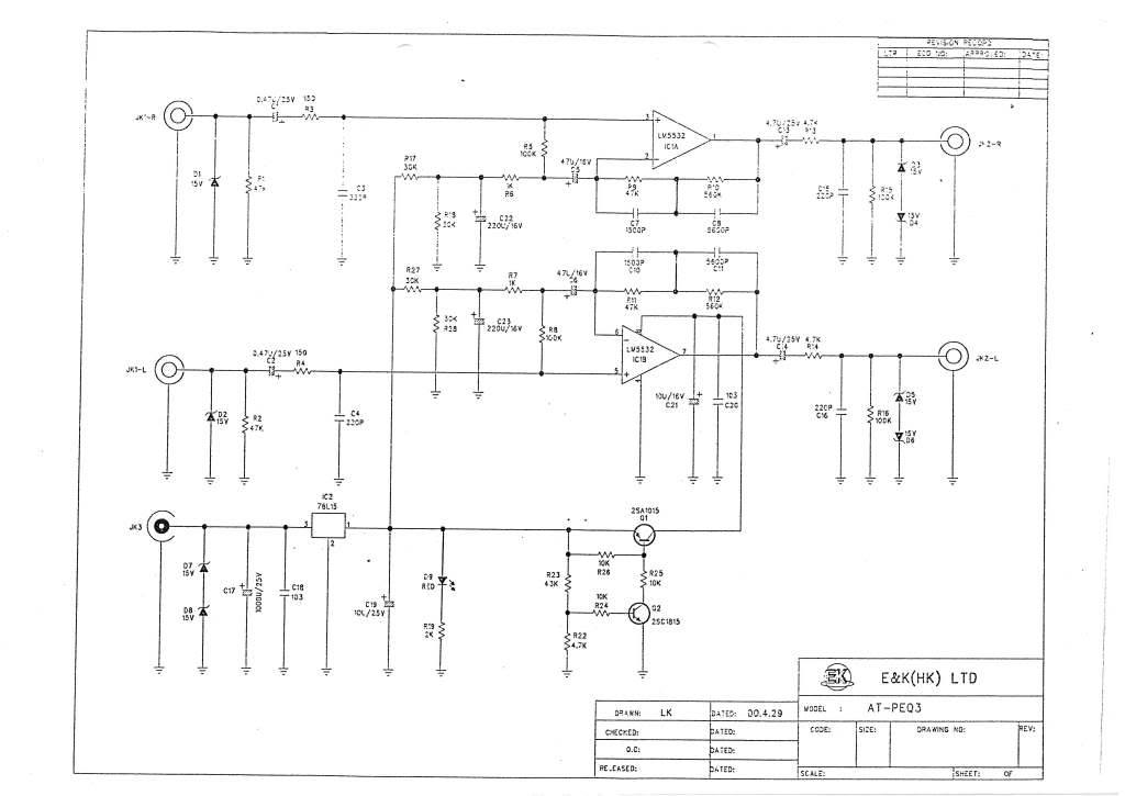
Может быть корректоры на операционниках и были бы ничего . Но обычно - серийные такие изделия имеют на борту массовые  дешевые операционники ( типа 5532 и им подобные ) . Эти микросхемы применяли в массовых недорогих усилках 80-х - 90-х годов . Для построения хорошего корректора вряд ли стоит о них думать . Особенно если учесть - что остальной обвес к этим операционникам в таких корректорах так же состоит не из шедевров элементной базы - китайские конденсаторы , китайские разъемы и пр. ....Какое уж тут искусство схемотехники  :D  . Причем так делают многие именитые конторы , в том числе -  которые являются производителями широких линеек картриджей ....На фото - микросхемный корректор Аудио Техника . Обратите внимание на маленькие желтенькие кондёрчики - именно на них собрана цепь коррекции  :laughter:
AT-PEQ3complete.jpg (50.22 КБ)
Изменено: vs music - 01-12-2017 20:21:08
 
 
Какое отношение вами приведенное бюджетное изделие имеют к заданному мною вопросу к автору о разработке балансного фонокорректора?
Ваш пост к чему вообще?
Изменено: Евгений - 01-12-2017 20:37:38
Страницы: Пред. 1 ... 238 239 240 241 242 ... 269 След.
Архив Форума Hi-Fi.ru
По 23-5-2020
Портал Hi-Fi.ru более не предоставляет возможностей и сервисов по общению пользователей

1997—2026 © Hi-Fi.ru (Лицензионное соглашение)