Архив Форума Hi-Fi.ru
По 23-5-2020
Портал Hi-Fi.ru более не предоставляет возможностей и сервисов по общению пользователей


Страницы: 1 2 3 4 5 ... 8 След.

Клэмп

 
 
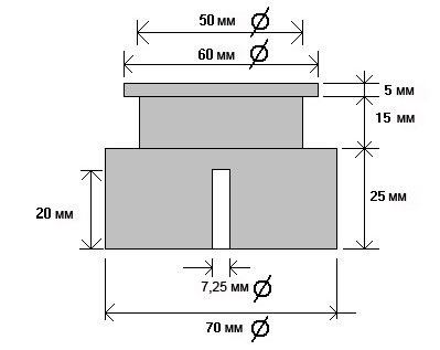
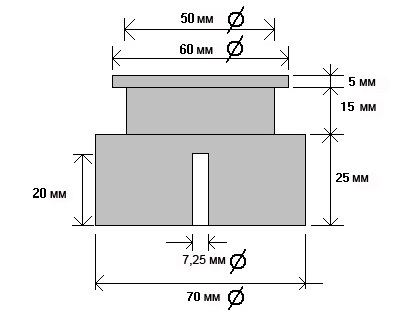
Порекомендуйте проект цельнометаллического клэмпа попроще  :) с размерами для Ленки и для других вертушек.

Желательно с чертежом или эскизами.
 
 
Не знаю - подойдет ли по высоте ( при закрытии крышки ) для Ленко - по конструкции очень простые.
1.jpg (23.93 КБ)
2.jpg (46.73 КБ)
ttclampug4.jpg (35.32 КБ)
 
 
Есть так же вариант позаковырестей :D
 
 
Только вес посчитайте в зависимости от материала.Если делать как чёрный из бронзы,то вес получится прим.900г
Клемп2.jpg (476.54 КБ)
Клемп3.jpg (329.59 КБ)
Изменено: Владимир Даниленко - 02-04-2012 13:25:34
 
 
Поэма о клэмпе.  :)

Служил Гаврила на заводе,
Стакановцем Гаврила был.
 
 
Спасибо за чертежи.
Из чего первый вариант рекомендуется?
 
 
Во че откопал в чулане.Не иначе от дедова патефона которые ему презентовал всероссийский староста.
Главное чтобы совесть была чистая, остальное отмоем.
 
 
Цитата
Плохиш  пишет:
Во че откопал в чулане
Ух ты.... Да ты диафил потомственный!
 
 
Цитата
*** Деточкин пишет:
Ух ты
И не говори , деды уже тогда их юзали , а мы тута трем, америки открываем.
Главное чтобы совесть была чистая, остальное отмоем.
 
 
Цитата
Дуалист ... пишет:
Из чего первый вариант рекомендуется?
Можно из стали ( особенно если мотор не стоит под шпинделем диска  ;) ) - будет тяжелым , больше 500гр ( по утверждению автора  :oops:  - у меня не такой ) можно и из люмини - где то грамм 300 думаю будет ... Надо учитывать возможное проседание пружин подвески стола при установке прижима :oops:  ( если есть пружины на проигрывателе ). Увеличивать диаметр клэмпа больше 80-85 мм не стоит - некоторые головки ( из за своих габаритов ) при заходе на выводную канавку пластинки могут цеплять за клэмп...
Изменено: vs music - 03-04-2012 02:50:07
Страницы: 1 2 3 4 5 ... 8 След.
Архив Форума Hi-Fi.ru
По 23-5-2020
Портал Hi-Fi.ru более не предоставляет возможностей и сервисов по общению пользователей

1997—2026 © Hi-Fi.ru (Лицензионное соглашение)