Архив Форума Hi-Fi.ru
По 23-5-2020
Портал Hi-Fi.ru более не предоставляет возможностей и сервисов по общению пользователей


Страницы: Пред. 1 ... 5 6 7 8 9 ... 14 След.

Помощь начинающему

 
 
Цитата
Александр Лиринг пишет:
Цитата
Michael@shuvaev.biz SH пишет:

Цитата
*** Деточкин пишет:



Цитата
Владимир Староверов







Три  раза  перечитал,







ни  х  не  понял.







C Кащенки строчат  







Попрошу  без  оскорблений  







100пФ-  это  емкость  входная у  фонокорректора,  обычно  она  200пФ,  но  на  некоторых  фотокорректорах  классом  повыше  есть  возможность  менять  емкость.



Производитель  звукоснимателей  обычно  рекомендует  диапазон  100-200пФ,  притом  лучше  звучание  на  меньшей  емкости.  Ваши  провод  от  звукоснимателя  до  корректора  тоже  имеет  емкость  от  10  до  30пФ  примерно.



Если  ваш  фонокорреткор  200пФ+провода=  и  вы  уже  не  в  диапазоне  рекомендуемом  производителем  и  уж  тем  более  не  в  нижней  его  части.  А  вот  со  100пФ  совсем  другое  дело  получите  120-140пФ  то  что  нужно.







Ну  нафлудили  если  кто  то  попадет  по  поиску  в  ветку  так  ничего  кроме  флуда  и  хамства  и  не  увидит  

А у моего в мануале 65пФ прописано, ничего вроде играет с разными бошкАми, не привиредничает  

Так  65  то  +  провод  почти  100  и  будет.  И  лучше  меньше  чем  больше.  А  что  за  фонокорректр  такой?
 
 
Мак6900. А занедорого вон Marantz PM350 или типа него с неплохим фоно и тремя полосами тембров, у меня он уже лет 10 и только выходные ёмкости поменял, а сыновья через него комп гоняют мама не горюй, терпит :o
 
 
Цитата
Michael@shuvaev.biz SH пишет:
Ваши провод от звукоснимателя до корректора тоже имеет емкость от 10 до 30пФ примерно.
:) А Вы сами замеряли эту емкость ?....Спрашиваю это , потому что лично я мерял ( и неоднократно )  на разных вертушках . Могу Вас немножко разочаровать по поводу 10-30 пф ......1.- Кабель от вертушки до корректора обычно имеет емкость 60-100 пф( это ещё хороший вариант ). Меньше обычно - только у антенных кабелей ( 30-40 пф на метр )   , но они ЧАСТО имеют микрофонный эффект , и применять его как фонокабель не очень хорошо  . Плюс ещё емкость проводов в самом тонарме ( это примерно 20-30 пф ) . Таким образом - от картриджа до корректора имеем емкость уже в районе 80-130 пф , а никакие не 30 ......2.- Емкость корректора , указанная производителем в мануале - чисто импирическая величина . Обычно указано только значение емкости конденсатора ( параллельного входу ) . А емкость самого корректора складывается из емкости этого конденсатора и ещё - из ЁМКОСТИ МОНТАЖА корректора . Ёмкость монтажа у всех корректоров разная ( и может достигать ещё 30-150 пф ) . Это зависит и от входной емкости транзисторов первого каскада , и от особенностей конструкции плат и корпуса , и длины сигнальных проводов внутри корректора . А эти провода ( часто они есть ) так же имеют емкость - ещё пикофарад 20 ...Так что всё складывается так - что какой бы корректор Вы ни купили - уложиться во входную емкость 200 пф по-настоящему практически нереально. Именно потому многие люди делают корректоры сами - в отличии от заводских аппаратов в самодельных конструкциях можно вносить изменения и в схему , и в саму конструкцию аппарата . В заводском аппарате такое часто просто невозможно из-за конструктивных особенностей .....
Изменено: vs music - 01-02-2014 10:02:50
 
 
Цитата
vs music  пишет:
А Вы сами замеряли эту емкость ?....Спрашиваю это , потому что лично я мерял ( и неоднократно )  на разных вертушках
Всегда приятно Вас читать - по делу и подробно.
Спасибо!
 
 
Цитата
Andr039  пишет:
по делу и подробно.
:cheers:
В жизни всё возвращается бумерангом..
Мозгом наделены все, но не все разобрались с инструкцией....
 
 
Цитата
vs music  пишет:
Цитата
Michael@shuvaev.biz SH пишет:

Ваши провод от звукоснимателя до корректора тоже имеет емкость от 10 до 30пФ примерно.
А Вы сами замеряли эту емкость ?....Спрашиваю это , потому что лично я мерял ( и неоднократно )  на разных вертушках . Могу Вас немножко разочаровать по поводу 10-30 пф ...... 1.-  Кабель от вертушки до корректора обычно имеет емкость 60-100 пф( это ещё хороший вариант ). Меньше обычно - только у антенных кабелей ( 30-40 пф на метр )   , но они ЧАСТО имеют микрофонный эффект , и применять его как фонокабель не очень хорошо  . Плюс ещё емкость проводов в самом тонарме ( это примерно 20-30 пф ) . Таким образом - от картриджа до корректора имеем емкость уже в районе 80-130 пф , а никакие не 30 ...... 2.-  Емкость корректора , указанная производителем в мануале - чисто импирическая величина . Обычно указано только значение емкости конденсатора ( параллельного входу ) . А емкость самого корректора складывается из емкости этого конденсатора и ещё - из ЁМКОСТИ МОНТАЖА корректора . Ёмкость монтажа у всех корректоров разная ( и может достигать ещё 30-150 пф ) . Это зависит и от входной емкости транзисторов первого каскада , и от особенностей конструкции плат и корпуса , и длины сигнальных проводов внутри корректора . А эти провода ( часто они есть ) так же имеют емкость - ещё пикофарад 20 ...Так что всё складывается так - что какой бы корректор Вы ни купили - уложиться во входную емкость 200 пф по-настоящему практически нереально. Именно потому многие люди делают корректоры сами - в отличии от заводских аппаратов в самодельных конструкциях можно вносить изменения и в схему , и в саму конструкцию аппарата . В заводском аппарате такое часто просто невозможно из-за конструктивных особенностей .....

Это какое-то прям мотивационное письмо за само-сборку фонокорректоров.
Но само-сбор или иные внешние корректоры не подходят ни мне, ни автору тем главная идея -из бюджетного самое достойное.
Мерить-мерял. Но цели такой особо не ставил.
Идея то осталась все та-же - лучше фонокорректор с 100пФ чем с 200.

Есть предложения усилков со встроенными фоно на 100пФ? или просто качественных и простых усилителей на 100-150уе?
Пока что только Nad C 316BEE я находил, но переключение входов у него через чип (или как тамих звать)- что народ не оч хвалил. А вот цену и звук и продаваемость- хвалят.
 
 
Цитата
Michael@shuvaev.biz SH пишет:
Есть предложения усилков со встроенными фоно на 100пФ? или просто качественных и простых усилителей на 100-150уе?
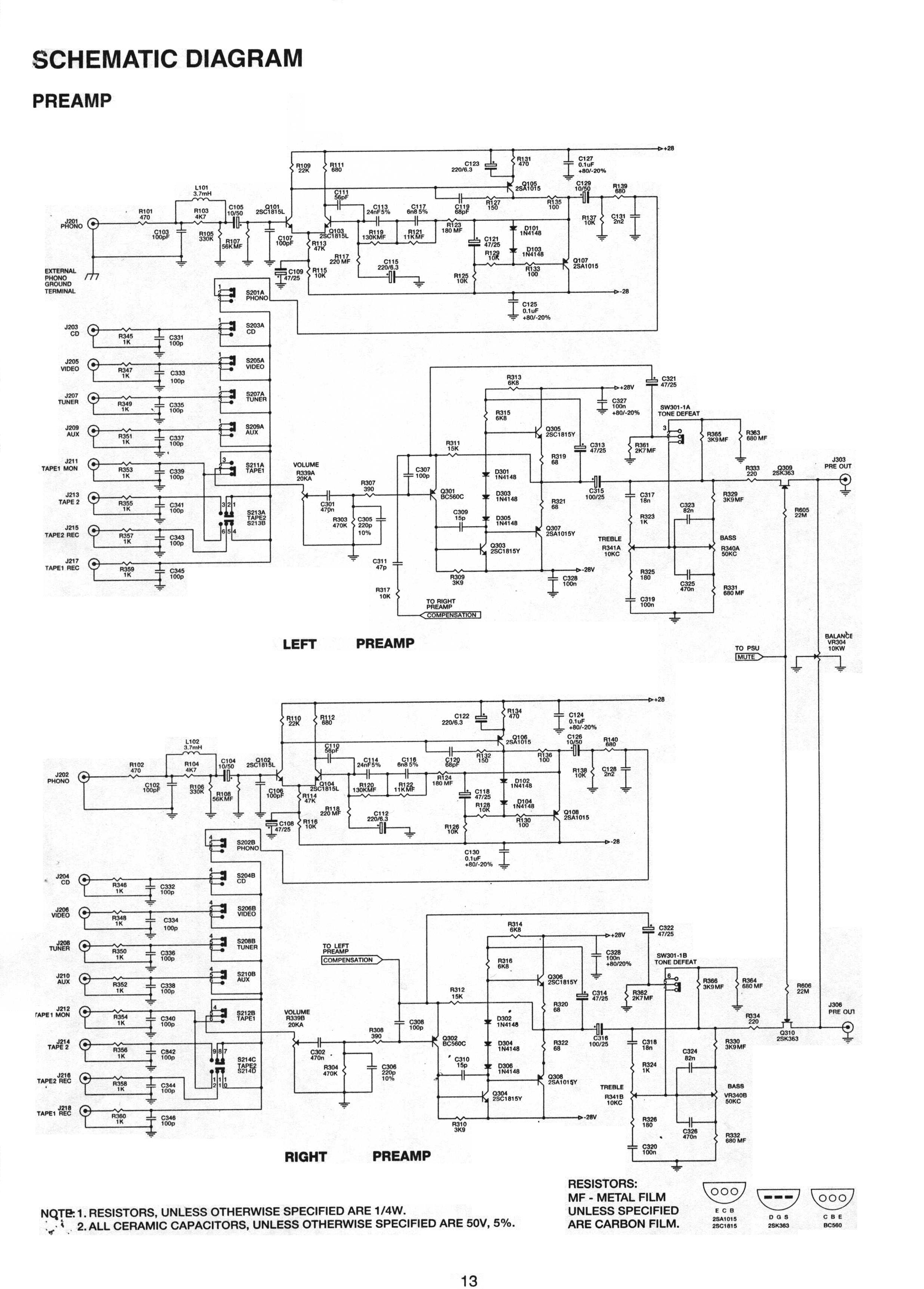
:) Вы видно ничего не поняли - не бывает корректоров с входной емкостью 100пф . То что изготовитель указывает , как 100пф на самом деле - всего лишь емкость конденсатора ( впаянная паралельно входу ) . А настоящая емкость монтажа самого корректора нигде не указывается . Так что любой корректор с конденсатором по входу 100пф - на самом деле имеет СОВСЕМ другую емкость . А конденсатор и заменить можно на любой другой по номиналу . Настоящую емкость корректора вряд ли где-то узнаете по мануалу . А 100 пф по входу корректора - обычное стандартное значение , общепринятое во многих схемах . Кстати , не знаю за 316й NAD , но во многих других усилках NAD схема корректора часто одна и та же уже много лет . Кстати - ещё не факт  ,что у 316го NAD есть фонкорректор на борту - из описания видно , что у него есть 6 ЛИНЕЙНЫХ входов - про вход PHONO не указано нигде ....Вот кстати - ( на фото ) схема предварительной секции усилителя NAD-312 .Там приведена и схема типового НАДовского корректора ( такая применялась во многих моделях у них на протяжении ряда лет ) . Емкость по входу - 100пф ( но это не емкость самого корректора , она будет заметно выше ). Далее уже у самих транзисторов ещё стоит одна емкость 100пф ...  Сделайте клик на название файла( под  фото ) и скачайте файл - тогда сможете рассмотреть схему крупным планом .
312_pre.jpg (694.07 КБ)
Изменено: vs music - 02-02-2014 03:10:10
 
 
Цитата
vs music  пишет:
Цитата
Michael@shuvaev.biz SH пишет:


У меня вертушка планируется со встроенным фонокорректором. Что весьма удобно так как провод до него короче- чем до корректора усилка. NAD немного дороговат - смотрю на отечественный Бриг-001 (в детстве его хотел, напару с 75АС-001). Смущает только перепайка конденсаторов если что... дорого они стоят.

То есть я могу разобрать фонокорректор и просто поменять конденсатор? Можно же и переключатель тогда сделать по емкостям, например такой-же простой как у Pro-Ject (мини рубильники на задней или нижней панели). А можно вообще джамперы поставить) :D .
 
 
Топикстартер и Michael....
- один и тот-же человек.
 
 
Цитата
Андрей Светлицкий пишет:
Топикстартер и Michael....

- один и тот-же человек.
неа.
Страницы: Пред. 1 ... 5 6 7 8 9 ... 14 След.
Архив Форума Hi-Fi.ru
По 23-5-2020
Портал Hi-Fi.ru более не предоставляет возможностей и сервисов по общению пользователей

1997—2026 © Hi-Fi.ru (Лицензионное соглашение)