Тему то я прочитал, только полезной информации в ней не много, т.к. народ либо просто обозначает то, что имеет , типа у меня Крик, мне нравица! (или не нравица)
. Либо констатируют очевидные вещи, типа, ну лаксман то получше Сандерса
Я бы хотел от уважаемых Гуру совет по выбору в конкретной ценовой категории - грубо до тысячи евро, что в эту цену лучше по звуку.
Ну ладно, накидаю кандидатов:
EAR 834P (возможно Б/У)
Lehmann Audio Black Cube SE
Musical Fidelity MX-VYNL
Сандерс
PS Phono Stage PS-II Mk4 (Никитина)
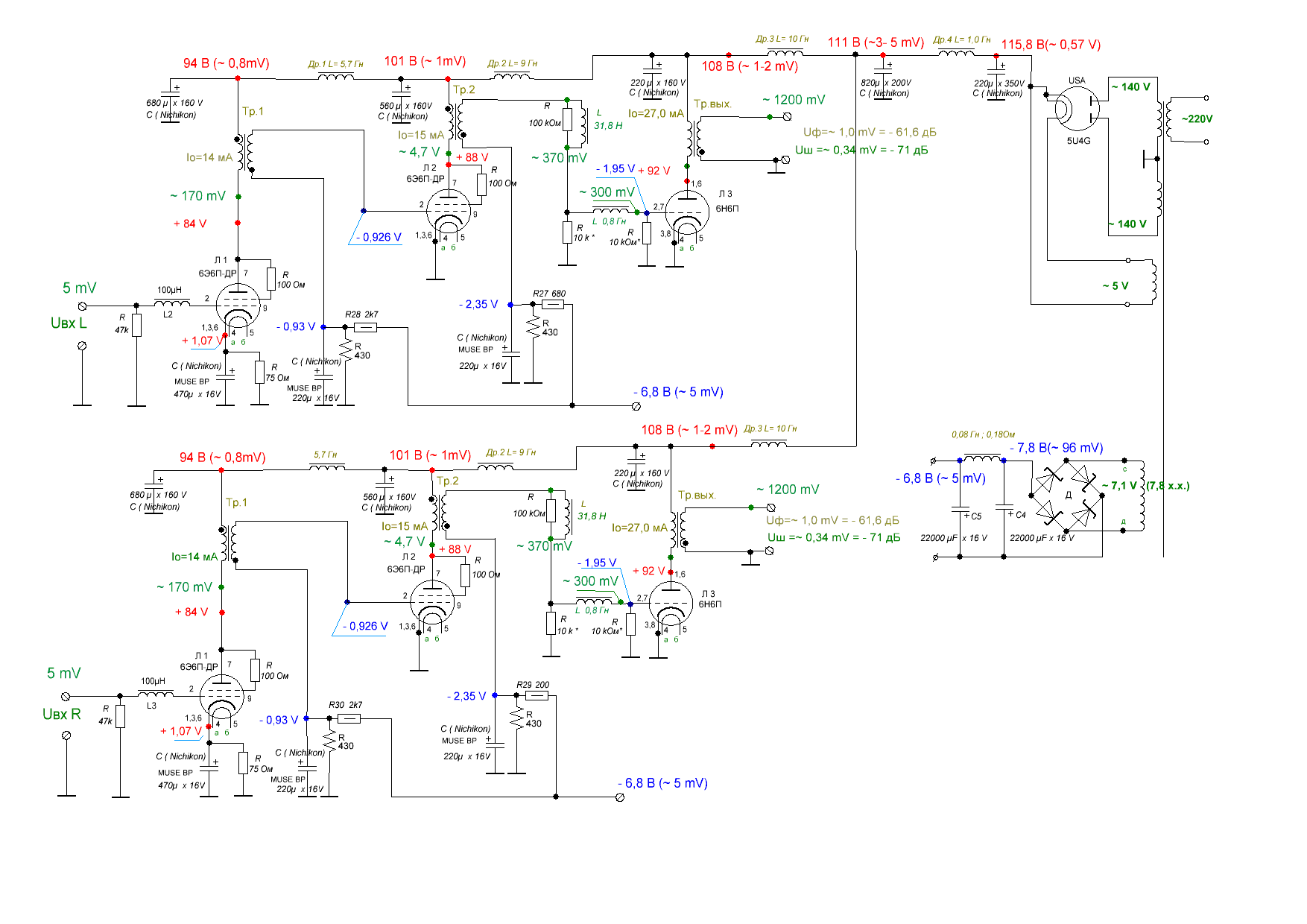
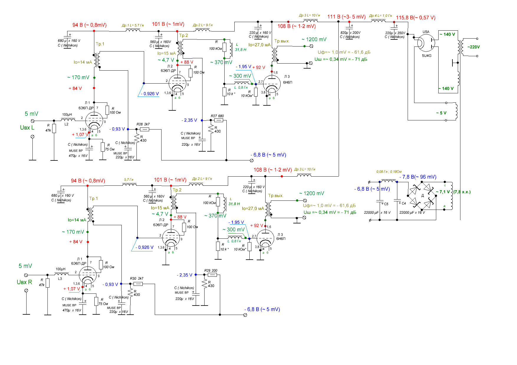
Корректор Червякова
Ну ладно, накидаю кандидатов:
EAR 834P (возможно Б/У)
Lehmann Audio Black Cube SE
Musical Fidelity MX-VYNL
Сандерс
PS Phono Stage PS-II Mk4 (Никитина)
Корректор Червякова

что-то хотеть менять.