Вам бы на Вегалаб,там обитают спортсмены-схематехники,здесь ни кому не интересно,если только Эдик не прибежит,но у него своя заноза...
Архив Форума Hi-Fi.ru
По 23-5-2020
Портал Hi-Fi.ru более не предоставляет возможностей и сервисов по общению пользователей
По 23-5-2020
Портал Hi-Fi.ru более не предоставляет возможностей и сервисов по общению пользователей
Супер симметрия без средней точки в УМ продолжение идеи Агеева и Алексея Зызюка, Мой усилитель навеянный работами Агеева и идеей Алексея Зызюка.
|
28-11-2017 10:39:03
|
|
|
|
|
|
28-11-2017 17:56:44
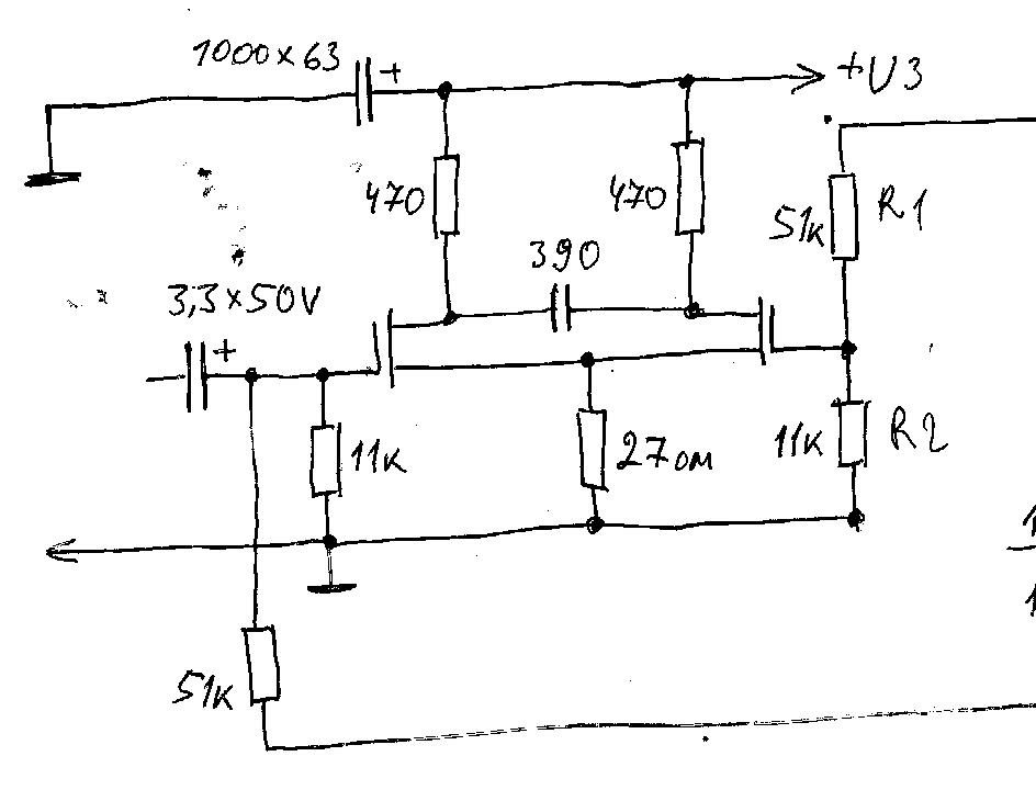
Вы не привели полной схемы,потому резисторы 1 и 5 смысла не имеют.
Вред гармоник для нашего дела,по моему преувеличен. |
|
|
|
|
|
28-11-2017 19:19:29
Сергей Галкин,
Я хочу и буду делать новую схему. Это шпаргалка раскачки. Классика в почти чистом виде. Но работала чисто. Это точка отчёта, чтобы понять как себя ведёт схема и что нужно дальше делать. Рабочая схема была по совершеннее. Она лучше боролась с дрейфом нуля. Полевик КП901, Усиление без обратной связи (51к) 12,4, с ней 8,1. Были и другие варианты с биполярными транзисторами КТ904. Последняя рабочая схема была сложнее. Там работали в паре с КП901 КП302БМ. Но я не ставлю себе сейчас задачи восстановить то что было. Я хочу обойтись полностью без электролитов в связях между каскадами. И сделать ударение на скорость нарастания сигнала. Возможно даже откажусь от обратных связей. Они снижали выходное сопротивление. Выход был с точек подключения ёмкости на 390 пФ. |
|
|
|
|
|
29-11-2017 09:06:53
Сергей Галкин,
Резисторы это конструктивный атавизм. Я их оставил как повод поговорить о токе покоя. Это по сути датчики тока. Я на них измерял напряжение и умножал на 5. Но на такой резистор с номиналом 1 Ом, или с любым другим, можно нацепить вольтметр и вывести на переднюю панель как параметр говорящий о режиме работы. Кроме того на этот датчик можно сделать схемку автоматической стабилизации тока покоя, или индикатор потребляемой мощности. И всё это ни как не скажется на качестве звука поскольку находится почти за приделами работы усилительного каскада. Раньше на эти резисторы была подключена нагрузка и это немного стабилизировало рост тока покоя при росте напряжения питания, но снижало выходное сопротивление. Правда если перенести концы первых резисторов на саму нагрузку к примеру витой парой прямо на АС, то это должно компенсировать потери в кабеле. Кроме того на этих резисторах можно попытаться реализовать ЭМОС. Но если честно я пока это серьёзно не обдумывал. |
|
|
|
|
|
15-12-2017 09:18:43
Эта схема почти полная копия того драйвера, который я применял в прошлой версии усилителя. Q1,Q2 были КП302, U3,U4-КП901А. Она очень прилично работала. Модель показывает хорошее соотношение по гармоникам при низком уровне сигнала, при росте уровня они растут. По большому счёту - это маскируется громкостью. На уровне ограничения гармоники порядка 0,3%. При малых сигналах это тысячные доли процента.
При входном 0,1 вольта на 1кГц, модель даёт 2 кГц -95 дБ. 3 кГц -125 дБ. У меня есть не проработанный до конца вариат схемы на другой основе. Там не так заметно наблюдается рост гармоник от уровня сигнала. |
|
|
|
|
|
15-12-2017 11:49:07
Правда есть тут одна оговорка, не всегда получается виртуальные приборы правильно подключить к симметричному выходу. Они ориентированы на работу с корпусом и заземлением, и иногда меряется только одно плечо. В таком случае реальный уровень чётных гармоник должен быть значительно ниже.
|
||||
|
|
|
|||
Архив Форума Hi-Fi.ru
По 23-5-2020
Портал Hi-Fi.ru более не предоставляет возможностей и сервисов по общению пользователей
По 23-5-2020
Портал Hi-Fi.ru более не предоставляет возможностей и сервисов по общению пользователей
