Динамик то хоть как называется?
Архив Форума Hi-Fi.ru
По 23-5-2020
Портал Hi-Fi.ru более не предоставляет возможностей и сервисов по общению пользователей
По 23-5-2020
Портал Hi-Fi.ru более не предоставляет возможностей и сервисов по общению пользователей
Как правильно согласовать динамики по чувствительности?
|
26-10-2018 21:18:25
|
|
|
|
|
|
26-10-2018 21:30:33
Сергей С****, да если бы я знал!
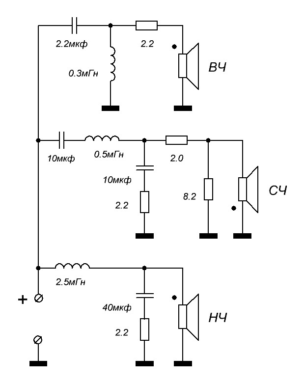
Никаких опознавательных знаков. Динамики все со стоек от ДК Odeon DP300. Может виной всему относительно большой калибр СЧ динов. Я хз. В принципе с делителем все гораздо лучше. А я все думал что мне на низах СЧ подпевает? А вон оно что было оказывается ) |
|
|
|
|
|
26-10-2018 22:17:44
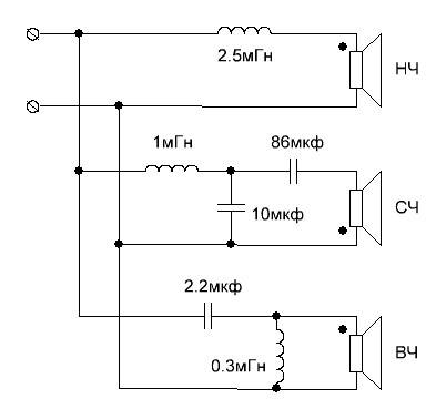
В общем теперь гораздо лучше стало
Вот так сделал |
|
|
|
|
Архив Форума Hi-Fi.ru
По 23-5-2020
Портал Hi-Fi.ru более не предоставляет возможностей и сервисов по общению пользователей
По 23-5-2020
Портал Hi-Fi.ru более не предоставляет возможностей и сервисов по общению пользователей
