| Цитата |
|---|
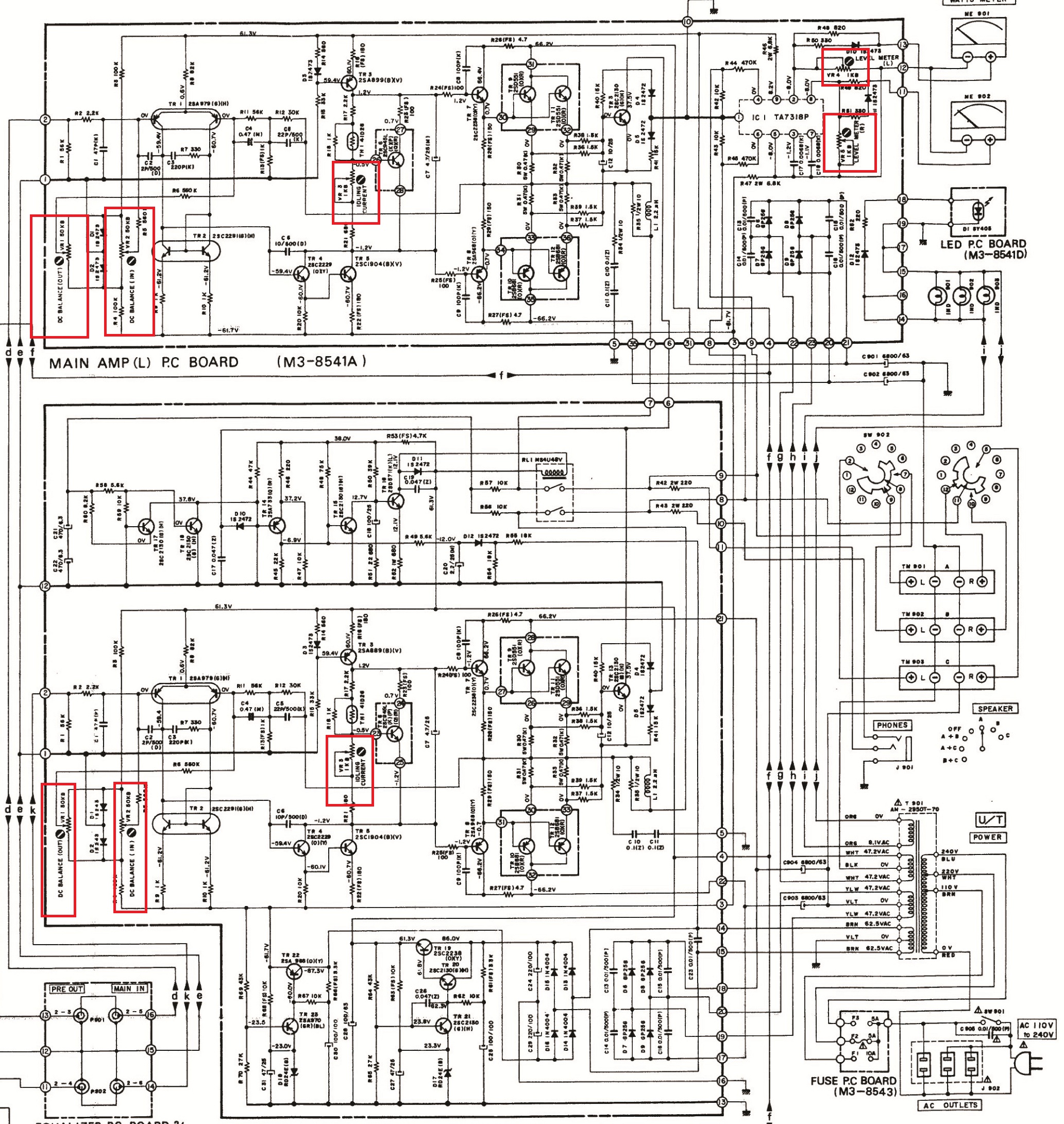
SashaSTK пишет: Сергей Сергей, а все таки, каким образом подстроечные резисторы влияют на нагрев? Ведь ток покоя я выставлял и через месяц снова делал замер, он был таким же. |
Поймите,ну нельзя дистанционно поставить правильный диагноз,это всё равно что ходить к зубному по телефону..

Просто окисленные и гнилые подстроечники,не могут правильно работать,а так же держать свой номинал.Может причина в чём-то другом,но мало вероятно.Опять же мы просто строим предположения возможных неисправностей.Недавно было два аппарата..Один из них Хитач на полевиках,так вот после пяти минут работы на "холостом ходу",транзюки разогревались до такой степени,что невозможно было держать руку на радиаторе,более 3-4 секунд.Это не класс "А",хотя полевики должны конечно быть горячими,но не до такой степени.Ток покоя,невозможно было выставить никак,то один канал грелся сильнее,то другой.После замены переменников,всё выровнялось и вот уже как два месяца исправно работает.