Начну с фирмы Люксман ,когда то была очень уважаемая фирма, потом ее купили корейцы,потом еще кто то,а сейчас стала типа "тру-хиенда" ,в чем заключается афера ,продать красивый корпус с дешевой начинкой за большие деньги,пример усилитель мощности м-800А с ритэйлом 16 тыс баксов
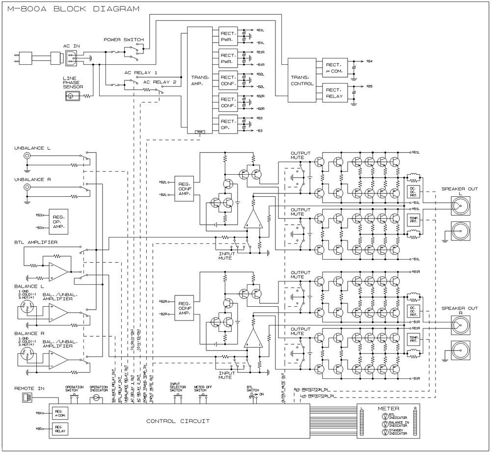
начнем со схемы ,обычная схема ,обратите внимание,что для баланса используется дополнительная микруха ,то есть RCA предпочтительней
16 тразистров на канал ,транзисторы 2SC5200 по цене 1 фунт стерлингов за штуку,Карл!
итого 16 фунтов на один канал и 16 фунтов на другой канал ,добавляем китайскую печатную плату ,силовой трансформатор ,четыре кондера блока питания,красивый корпус -самое дорогое в этом усилителе ,все это снабжаем красивыми буклетами с красивым описанием ,розовые сопли проплаченных журналюг и все-лохи понесли деньги
вывод ,как только видишь дорогой красивый корпус- нае***во стопроцентное
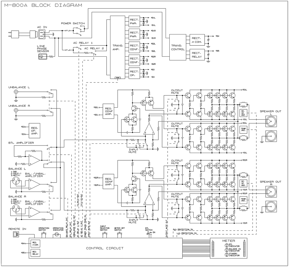
начнем со схемы ,обычная схема ,обратите внимание,что для баланса используется дополнительная микруха ,то есть RCA предпочтительней
16 тразистров на канал ,транзисторы 2SC5200 по цене 1 фунт стерлингов за штуку,Карл!
итого 16 фунтов на один канал и 16 фунтов на другой канал ,добавляем китайскую печатную плату ,силовой трансформатор ,четыре кондера блока питания,красивый корпус -самое дорогое в этом усилителе ,все это снабжаем красивыми буклетами с красивым описанием ,розовые сопли проплаченных журналюг и все-лохи понесли деньги
вывод ,как только видишь дорогой красивый корпус- нае***во стопроцентное

