Знакомый из маленького города пишет:
"...У меня произошла очередная проблема с этим акаем. Всё было прекрасно, работал на отлично после ремонта. Буквально вчера я прослушал 2 катушки и выключил. Сегодня включил и обалдел, произошла новая проблема, стал заметно гудеть трансформатор (а до этого работал совершенно бесшумно) и сервомотор (центральный) стал работать (крутиться) в разы быстрее, причём, со свистом. И, соответственно, записи стали крутиться на ускоренной скорости при воспроизведении. Всё работает, реверс, перемотки, индикаторы, оба канала и т.д. Только при включении слышен небольшой гул трансформатора и быстро воспроизводятся песни..."
Человек замерил U вторичек силового трансформатора: всё в норме (+-5%)
Может кто практически решал уже подобную проблему? Куда ему двигаться?
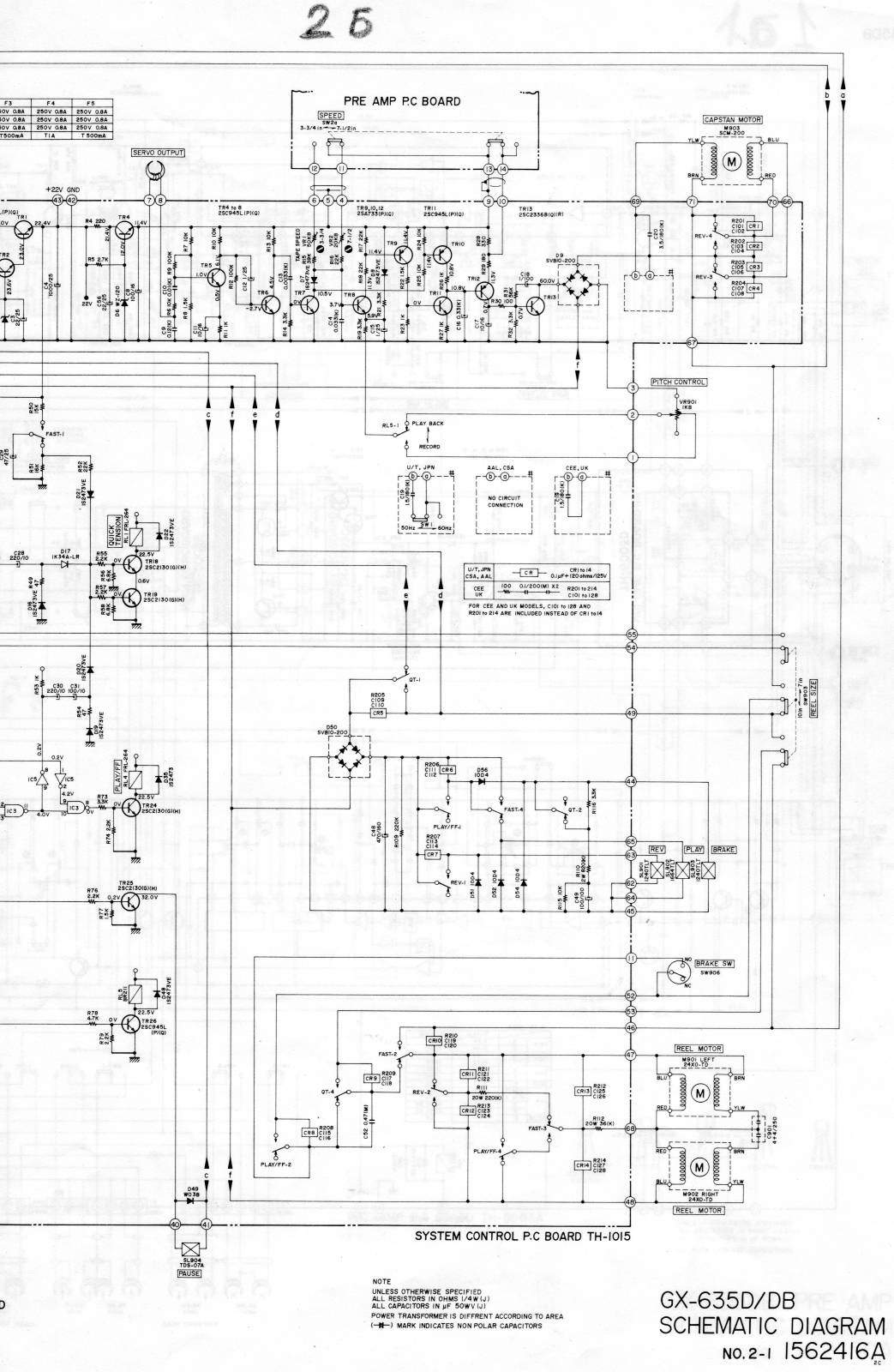
Схема:
"...У меня произошла очередная проблема с этим акаем. Всё было прекрасно, работал на отлично после ремонта. Буквально вчера я прослушал 2 катушки и выключил. Сегодня включил и обалдел, произошла новая проблема, стал заметно гудеть трансформатор (а до этого работал совершенно бесшумно) и сервомотор (центральный) стал работать (крутиться) в разы быстрее, причём, со свистом. И, соответственно, записи стали крутиться на ускоренной скорости при воспроизведении. Всё работает, реверс, перемотки, индикаторы, оба канала и т.д. Только при включении слышен небольшой гул трансформатора и быстро воспроизводятся песни..."
Человек замерил U вторичек силового трансформатора: всё в норме (+-5%)
Может кто практически решал уже подобную проблему? Куда ему двигаться?
Схема:
