Архив Форума Hi-Fi.ru
По 23-5-2020
Портал Hi-Fi.ru более не предоставляет возможностей и сервисов по общению пользователей


Страницы: Пред. 1 ... 3 4 5 6 7 ... 50 След.

Restek vs Classe vs Accuphase

 
 
Цитата
Sergey Abramov написал:
Да, это неоспоримый факт, но я хочу понять как этот усилитель может быть лучше акку 4 серии, кстати в параллельной ветке была информация что акку начина с 3 серии истино балансные усилители
А с чего это вы взяли,что он может быть лучше?

"Весчий" экспёрт:
Числилась как "модель 930 ST". Запомнилось по ST как Stanton. Но на самом деле ЕМT.
 
 
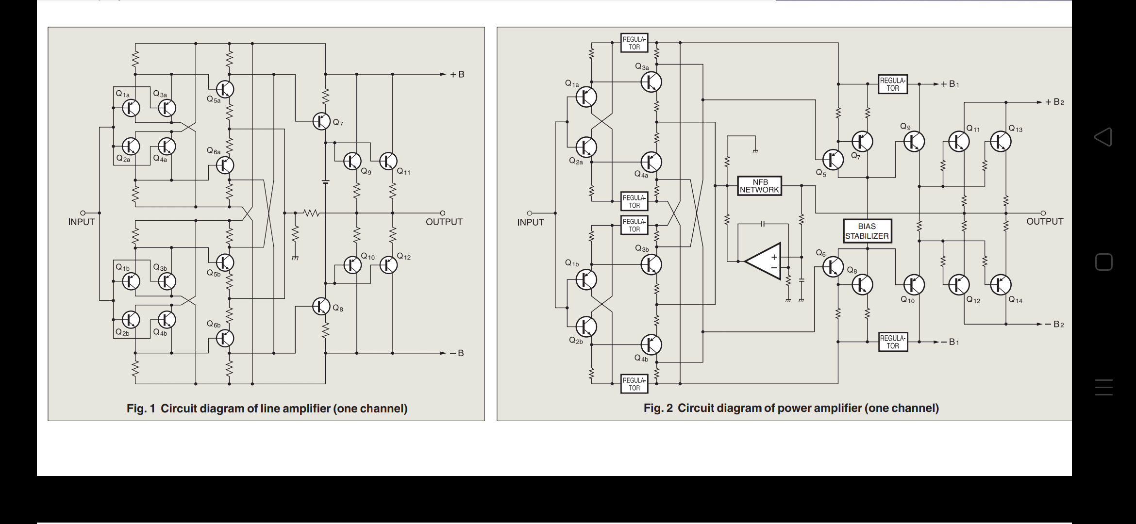
А есть схемы 308 и 407?
 
 
Алексей, ветку всю читали?
 
 
Поясню для не специалистов.
Полностью балансный усилитель должен иметь два входа на канал - "+" и "-"  и также два выхода, по плюсу и по минусу - изолированно от земли.
Здесь один вход (плюс и земля) и один выход (плюс и земля).
 
 
Цитата
Sergey Abramov написал:
А есть схемы 308 и 407?
Посмотрите сами на сайте Акку, там большинство схем есть.
 
 
А тут?
 
 
Я конечно не большой специалист в аудиожелезе,но до сих пор (на свой слух) не услышал преимущество
симметричных схем,перед обычными.
Если обратится к студийной технике,там обычно применение симметричных трансов,для сигнальных цепей (но не балансных схем,исключая микрофооные усилители),что я с успехом использую,так как питаю оконечники от другой розетки,возможно и от другой фазы,спецом не смотрел (а надо бы)
И провод от тюнера телевизионного (тот что на другой стороне,около проектора)
имеет длину 7 метров,то же заканчивается трансами,около преда.
 
 
И ещё тут?
 
 
Цитата
Sergey Abramov написал:
А тут?
Таких 2 надо...
 
 
Ясно же сказали 2 входа,2 выхода...
Страницы: Пред. 1 ... 3 4 5 6 7 ... 50 След.
Архив Форума Hi-Fi.ru
По 23-5-2020
Портал Hi-Fi.ru более не предоставляет возможностей и сервисов по общению пользователей

1997—2026 © Hi-Fi.ru (Лицензионное соглашение)