Да наберите название в гугле и все ! Там эта вещь в десятке вариантов , или прямо на ютубе наберите .Схема в пио хорошая .
Архив Форума Hi-Fi.ru
По 23-5-2020
Портал Hi-Fi.ru более не предоставляет возможностей и сервисов по общению пользователей
По 23-5-2020
Портал Hi-Fi.ru более не предоставляет возможностей и сервисов по общению пользователей
Доработка YAMAHA RX-V1700/2700
|
22-08-2011 21:15:51
|
|
|
|
|
|
22-08-2011 21:20:14
TRIUMVIRAT Mister Ten Pergent с 3:04 по 4:15
|
|
|
|
|
|
22-08-2011 21:54:10
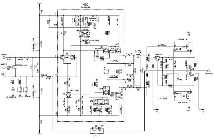
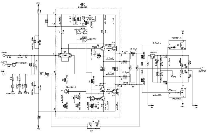
К сожалению плохо видно...но по схеме на входе все резисторы надо менять на чиповые типа 1206....и далее до выхода тоже....
|
|
|
|
|
|
22-08-2011 21:56:49
Ну так они там и стоят
|
|
|
|
|
|
22-08-2011 22:23:08
Нашёл, качаю тестовый диск
|
|
|
|
|
|
22-08-2011 22:24:09
Изменено: - 22-08-2011 22:25:06
|
|||
|
|
|
Архив Форума Hi-Fi.ru
По 23-5-2020
Портал Hi-Fi.ru более не предоставляет возможностей и сервисов по общению пользователей
По 23-5-2020
Портал Hi-Fi.ru более не предоставляет возможностей и сервисов по общению пользователей

...так и есть...=микросборка-не лечится :| ...хотя есть вариант, по крайне мере можно попробовать...сигнал входит в рес по цифре? схему обвязки ЦАП надо...