| Цитата |
|---|
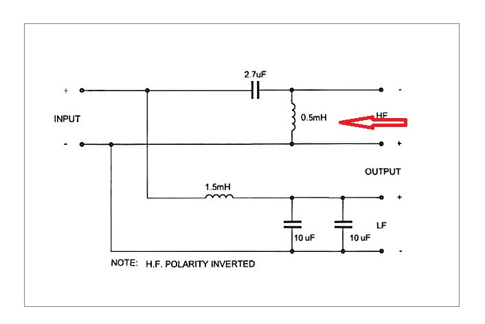
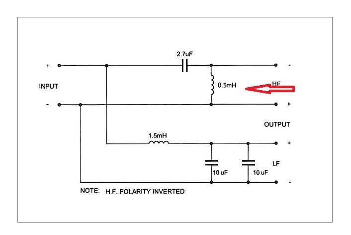
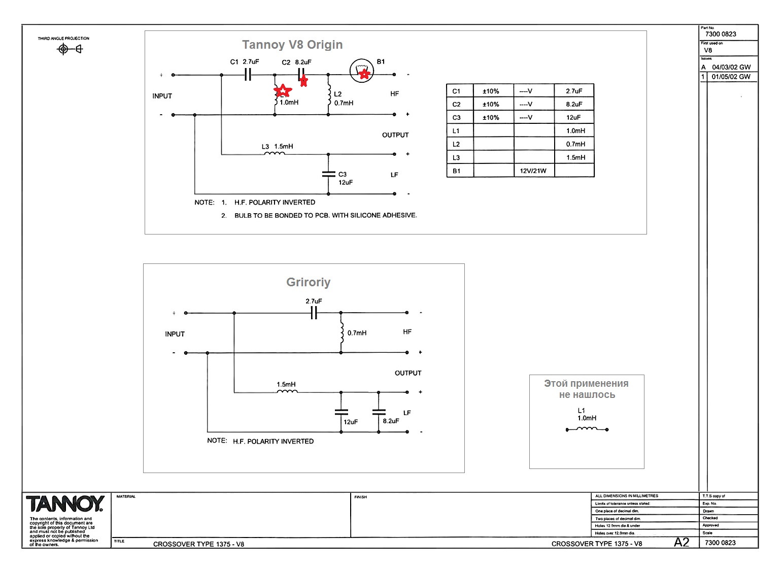
Griroriy пишет: Ну очевидно же, что 1mH, - много. |
А я всегда думал , литр лучше

. Располовинил , перевел на пол литра .
Красная по ... не знаю даже как написать , что бы не обидеть дружбана

.Пусть будет по домашнему.
Фиолет по родному.
( поднял по громкости , что бы можно было разглядеть , что и как.)
Последняя фото , по родному низ и по домашнему верх.
Заключение.
Акустика стала поярче ,даже немного срывается в середине (совсем чуть чуть) , что мы и видим на АЧХ и имеет на право применения в домашних условиях , при довольно мягком усилители и источнике.
Для профессиональном использовании рекомендовал оставить как есть , тем самым обезопасить себя от выжигание динамика.
По звучанию акустики писать мне нет смысла , TANNOY есть TANNOY

Прошу прощение за повтор

По другому не получится.
Интересные параллели проводимые людьми.
"Сам однажды был свидетелем разговора трёх, случайно встретившихся в одном из аудио салонов, людей - говорили о колонках, пытались дать им оценку, пользуясь при этом одними и теми же "аудиофильскими" терминами - естественно, как обычно, в итоге каждый остался при своём, "компетентном", мнении. А позже выясняется, что и ценности и их шкала у них совершенно разные - один слушает "тяжёлый рок" и "металл" и для него в первую очередь важно в звуке одно, второй - слушает джаз малых составов и он ценит совершенно другое в звучании, ну а третий - на слух, чуть не с калькулятором пытается сосчитать количество скрипок в БСО, которые слушает он. Но, при всей комичности ситуации, все трое, по своему, были правы в своих оценках, абсолютно не совпадающих."