Архив Форума Hi-Fi.ru
По 23-5-2020
Портал Hi-Fi.ru более не предоставляет возможностей и сервисов по общению пользователей


Страницы: Пред. 1 ... 103 104 105 106 107 ... 205 След.

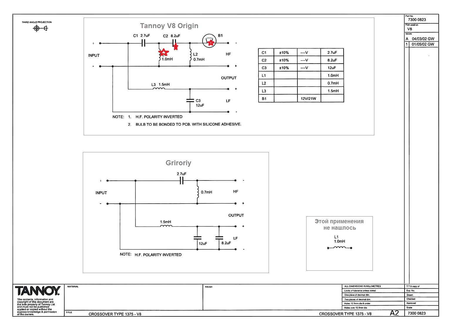
По танноям есть знающие люди?

 
 
Что бы не покупать новые детали с родного выпаю как на схеме и добавлю.
Отобрям?
V8 .jpg (194.39 КБ)
 
 
Я смотрю , Вы Григорий сегодня настроены на лирический лад.Подчиняюсь старшому :wink: .
У лапочки дочки есть двоюродная сестра в Германии , правда при тщательном просмотре оказалась немного рябой.Моя красившие :wink: .
топик 7341
http://www.hifi-forum.de/viewthread-104-15079-147.html
топик 1040
http://www.hi-fi.ru/forum/forum44/topic13947/?PAGEN_1=104
топик 1041
http://www.hi-fi.ru/forum/forum44/topic13947/?PAGEN_1=105

Долго не мог подобрать ей фото-образа , раскрывающий ее характер звучания.В итоге остановился на этой :confuse: .
Да , к чему это я?
Цитата
Griroriy  пишет:
- Не стоит искать на всех записях аудиофильских красивостей.  
Никто и не ищет , но без них не зя :D .
Их там и нет.Там тяжёлая совместная работа мастера изготовившего инструмент , музыканта и звукорежиссера!
Да давай хоть вспомним скрипача , добрым словом (передавай привет) , тоже маялся с достойной звукозаписью , что бы можно было понять играет на рояли , а не ударных :wink: .
Я не могу слушать плохо записанный диск , тем более на Tannoy.На них сразу все вылезет и смысл слушать если кто то сделал свою работу плохо.Причем по барабану будь то музыкант или звукорежиссер при записи.
Уже не секрет , что даже миталюги , экономя на пиве покупают по второй гитаре (другого звучания) , что бы внести хоть какое нибудь разнообразие и шарм.В связи с этим уже не так рьяно дубасят по всем струнам , жалко же.
Кстати врачи отоларингологи в народе ухо , горло , нос  утверждают ,  что высокая частота дезинфицирует уши от микробов.Так что надо слушать качественные аудио записи.
Ну как то так :confuse: .

На тему дня
Bill Frisell / All We Are Saying.2011
Доминика.png (700.79 КБ)
Изменено: sergey polyakov - 19-08-2016 06:47:29
 
 
Цитата
Griroriy  пишет:
Так что, может стоило бы подыскать записи по вышеприведённым критериям. Причём, разных стилей и чем больше, тем лучше?
Ок.
Предлагай что искать конкретно , посмотрю у себя и знакомых.

"У Вас точно такое же есть ,но с перламутровыми пуговицами . Нет. Будем искать."
Попутно посмотри информацию по ....может что найдешь :prayer:
топик 1054
топик 1055
http://www.hi-fi.ru/forum/forum44/topic13947/?PAGEN_1=106
Изменено: sergey polyakov - 19-08-2016 10:05:51
 
 
Опять Роялы , автографы , ГРФ и другие....
Не перестаю удивляться терпению мастеровых людей . Мало того , что выполняет столярные работы вышей категории , но и умудряется запечатлеть все на фото для начинающих.
Может после просмотра фотографий многие изменят своё отношение к мастеровым людям которых за частую называют довольно обидным словом самодельщик и проявят к ним элементарное уважение.
https://www.flickr.com/photos/48329457@N06/page1
image.png (5.59 МБ)
 
 
Григорий брось эту лже науку :prayer: .Возвращайся , я все прощу , даже твою экспоненту , будь она не ладна!
АУДО МАГАЗИН ТЕСТ - CD1 , есть . Слушаю считай каждый день , на ночь глядя.Какие ещё?
Цитата
Griroriy  пишет:
[QUOTE]sergey polyakov пишет:
Свои, я несколько иначе делаю.  
Выкладывай что и как. В понедельник съезжу за деталями. Соберем два твоих варианта + родной.
image.jpeg (47.25 КБ)
image.jpeg (1.51 МБ)
 
 
Альтернативный взгляд и так же воскресный фельетон из прошлого  :wink:
Опубликовано : 2 февраля  2010 года!

"
«И грянул бой! Полтавский бой».

Интернет вскипел, сервер плавится, московские бомжи пишут открытое письмо президенту: «Смилуйся Батюшка, урезонь окаянных. Совсем нет житья, все наши помойки перерыли – какой-то «монитор голд» ищут». Проповедники «всеобщего счастья» от Того – Истинного, только им ведомого, прошедшим инициацию, закалённым в кровопролитных боя за обретение нирваны от Единого и Неделимого, Великия и Белыя и Малыя, Его Величества, Танноя, завалили ветку сведениями, доводами, графиками, техническими выкладками, как обрести Рай на земле.

Сэр Фонтэйн пол столетия назад толканул гениальную, по тем временам, идею точечного излучателя. Не он один, кстати, до этого додумался. Реализовал. Получилось. Почёт, уважение, касса. Делал добротно, на века. На раму лома не жалел, на магнитах не экономил, с бумагой поколдовал. Звучит? Звучит! Правда, не дешёвое удовольствие получилось. Но, такие люди о затратах, как правило, не задумываются. Важна идея и её правильное воплощение. Маркетологов в штате не оказалось – повезло. Удалось продать не миллион, хоть и хотелось – изделия штучные. Пришлось мудрить с диаметром - 12, 10д.. Покупали. Нравилось. Хвалили. ВОПРОС: а что тогда можно было купить равное по звуку??? Кинотеатральный Лансинг? А, как его в дверь протащить? Прошло время, технологии развивались. Папуасы в Африке красивой жизни захотели. Словом, кобальт стал кусаться. Керамика помогла – и дёшево и сердито. Стали пихать её родимую куда ни попади. Лажа. Но, на «старых дрожжах» прокатило. Нет бы, пересчитать, поправить, переделать под новые условия. Nach! Идея рулит, счёт растёт, старика уж нет(где взять второго такого!). Но неугомонные конкуренты на пятки наступают. Пришлось «кой чё в консерватории подправить». А, идейка-то уже с запашком. Отказаться? Шалишь, столько бабла под неё ввалено. А честное имя? Неееее! Будим удивлять весь мир корпусами аля бабушкин комод. Напилили, пошло. Звук? А, что звук, берут ведь. Снова время, конкуренты, технологии, и братья по разуму – маркетологи. На «престижной серии» далеко не уедешь. А так хотца в Рио-Инженейро и, чтобы непременно, в белых штанах. Давай «деменшн» и прочую лабуду замутим. Замутили. А, как же Имя? Кал вопрос - грянем «Черчелем», а, чтобы старику в гробу не вертеться, в его честь «ГРФ Мемориал» откуём(плевать, что от первого только название осталось). И покатилось, поехало. Законы рынка неумолимы. Либо играешь честно, как Сонус Фэбэр и довольствуешься тем, что Бог послал, либо во все тяжкие и жируешь.

Краткое изложение того, «что мы про него знаем».

В соё время(90-е) плотно сидел на нём. Начал со Стерлингов, закончил Кэнтэрбэри 15 первого издания. «Рояли» тупо в дверь не полезли. И закончил окончательно и бесповоротно. Причина? Всё меняется и я тоже, надеюсь, к лучшему. Перестал устраивать вялый-медовый(читай окрашенный) бас и компрессионные ВЧ в паркенсонирующем рупоре. А, главное - сеньор Серблин изваял «Гварнери» и «Амати». И я пропал.

Много пустого звона про «голдоны» первого разлива: «слушать надо – обалдеешь! Не обалдел, значит не «правильная реализация». Сострогай, как Папа-Карло, «правильный сундук», лампы … и далее со всеми остановками. Не хочу!!! Вся эта шумиха пошла «оттуда». Накупились почтенные сквайры. Слушали. А оно возьми, да «кончись» через пол века-то. Опаньки, подвес сдох, пищалка отпищалась. А, где взять, да так, чтобы новое, «родное», аутентичное тэскть? Все небольшие запасы быстренько сдулись. А, старые куда? Да, сляпать кое-как, и наИбэи всякие. Прочитать лекцию лохам, купят. А, как же - ЛЕГЕНДА!! Вот, и изгаляется барыжная братва.

Специально для тех, кому до 30.

Nach оно вам нужно! Эта мышиная возня с погоней за, вечно ускользающим, идеалом, именно для вас. А, вдруг поведётесь. Шанс поймать некопаный голдон, да ещё чтобы не убитый…???!!! Прикиньте ценник на него – 5кб. если повезёт? Если в корпусе – дрова сразу на помойку. Значит к дровосеку. +2кб. – а как же, платье для «короля». «Лапшу» от телефона не воткнёшь – значит провода, фильтры, клеммы от ВБТ(причина та же) и, чтобы кто-то это всё грамотно настроил. И того:??? Овчинка выделки стоит? Не напоминает бег ослика за морковкой? Может поискать что-то более приемлемое из вторых рук? В предложениях нет недостатка."

http://soundex.ru/index.php?/topic/25810-динамики-tannoy/#comment-230026
 
 
Цитата
Griroriy  пишет:
В том то и суть. Чтоб сделать только из того, что есть в оригинальном кроссовере.А то что я далее  написал:Свои, я несколько иначе делаю. Вовсе не означало  выложить их схему.
Ок.Фирма веников не вяжет ,а просто продает :wink: .
Хотелось узнать , а как дело обстоит с Вашими почитателями ? В смысле , Вы им схему кроссовера отправляете под грифом совершенно секретно и спец курьером ?

Цитата
Griroriy  пишет:
Ну, пожалуй ещё:
DP - Made in Japan 7.Space Truckin',
Gillan - Mr. Universe 10. Fighting Man
Jon Lord - Sarabande 2.Sarabande,
Blackmore's Night - Autumn Sky 1.Higland  
Ваш выбор выглядит как минимум странно.Где же взять записи уважаемых музыкантов отвечающим тестового сравнения , если их нет в природе ? Кроме двух последних.
Как бы то не было , сделаю все , как Вы рекомендовали :confuse: , надеясь на отличный результат!

Михаил любезно предоставил информацию :cheers:  по вопросу  поднятому мной
топик 1054-1055
http://www.hi-fi.ru/forum/forum44/topic13947/?PAGEN_1=106
http://soundex.ru/index.php?/topic/25810-%D0%B4%D0%B8%D0%BD%D0%B0%D0%BC%D0%B8%D0%BA%D0%B8-tannoy/&page=7

P.S. Позволю себе напомнить ,что сегодня 13-00 прослушивание в Next Sound динамиков фирмы Tannoy Gold, Red и Silver серии , а также кроссоверов от Eugen Komissarov.Желающие Велком.

Mike.&.The.Mechanics-Rewired.[2004]
image.png (1.65 МБ)
image (1).png (863.36 КБ)
image (2).png (967.2 КБ)
Изменено: sergey polyakov - 22-08-2016 05:56:59
 
 
Цитата
sergey polyakov пишет:
Ок.Фирма веников не вяжет ,а просто продает.  
Фраза больше риторическая , чем желание обидеть и была написана машинально , очень рад что Вы отреагировали на неё соответственно :cheers: .

Цитата
Griroriy  пишет:
А у кого есть деньги (вместо того чтоб, поддерживать аудиопром, без устали меняя одно его бездарное изделие на другое, каждый раз теряя до половины стоимости этого изделия), пусть кроссоверы мои покупает. По моему - абсолютно справедливо.
Я как раз к этому отношусь нормально.Каждый труд должен быть оплачен.Будь то черные лакированные ящики или серебрёные коробочки с кроссовером  :confuse: .

Цитата
Griroriy  пишет:
Да, кстати.Вот уже год, как у меня есть схема Kensington GR, но всё забываю её опубликовать.
Я очень рад за Вас!Для меня эта информация не очень беспокоит.Если бы остро встал вопрос о схеме , думаю поехал в НОТУ+ и там решил эту проблему.На худой конец обратился к официальному дилеру в Москве  «Бонанза» или на прямки.

"В 2013 году компания обновила серию, присвоив ей название Gold Reference.Tannoy решили выпуском ограниченной коллекционной версии этих акустических систем, которые будут носить имя Tannoy Kensington GR Black Limited Edition. Tannoy Kensington GR Black Limited Edition выпущена тиражом 100 пар на весь мир. Квота на Россию составила 4 пары. Поэтому эти акустические системы являются подлинным коллекционным артефактом!"

Тип корпуса Напольные
Количество полос / Акустическое оформление Двухполосная система / Фазоинвертор с двойным регулируемым щелевым фронтально-боковым портом.
Частотный диапазон 29 Гц - 27 000 Гц (- 6 дБ)
Диаграмма направленности Более 90 градусов.
Сопротивление 8 Ом
Чувствительность 93 дБ (2.83 Вольт @ 1метр)
Рекомендуемая мощность усилителя 20 Вт (минимальная) / 250 Вт (максимальная)
Мощность номинальная / пиковая 125 Вт (RMS) / 500 Вт (пиковая)
Высокочастотный динамик, технология Dual Concentric 51 мм алюминиевый купол с подвесом из материала Mylar, магнитная система ALNICO, волновод Pepperpot WaveGuide. Криогенная обработка
Низкочастотный динамик, технология Dual Concentric Диффузор диаметром 250 мм из бумажной массы с двухслойным подвесом из ткани. Магнитная система ALNICO
Кроссовер (регулируемый) 1,1 kГц, +/- 3 дБ от 1,1 kГц до 27 kГц, +2 / -6 дБ от 5 kГц до 27 kГц (низкие - фильтр 2-го порядка; высокие - 2-го порядка) Криогенная обработка
Двухкабельное подключение Есть, с заземлением к усилителю. Клеммы WBT Nextgen
Материал корпуса и отделка Высокоплотная берёзовая фанера (фронтальная панель)/MDF, Отделка массив ореха. Внутренние поперечины и глубокое демпфирование.
Габариты (В x Ш x Г) 1100 x 406 x 338 мм
Вес 37 кг
http://www.6moons.com/audioreviews/tannoy6/1.html

P.S.Эксперимент с Вашим кросом откладывается до среды :oops: .
 
 
TANNOY TURNBERRY GR LE ALNICO

https://www.fidelity-magazin.de/2016/07/11/tannoy-turnberry-gr-le-alnico-messungen/
 
 
Машина времени или удивили , так удивили!

Все таки она существует!

Лучше все по порядку .Приехав и убедившись , на всякий случай , что больше ни кого нет , в душе порадовался , больше мне достанется.
Если серьёзно , не приехавшие много потеряли.
В этот раз пришлось вооружаться серьёзно .Хороший фотоаппарат
, диктофон и свою измерительную станцию .
Встречал меня сам Евгений Комиcсаров , после не долгих обмен любезностями перешли к волнующему нас вопросу о динамиках Tannoy.
Первым с чем хотел меня познакомить Евгений , это тек-документациями (обычно это все скрывают), но я предложил сначала прослушивания изготовленной им акустики на базе динамиков Голд монитор , что бы не было предвзятого отношения.
После не долгих ползания на карачках , все было подключено и включено.Когда послышался характерное шипение винила , я попросил включить CD , потому что слушаю только CD или комп.
Когда заиграла музыка , с первых же прозвучавших аккордов я почувствовал ,что перемещаюсь во времени.Времена Louis Armstrong & Duke Ellington
Next-Sound.1.jpg (122.03 КБ)
Next-Sound.2.jpg (422.16 КБ)
Страницы: Пред. 1 ... 103 104 105 106 107 ... 205 След.
Архив Форума Hi-Fi.ru
По 23-5-2020
Портал Hi-Fi.ru более не предоставляет возможностей и сервисов по общению пользователей

1997—2026 © Hi-Fi.ru (Лицензионное соглашение)