| Цитата |
|---|
| Станислав Мужеников пишет: Олег, не меняй АЧХ, |
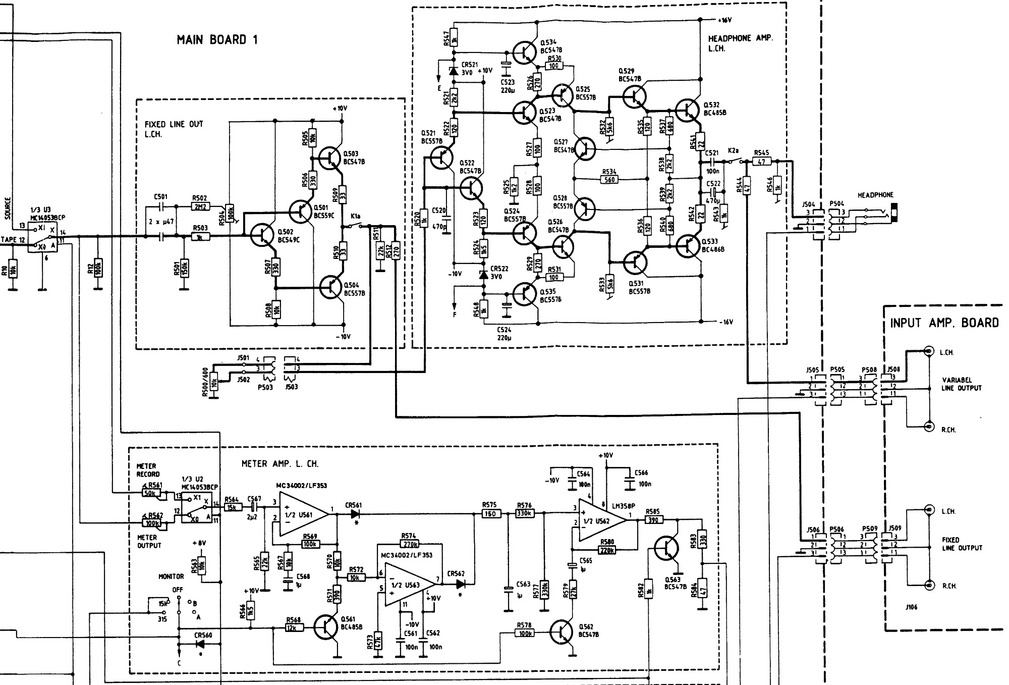
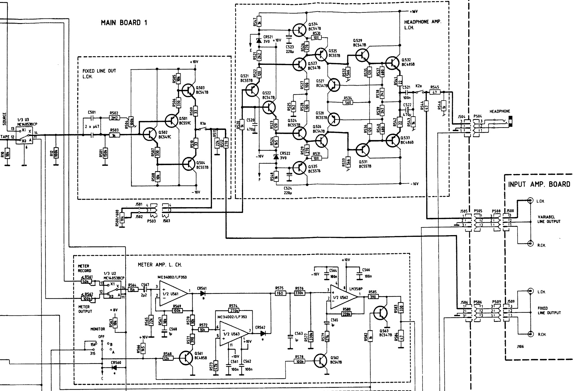
Существенный плюс аппарата - очень большой запас регулировок по токам для всех типов лент. Причем максимум отдачи по подмагничиванию достигается примерно в середине хода подстроечников.
В мануале есть косяки, в частности в разделе регулировки декодера Долби С нет упоминания чем регулировать максимум на 19,9кГцах, пропущены некоторые операции в разделах...
Кстати мониторинг в деке не совсем полноценный - в сквозняке индикатор показывает либо "Источник" либо выход УЗ(! немецкая школа !)

Регулируемый линейный выход управляется с выхода для наушников, т.е синхронно. И сигнал берется с ушника. Что, собственно говоря, и отражено на схеме.