Вот скриншот из СМ
:
Архив Форума Hi-Fi.ru
По 23-5-2020
Портал Hi-Fi.ru более не предоставляет возможностей и сервисов по общению пользователей
По 23-5-2020
Портал Hi-Fi.ru более не предоставляет возможностей и сервисов по общению пользователей
Измерительная техника для настройки магнитофонов., Какая нужна, какая лучше, как пользоваться, где взять.
|
08-11-2019 19:31:44
|
|
|
|
|
|
08-11-2019 19:55:25
Ушел до лучших времен
|
|||
|
|
|
|
08-11-2019 19:57:45
Ушел до лучших времен
|
|||
|
|
|
|
08-11-2019 20:00:17
Ушел до лучших времен
|
|||
|
|
|
|
08-11-2019 21:55:23
|
|||
|
|
|
|
08-11-2019 21:58:07
Изменено: - 08-11-2019 21:59:48
Ушел до лучших времен
|
|||
|
|
|
|
08-11-2019 22:07:12
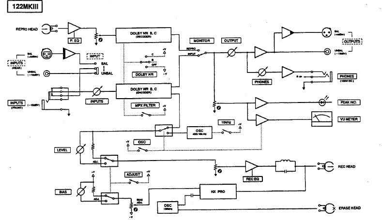
Но вообще то это очень странно... Ручка "Выход" в проф. магнитофонах служит для согласования с микшерским пультом и позволяет регулировать напряжение в плюс и минус относительно опорного (опорный уровень устанавливается в КТ и больше не трогается, под него подгоняется индикатор) а выходное напряжение может быть любым в указанном диапазоне. У нас Таскам-122 именно так и подключен был)))) |
|||
|
|
|
|
08-11-2019 22:11:31
Хотя я верю Вам, значит так нелогично сделано... Надо будет глянуть на досуге версию МКII... Если это так - то это безобразие. |
||||
|
|
|
|||
Архив Форума Hi-Fi.ru
По 23-5-2020
Портал Hi-Fi.ru более не предоставляет возможностей и сервисов по общению пользователей
По 23-5-2020
Портал Hi-Fi.ru более не предоставляет возможностей и сервисов по общению пользователей

Нестрашный, но я такого не пропустил бы))))