Архив Форума Hi-Fi.ru
По 23-5-2020
Портал Hi-Fi.ru более не предоставляет возможностей и сервисов по общению пользователей


Страницы: Пред. 1 ... 147 148 149 150 151 ... 166 След.

Измерительная техника для настройки магнитофонов., Какая нужна, какая лучше, как пользоваться, где взять.

 
 
Цитата
Veschii Oleg написал:
Если это так - то это безобразие.
форменное, так потому там и придумали двигать регулятор 7-8, чтоб индикатор показывал правильно !
Ушел до лучших времен
 
 
Цитата
Veschii Oleg написал:
Хотя я верю Вам
Олег, можно и на ты, я не обижусь )
Ушел до лучших времен
 
 
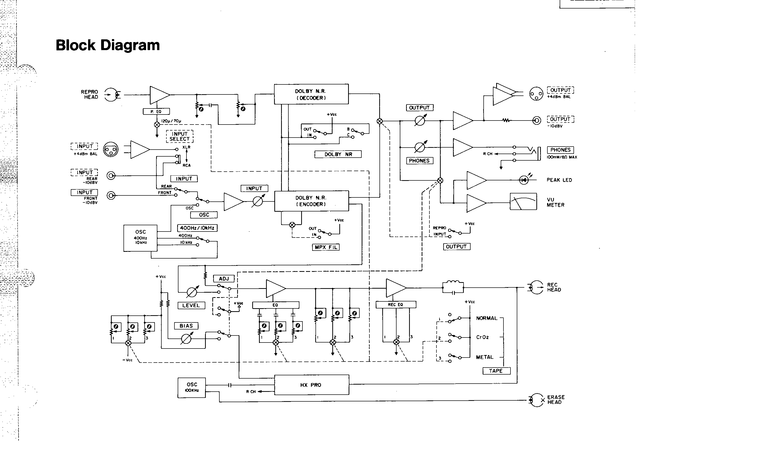
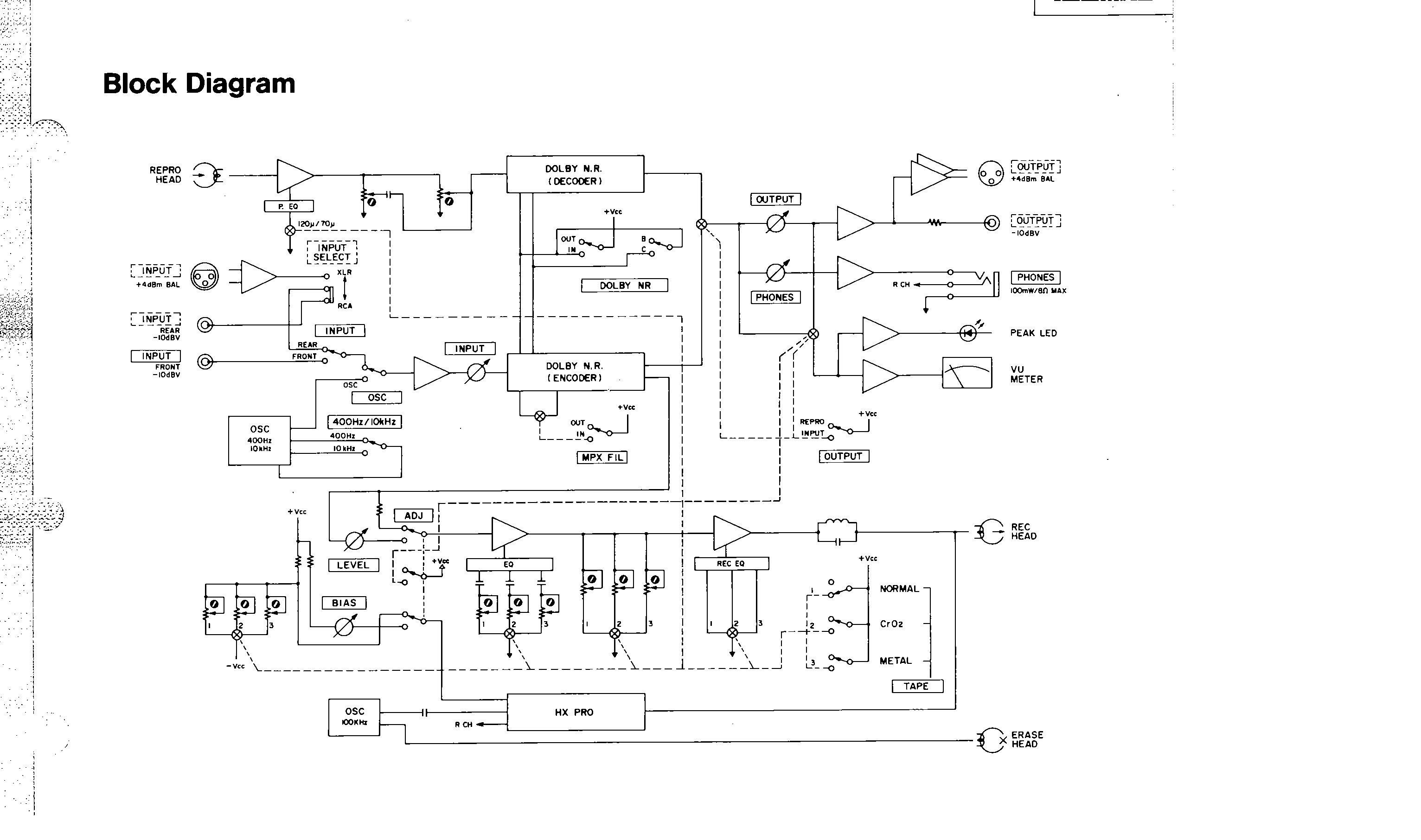
вот смотри
New Bitmap Image.png (121.13 КБ)
Ушел до лучших времен
 
 
Цитата
Triac написал:
там и придумали двигать регулятор 7-8, чтоб индикатор показывал правильно !
Чисто по памяти в 122 тоже где-то было написано про соответствие цифр определенному значению напряжения (в ОМ скорее всего), это нормально, чисто для пользователя, чтобы он не использовал вольтметр, если ему надо изменить напряжение на выходе.  

Но то что пользовательская (!!!) ручка в МК2 стоит до вольтметра и при её выкручивании насилуется схема индикатора - это безобразие!!!  
 
 
до регулятора выхода вольтметры переключаются только в режиме инпут (это когда при записи на паузе уровень записи настроить ну и слушать источник а не ленту))
Ушел до лучших времен
 
 
Цитата
Veschii Oleg написал:
Но вообще то это очень странно...
О, как много больших открытий великого учителя ждут впереди!
 
 
Цитата
Анатолий Петров написал:
О, как много больших открытий великого учителя ждут впереди!
тем более странно, так сделано было не только в этом аппарате, в катушечниках некоторых так было и на каких то ещё кассетниках
Ушел до лучших времен
 
 
Цитата
Triac написал:
вот смотри
А что делает переключатель "Выход" ?  Судя по схеме - там есть возможность и нормального подключения индикатора ;)  
 
 
Цитата
Triac написал:
до регулятора выхода вольтметры переключаются только в режиме инпут (это когда при записи на паузе уровень записи настроить ну и слушать источник а не ленту))
Ясно. Идиотизм. Кто так строит? :D  
 
 
и всё это сделано только для того чтоб не рисовать значёк долби на индикаторе.  всё это могли реализовать без заморочек на так любимых ими 4066, без всяких 7-8 регулятора.
Ушел до лучших времен
Страницы: Пред. 1 ... 147 148 149 150 151 ... 166 След.
Архив Форума Hi-Fi.ru
По 23-5-2020
Портал Hi-Fi.ru более не предоставляет возможностей и сервисов по общению пользователей

1997—2026 © Hi-Fi.ru (Лицензионное соглашение)