Архив Форума Hi-Fi.ru
По 23-5-2020
Портал Hi-Fi.ru более не предоставляет возможностей и сервисов по общению пользователей


Страницы: Пред. 1 ... 64 65 66 67 68 ... 150 След.

Советские магнитофоны - касетные, катушечные, Сделано в СССР

 
 
Цитата
Vitalik1972 Слепченко пишет:
О Виликий

Пьянству - Бой! :D
 
 
А трезвости - герл!  :laughter:
 
 
Цитата
Максим  пишет:
Цитата
Синхрофазатрон  пишет:

запись

А зачем ее вообще делать?  

Я подобные аппараты довожу до уровня безупречно работающих читалок.

Даже емкости в ГСП не меняю. Не вижу смысла...  



А вот приличные аппараты имеет смысл вылизывать до полного блеска.

500-ю доску пока даже на запись не попробовал. Хотя надо бы...  



А так имею 6 штатных писателей: 1506, 747 в катушках.

1000ZXL, 700ZXE, AL-85, AL-90.



И два запасных ТА-2060 и ТА-2900, доверенные Олегом до жемчужного блеска.

И хватит..
Наверно да, заело то что продовался как рабочий, я и не пробывал писать неделю или две плсле покупки,а тут дай попробую, и нате. И задёргался. Поколдую ещё немного и брошу. На дачу пойдёт как читалка. Кстати третий транзистор поменял,  вместо 361 стоял 313(даже не 315 как на одной из схем), когда увидел, затеплилась надежда, но увы. Выпаеные транзисторы и так были рабочие. На четвёртый уже не надеюсь, что то там другое накрылось.
Изменено: Синхрофазатрон - 15-03-2016 23:06:26
Наличие только диплома = наличию водительского удостоверения у "блондинки".  :D  
 
 
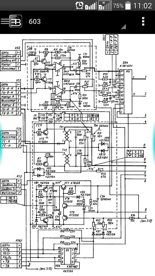
Фазотрон посмотри приходит ли управляющий ГСП сигнал с логики
Без осциллографа - как без глаз - возьми хоть какой нибудь
 
 
Цитата
Магнитофоныч  пишет:
Фазотрон посмотри приходит ли управляющий ГСП сигнал с логики

Без осциллографа - как без глаз - возьми хоть какой нибудь
Попробую прикупить, дело в том что если писать на стёртую ленту, то записываетца ели ели, и хрипло, но чтото есть. На нестёртой то же так же пишетца, просто неразберёш что наложилось, старый сигнал не стёрт совершенно, и на его фоне нового неслышно.
Изменено: Синхрофазатрон - 15-03-2016 23:14:20
Наличие только диплома = наличию водительского удостоверения у "блондинки".  :D  
 
 
С11, С23 электролиты что ли такие были, может они усохли.
Изменено: Синхрофазатрон - 16-03-2016 11:03:47
Наличие только диплома = наличию водительского удостоверения у "блондинки".  :D  
 
 
Цитата
Синхрофазатрон  пишет:
заело то что продовался как рабочий

Ну, алчные антрессольные барыги еще не такое напишут! :D
Я при покупке содепа интересуюсь исключительно внешним видом и комплектностью, заранее понимая, что некоторые экземпляра с завода выходили уже не слишком-то рабочие. :smoke:

А на роль читалки для дачи - самое оно.. :tribune:
 
 
Цитата
Максим  пишет:
Цитата
Синхрофазатрон  пишет:

заело то что продовался как рабочий

Ну, алчные антрессольные барыги еще не такое напишут!  

Я при покупке содепа интересуюсь исключительно внешним видом и комплектностью, заранее понимая, что некоторые экземпляра с завода выходили уже не слишком-то рабочие.  



А на роль читалки для дачи - самое оно..  
Видео работы присылал, но запись включал только до паузы, якобы кассету не хотел тереть, да и не подключено источника никакого небыло да я о записи и не думал совсем.
Наличие только диплома = наличию водительского удостоверения у "блондинки".  :D  
 
 
Цитата
Синхрофазатрон  пишет:
запись включал только до паузы

Типическая барыжья гнида! :D
Изменено: Максим - 16-03-2016 15:21:48
 
 
[QUOTE]Максим пишет:

Макс, зацени http://www.ebay.com/itm/MINT-LADA-2103-2106-2105-2108-ZVEZDA-204-RADIO-CASSETTE-BECKER-BLAUPUNKT-REPLICA-/281968677566?hash=item41a6a492be:g:4EIAAOSwoudW6YG9

Надо брать :D

335 СОВЕТСКИХ РУБЛЕВ 90 ГОДА = 335$ 2016 ГОДА :prayer:

ХОЧУ ТАКОЙ КУРС :patri:
Изменено: Олег Ершов - 16-03-2016 21:51:22
Страницы: Пред. 1 ... 64 65 66 67 68 ... 150 След.
Архив Форума Hi-Fi.ru
По 23-5-2020
Портал Hi-Fi.ru более не предоставляет возможностей и сервисов по общению пользователей

1997—2026 © Hi-Fi.ru (Лицензионное соглашение)