Архив Форума Hi-Fi.ru
По 23-5-2020
Портал Hi-Fi.ru более не предоставляет возможностей и сервисов по общению пользователей


Страницы: Пред. 1 ... 270 271 272 273 274 ... 1099 След.

Деки NAKAMICHI, Настройка и обсуждение (Part 2)

 
 
Цитата
Магнитофоныч  пишет:
Хренассе у тебя холодильник

 
Только чёрт его знает от чего зависит, так с последним рессивером и блю реем было, до этого с другим и ДВД не было, кому там чего не хватает или излишек не знаю.
20171002_213603.jpg (438.24 КБ)
Изменено: Синхрофазатрон - 02-10-2017 21:42:12
Наличие только диплома = наличию водительского удостоверения у "блондинки".  :D  
 
 
Ну холодильник как холодильник
Я то думал там промышленная холодильная установка какая то
И лампы аж в полнакала начинают светить
:D
 
 
Сеть может слабая
Провода тонкие
Любой мощный потребитель импульсную помеху гонит
 
 
Цитата
Магнитофоныч  пишет:
Сеть может слабая

Провода тонкие

Любой мощный потребитель импульсную помеху гонит
Может, ну не штробить же под новую проводку, 79год лапша-люминь АППВ 2*2.5мм ;)
Наличие только диплома = наличию водительского удостоверения у "блондинки".  :D  
 
 
Сравнили тоже проц блю рея и контроллер cr 4, у cr 4 самый обычный контроллер, у которого почти нет потребления, а блю рея столько чипов обработки сигнала, любая помеха в сети к сбою может привезти.
 
 
2,5 квадрата сечение или 2,5 мм диаметр?
 
 
Цитата
Магнитофоныч  пишет:
2,5 квадрата сечение или 2,5 мм диаметр?
Есен пень сечение.
Наличие только диплома = наличию водительского удостоверения у "блондинки".  :D  
 
 
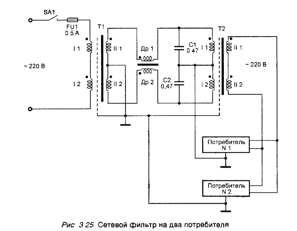
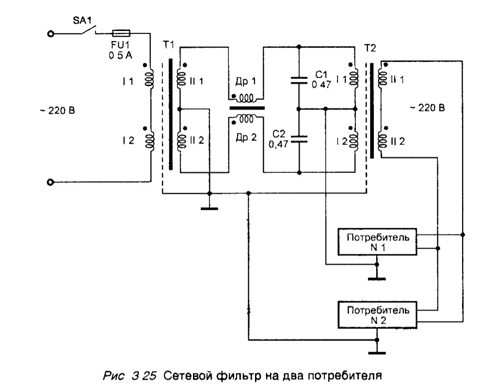
У меня сделать фильтр сетевой все руки никак не доходят
Нужная вещь
 
 
Хайфаевская банда смотрю - уже все ресурсы по магнитной записи оккупировала  :D
Топик видишь ли очень очень интересный ему
:laughter:
 
 
Цитата
Андрей  пишет:
зачем делать . продается в ассортименте )
Романтик в тебе усоп
Купить все могут
А сделать - не все
:D
Страницы: Пред. 1 ... 270 271 272 273 274 ... 1099 След.
Архив Форума Hi-Fi.ru
По 23-5-2020
Портал Hi-Fi.ru более не предоставляет возможностей и сервисов по общению пользователей

1997—2026 © Hi-Fi.ru (Лицензионное соглашение)