Архив Форума Hi-Fi.ru
По 23-5-2020
Портал Hi-Fi.ru более не предоставляет возможностей и сервисов по общению пользователей


Страницы: Пред. 1 ... 731 732 733 734 735 ... 1099 След.

Деки NAKAMICHI, Настройка и обсуждение (Part 2)

 
 
Блять а я вот хороший стартаппер (не путать со старпер)
доводить до конца - не мое
:D  
 
 
Юркин
убери телок
западло ибо
:D  
 
 
Я тебе сейчас дайджест устрою
по первому по колено
 
 
550
 
 
500
 
 
600
 
 
10000!!!
 
 
Есть ещё кое что ...друг Горацио....
Надо бы настраивать с полным введённым сердечником,подбором кандёра,можно даже маленький подстроечник с возд диэлектриком...
В таком положении,у контура максимальная добротность...
 
 
Цитата
Магнитофоныч написал:
Кто любит поэкспериментировать с ОУ
попробуйте LME49720
я заменил OPA2134 на них в ушнике
искажения уменьшились в звуковом диапазоне (инструментально)

Этот ОУ работает с очень большим током покоя выходного каскада
и греется как печка
скорее всего
Попробую попробовать . Правда , пока не решил, куда попробовать  :cool:  
 
 
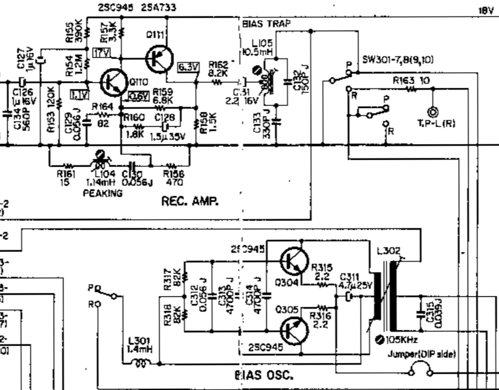
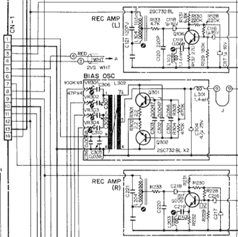
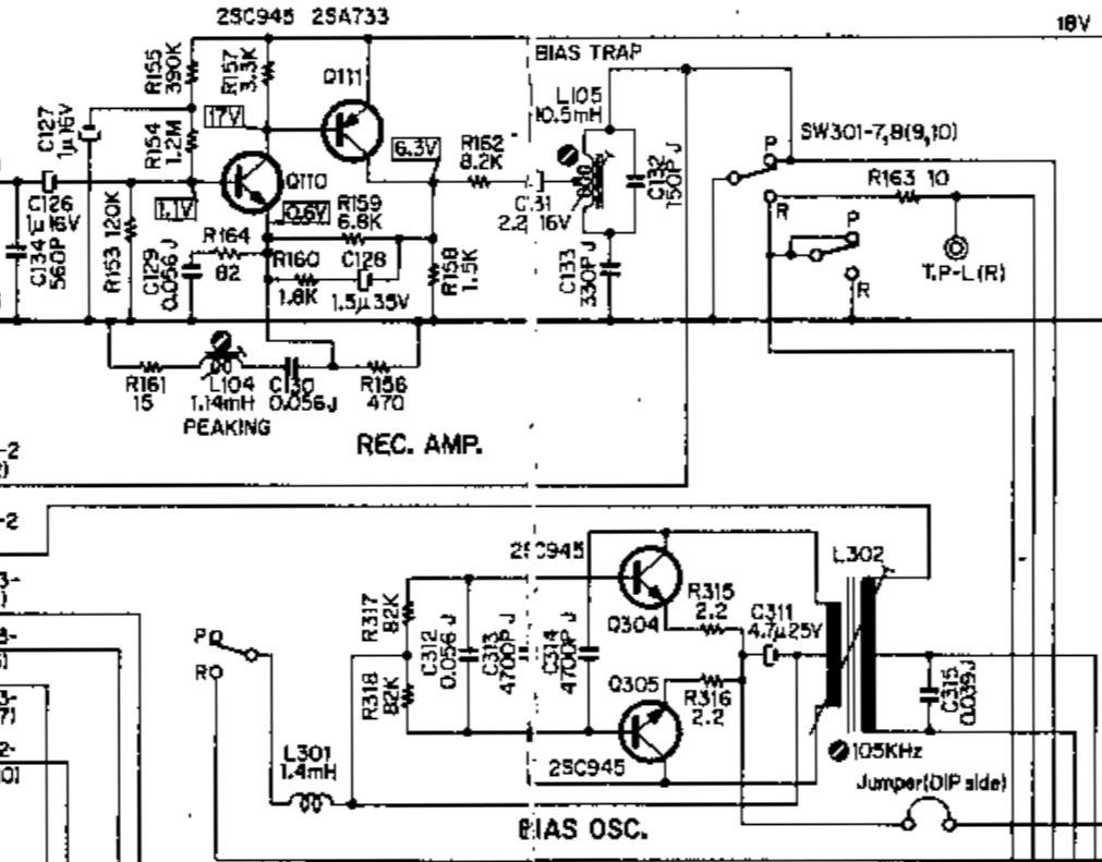
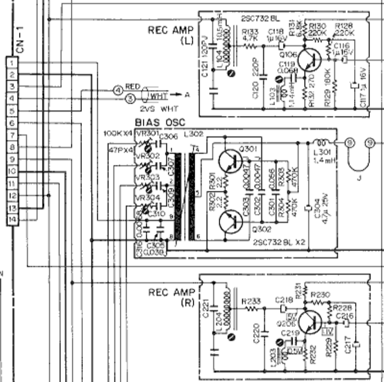
Борис, если СМ по 600 есть, как там рекомендовано настраивать фильтр-пробку УЗ, по максимуму, измеряя падение напряжения на резисторе посл с головой, или по минимуму с выхода УЗ до фильтра?
作りましょう!
Страницы: Пред. 1 ... 731 732 733 734 735 ... 1099 След.
Архив Форума Hi-Fi.ru
По 23-5-2020
Портал Hi-Fi.ru более не предоставляет возможностей и сервисов по общению пользователей

1997—2026 © Hi-Fi.ru (Лицензионное соглашение)