Архив Форума Hi-Fi.ru
По 23-5-2020
Портал Hi-Fi.ru более не предоставляет возможностей и сервисов по общению пользователей


Страницы: Пред. 1 ... 239 240 241 242 243 ... 429 След.

Любителям винила, Диппредставительство в Магнитофонной республике

 
 
Сырицо вроде автор этого мостового УМ
с 140УД11
 
 
Цитата
Магнитофоныч написал:
Есть еще один неочевидный недостаток - при выходе из строя одного из буферовне сразу поймешь что один вышел из строя из-за большого числа однотипных компонентов в параллелии сложно будет его локализовать
Это да, но там выход из строя одного из буфов пользователь вообще не заметит)))) Надо чтобы половина сгорела :D  
Правда если он не просто сгорит, а вылетит в КЗ, этого будет достаточно, но там применены относительно маломощные усилители и как правило их "вылет" заключается просто в пропадании сигнала на выходе, а не в КЗ.
 
 
Цитата
Veschii Oleg написал:
А я старшего Агеева (не родственника СИА) с малыми искажениями 0,003% при  20Вт на 8Ом. Простой и очень качественный (т.е вот минимум-миниморум при минимуме зартат).
Радио 87г 1и 2 нумер. Идеология там тоже очень интересная.
Номер второй
в первом номере нет ничего такого

Меня тоже этот УМ привлекал своей двухплатностью
 
 
Цитата
Mr.Yu написал:
Но последняя фишка дядьки - общая токовая ПОС, загоняющая ДФ в космос
А вот эта фишка усилитель может реально в космос отправить, если самовозбуждение произойдет :D  
 
 
Цитата
Магнитофоныч написал:
Сырицо вроде автор этого мостового УМ
с 140УД11
Спутал я - у Сырицо на дарлингтонах УМ был
 
 
Интересно
кто первый скажет сакральную фразу
ПОШЛИ В ЖОПУ ИЗ СВЯТОГО ВИНИЛА
:laughter:  
 
 
Цитата
Магнитофоныч написал:
Номер второй
Тогда пардон, мне что-то помнилось, что он в двух номерах - схема и настройка в разных, но не суть - фото да - это она - усилитель с малыми искажениями.
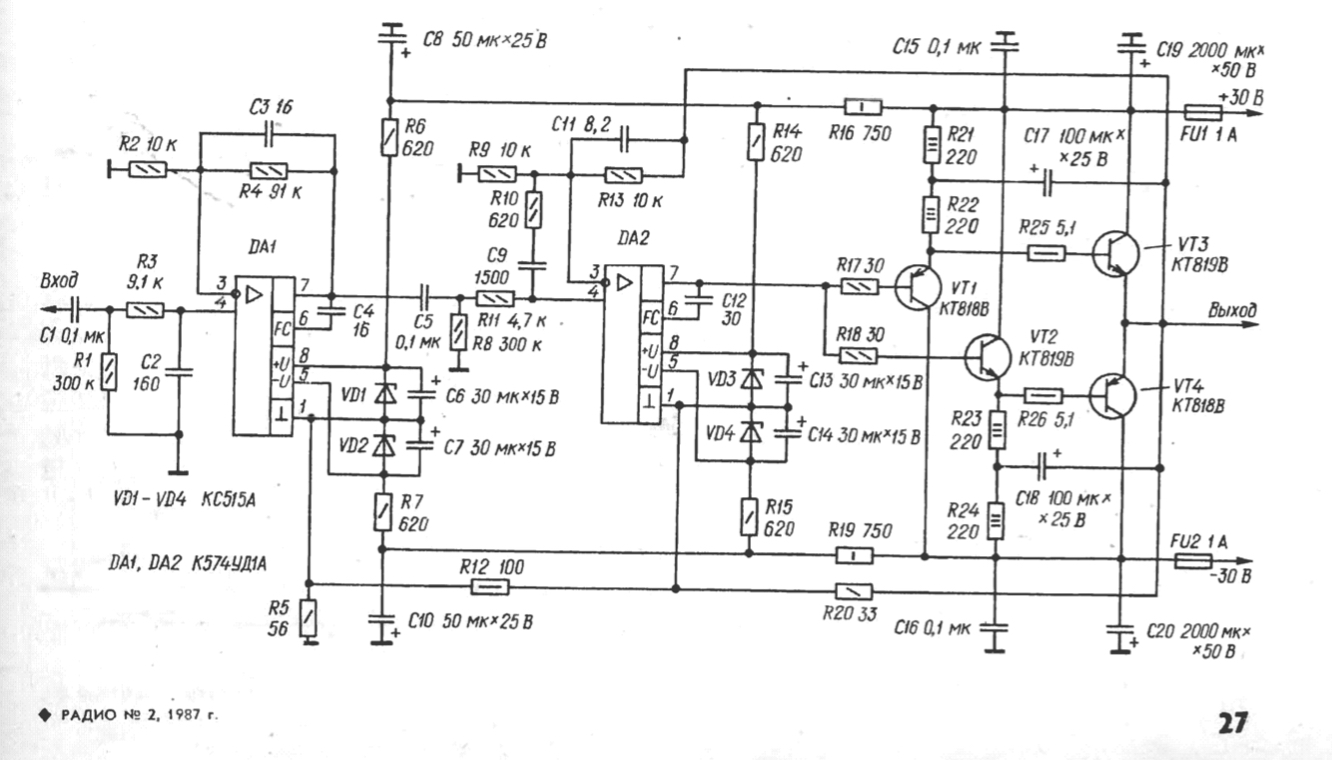
Фишка там не в двухплатности (это конструктив, хотя это тоже плюс) а в "параллельности" идеологии усилителя (с плавающими источниками питания ОУ) .  Примерно в начале 80х гг. Агеев разработал прототип этой схемы.
 
 
"Параллельность" заключается в параллельном включении пар VT1, VT3 и VT2VT4. Первая составляет как-бы один путь усиления по току, а вторая -второй. Ну а чтобы ограничение не наступало раньше напряжения питания - оно сделано плавающим, т.е потенциал земли ОУ меняется синхронно с началом ограничения сигнала в мощных каскадах.
 
 
Цитата
Андрей написал:
904 параллелятся и можно получить Ватт 50
Это мостовая схема.  В автомобильных УМ получила распространение.
 
 
Цитата
Veschii Oleg написал:
Было бы лишнее время (на все не хватает) можно было бы его немного доработать, плюс добавить некоторые пользовательские функции (предварительный усилитель с темброблоком на правильных частотах и индикатор выходной мощности на больших стрелках М96) и в пром. производство запустить. ;)  
Ну пипец! Суши вёсла!
Щас Профитмастеру это скину. Пусть поржёт. :D
Ты хотя бы примерную себестоимость посчитай, промышленник... :D Савва Морозов, не меньше. :D
Изменено: Анатолий Петров - 05-03-2019 15:51:54
Страницы: Пред. 1 ... 239 240 241 242 243 ... 429 След.
Архив Форума Hi-Fi.ru
По 23-5-2020
Портал Hi-Fi.ru более не предоставляет возможностей и сервисов по общению пользователей

1997—2026 © Hi-Fi.ru (Лицензионное соглашение)