Архив Форума Hi-Fi.ru
По 23-5-2020
Портал Hi-Fi.ru более не предоставляет возможностей и сервисов по общению пользователей


Страницы: Пред. 1 ... 237 238 239 240 241 ... 429 След.

Любителям винила, Диппредставительство в Магнитофонной республике

 
 
Парни
хорош уже быдляк свой дешевый разводить
на форуме технику надо обсуждать а не друг друга


 
 
Плохо - что буферы работают на предельных для них напряжениях питания

Есть еще один неочевидный недостаток - при выходе из строя одного из буферов
не сразу поймешь что один вышел из строя из-за большого числа
однотипных компонентов в параллели
и сложно будет его локализовать
 
 
Видел подобные проекты даже на 5532
 
 
даже на ведре мп27 и подобных им делают )
Ушел до лучших времен
 
 
Цитата
Магнитофоныч написал:
Заинтересовал усилитель Олега (Prophetmaster)Несмотря на слаботочность единичного BUF634 = 0,25 Aпри 48 буферах в параллель получается выходной ток 12 АНо скорость нарастания должна снизиться с 2000 В/мкс до 41,7 В/мксиз за суммирования входной емкости
Ему ещё далеко до уся одного известного дядьки  ;) http://www.firstwatt.com/pdf/art_beast.pdf
作りましょう!
 
 
Цитата
powerday написал:
но спец  он
Гена, твоя квалификация не позволяет даже участвовать в форуме, а только слушать и впитывать. ;)Пора показать и в этой ветке, кто такой ремонтНИК. Первая картинка - как он ремонтнирует, вторая как он умеет считать простейшие цепи.
бред3.JPG (753.37 КБ)
 
 
Цитата
Mr.Yu написал:
Ему ещё далеко до уся одного известного дядьки
Мама!
 
 
Олег
уймись
А

никому не интересно это уже
 
 
Не знаю
мне кажется все это только ради экзотики
я приверженец классических УМ
 
 
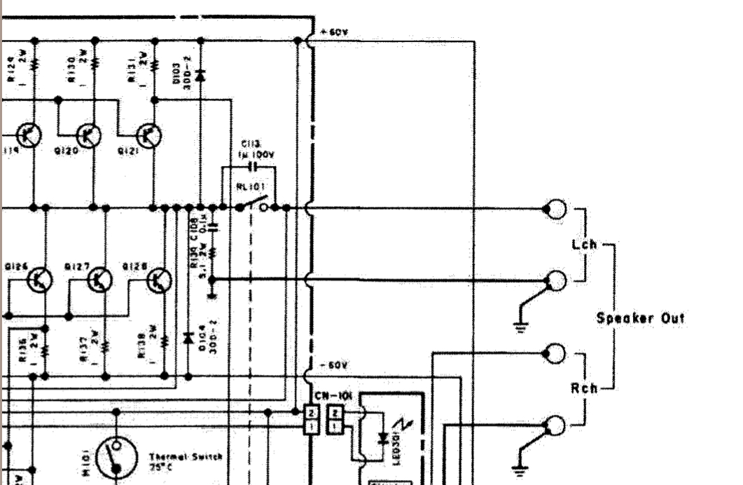
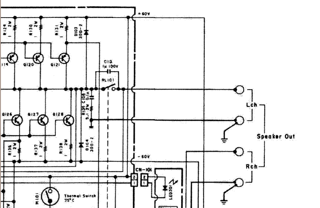
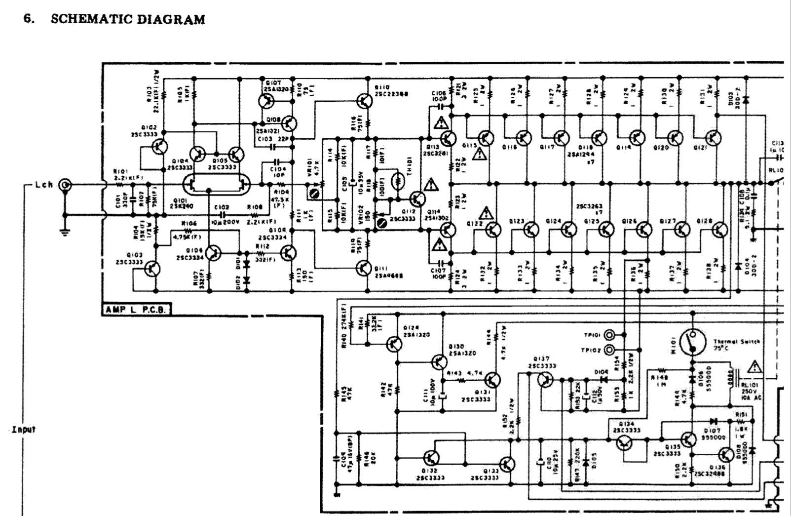
Кто знает
зачем инженеры Накамичи
конденсатор вкрячили параллельно контактам выходного реле?
Хочу выдрать его нахрен
Страницы: Пред. 1 ... 237 238 239 240 241 ... 429 След.
Архив Форума Hi-Fi.ru
По 23-5-2020
Портал Hi-Fi.ru более не предоставляет возможностей и сервисов по общению пользователей

1997—2026 © Hi-Fi.ru (Лицензионное соглашение)