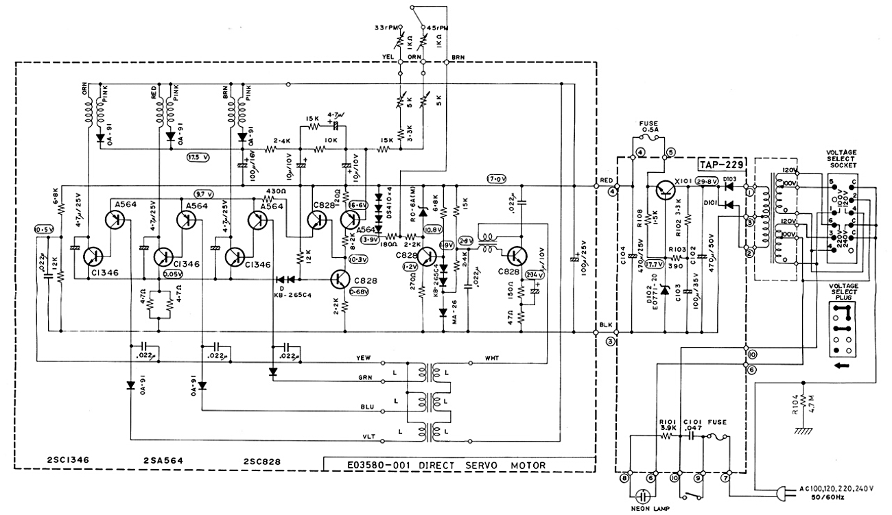
Всем привет. Решил заняться ремонтом своего проигрывателя. Проблема в том, что при запуске после простоя , в течении минут 20 плавает скорость проигрывания, не всегда удаётся выставить даже потенциометрами, приходится лезть к подстроечникам на самом двигателе.
Начал с малого, решил отмести механику, разобрал, почистил и заново смазал вал. Проблема не решилась.
Сегодня заменил конденсаторы на плате двигателя. Из снятых конденсаторов один соответствовал номиналу, но был высокий ESR 25Ом(!!), второй был с заниженной ёмкость и тоже Еср выше нормы, а третий вообще прикинулся диодной сборкой( проводил проверку на тестере предварительно выпаяв конденсатор. )
После манипуляций диск перестал раскручиваться вовсе. От руки проверил, ничего не клинит. В инете так и не нашёл сервис мануал на него, может кто с опытом что подскажет?буду рад советам.
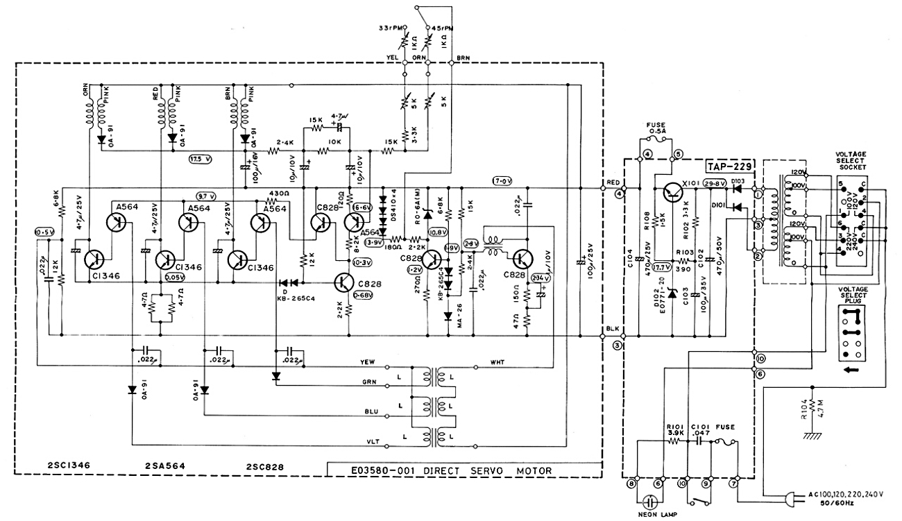
Начал с малого, решил отмести механику, разобрал, почистил и заново смазал вал. Проблема не решилась.
Сегодня заменил конденсаторы на плате двигателя. Из снятых конденсаторов один соответствовал номиналу, но был высокий ESR 25Ом(!!), второй был с заниженной ёмкость и тоже Еср выше нормы, а третий вообще прикинулся диодной сборкой( проводил проверку на тестере предварительно выпаяв конденсатор. )
После манипуляций диск перестал раскручиваться вовсе. От руки проверил, ничего не клинит. В инете так и не нашёл сервис мануал на него, может кто с опытом что подскажет?буду рад советам.
