В смысле колонка...? Может Вы имели в виду динамики?
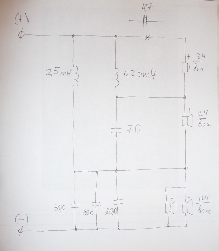
В этих АС в зависимости от места изготовления, платы фильтров немного разные, как и компоненты, и их расположение. Маркировка выводов на динамики одинаковая.
К примеру фильтр из колонок изготовленных в Дании имеет плату прямоугольной формы и горизонтальное расположение элементов. Фильтры из индийских колонок квадратные. Расположение элементов вертикальное. Имеются в виду катушка с сердечником и конденсаторы.
Маркировка:Amplier 1-(+), 2-(-)-это выводы на клеммник.
LF 3-(+), 4-(-) - отсюда идут по два провода на каждый из НЧ динамиков. Они имеют сопротивление 16,0 ом и включены в параллель.
MR 5-(-), 6(+) - отсюда провода идут на СЧ динамик, который включен в противофазе.
HR 7-(+), 8-(-) - Отсюда провода идут на ВЧ динамик. Вот и всё.
В этих АС в зависимости от места изготовления, платы фильтров немного разные, как и компоненты, и их расположение. Маркировка выводов на динамики одинаковая.
К примеру фильтр из колонок изготовленных в Дании имеет плату прямоугольной формы и горизонтальное расположение элементов. Фильтры из индийских колонок квадратные. Расположение элементов вертикальное. Имеются в виду катушка с сердечником и конденсаторы.
Маркировка:Amplier 1-(+), 2-(-)-это выводы на клеммник.
LF 3-(+), 4-(-) - отсюда идут по два провода на каждый из НЧ динамиков. Они имеют сопротивление 16,0 ом и включены в параллель.
MR 5-(-), 6(+) - отсюда провода идут на СЧ динамик, который включен в противофазе.
HR 7-(+), 8-(-) - Отсюда провода идут на ВЧ динамик. Вот и всё.
