Добрый день!
Возникла необходимость уменьшить количество баса в 3-полосных АС.
Штатного регулятора в конструкции не предусмотрено.
СЧ-ВЧ на мой слух идеальны поэтому расставаться с АС не вариант, но из-за избытка баса на малой громкости они не раскрывались, возможно для больших помещений эти АС, но не суть.
По советам "знающих" добавил в разрыв плюсового кабеля на НЧ емкость на 150мкф, на выходе с кроссовера. Емкости "аудиофильские".
Подбирал на слух между 100-470мкф, в первом приближении результатом доволен, баса стало столько сколько нужно.
Но теперь терзаюсь вопросом правильно ли так делать?
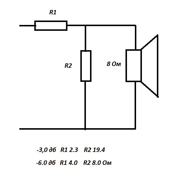
Как устроены регуляторы частот на АС где они есть с завода?
Вроде бы справочники тоже советуют для фильтрации НЧ ставить конденсаторы, но то не HI-FI справочники, а что в реальности происходит с АЧХ после такого тюнинга, линейно ли снижается НЧ на всем диапазоне или происходит завал с какой-то стороны?
Не добавляется ли "лохматости" или шума от конденсатора, не происходит ли смещения фазы?
С осциллографом не дружу, проверить самому не судьба.
Возникла необходимость уменьшить количество баса в 3-полосных АС.
Штатного регулятора в конструкции не предусмотрено.
СЧ-ВЧ на мой слух идеальны поэтому расставаться с АС не вариант, но из-за избытка баса на малой громкости они не раскрывались, возможно для больших помещений эти АС, но не суть.
По советам "знающих" добавил в разрыв плюсового кабеля на НЧ емкость на 150мкф, на выходе с кроссовера. Емкости "аудиофильские".
Подбирал на слух между 100-470мкф, в первом приближении результатом доволен, баса стало столько сколько нужно.
Но теперь терзаюсь вопросом правильно ли так делать?
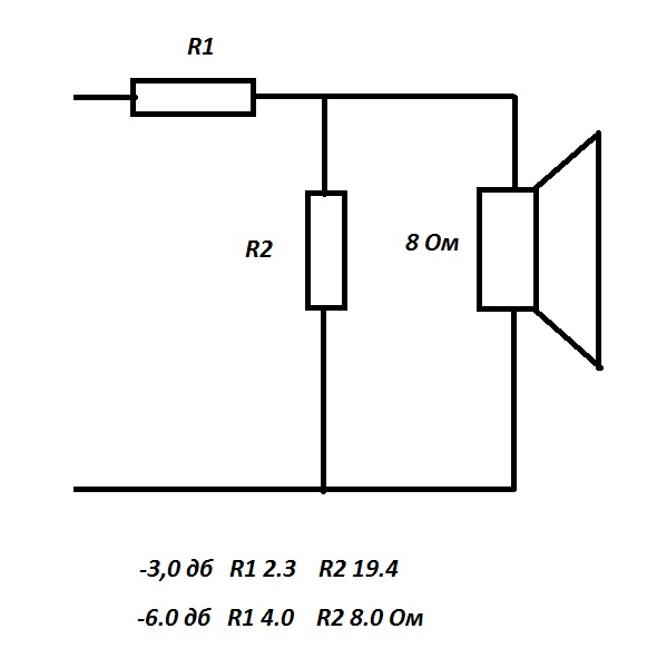
Как устроены регуляторы частот на АС где они есть с завода?
Вроде бы справочники тоже советуют для фильтрации НЧ ставить конденсаторы, но то не HI-FI справочники, а что в реальности происходит с АЧХ после такого тюнинга, линейно ли снижается НЧ на всем диапазоне или происходит завал с какой-то стороны?
Не добавляется ли "лохматости" или шума от конденсатора, не происходит ли смещения фазы?
С осциллографом не дружу, проверить самому не судьба.
