Я ее просто размещаю здесь по его просьбе, никакого отношение к написанию и к разработке не имею
Задачи конструирования современного динамика
Классический динамик, которому сто лет, мало изменился за это время. В основном, электромагнит подмагничивания был заменен постоянным магнитом. Менялась форма диффузора. Остальное практически дожило до наших дней. Динамики были хорошие, динамики были плохие, но при одной и той же конструкции всё отличие было в качестве изготовления, технологии материалов.
Центрирующая шайба — не совсем она центрирующая, так как держать тяжелую медную катушку в зазоре не очень легко. Да и сама она меняла свои параметры от времени. При том она еще являлась паразитным диффузором, который добавлял вес к подвижной системе катушка — центрирующая шайба — диффузор — подвес. Как было отмечено в литературе, центрирующая шайба и подвес составляют 80% искажений, вносимых динамиком. К недостаткам классического динамика относится его неремонтопригодность. Всё склеивается монолитом — вся подвижная часть при ремонте выкидывается.
Измерение параметров этого динамика — на них можно только смотреть, но изменить ничего нельзя. Основной недостаток — меняются его параметры от времени. Конструкция классического динамика такая, что при его изготовлении необходим литейный цех для отлива корпуса или пресс высотой с двухэтажный дом — штамповать эту самую корзину.
Первое, с чего пришлось начинать — это создавать технологичную конструкцию. Сложная конструкция никогда не будет хорошо работать. Первое, что подверглась не изменению, а удалению полностью, это старая корзина, которая была заменена разборным корпусом, где исчезла необходимость в литейке и в гигантском прессе.
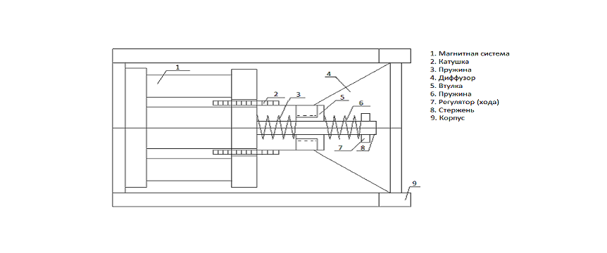
Рис.1
Конструкция нового корпуса Рис.1 позволяет регулировать положение звуковой катушки по отношению к зазору магнитной системы, дает возможность легко разбирать динамик, менять любую деталь. Например, можно отремонтировать — заменить сгоревшую катушку за несколько минут, не привлекая крупнейших специалистов по ремонту динамиков, одновременно при этом катушка может быть любого сопротивления из ряда 4, 6, 8, 12, 16, … и т.д. Простота настройки состоит в том, что не надо устанавливать зазоры при сборке: все детали изготовлены так, что все зазоры устанавливаются на свои места благодаря законченной отработанной конструкции.
Разработанный динамик не меняет свои параметры от времени, чего нельзя сказать о классическом варианте. В новом нет материалов, изменяющих свои физические свойства со временем. Именно те материалы и детали из них (подвес, центрирующая шайба), которые меняют свою форму, прогибаются, сгибаются — исключены. Новый диффузор изготавливается такой жесткой формой, которая не подлежит деформации при работе.
Параметры... Они задаются при конкретной конструкции, а лучше они или хуже — это от его конструктивных возможностей, т.е. большие возможности, заложенные в его конструкции.
Жесткий диффузор необходим для того, чтобы устранить волновое движение от центра диффузора к его краю, которое вызывает фазовые искажения, которые характеризуются групповым временем запаздывания (ГВЗ).
Мощность динамика.
В конечном счете, мощность динамика зависит от количества витков в катушке, и только от количества витков. Попробую пояснить. На первый взгляд, мощность зависит от размеров магнита, от силы магнита, от тока, поступающего на катушку, от ширины магнитного зазора, от массы подвижной системы, от размеров динамика. Но на второй взгляд, это не так. Если при одних и тех же этих семи условиях будет только один виток, то мощность будет одна, а при, например, десяти витках, мощность будет больше. Всё остальное продолжает легко доказываться, потому, что они создают оптимальные условия для работы этих витков. А так как динамик — это линейный двигатель, то чем больше витков, тем больше поршней в этом двигателе. Это накладывает условия при изготовлении катушки, т.е. уменьшая число витков, мы уменьшаем мощность этого линейного двигателя, который «платит» нам «бубнением».
Добротность динамика.
Добротность динамика считается одним из основных параметров. Она должна передавать форму сигнала точно такой же, какая поступила на вход этого динамика. Как решается это вопрос в классическом динамике? Практически никак. Подвижная часть у него склеена монолитно. Намекается, что центрирующая шайба пропитывается каким-то составом, уменьшающим её подвижность. Но этот состав может ослабевать или, наоборот, каменеть, но никаким образом не позволяет регулировать эту величину.
Конструкция с направляющим стержнем позволяет выставлять эту величину при контрольных измерениях. В новой конструкции демпфера также есть возможность регулировки демпфирования (см. Рис. 1). При этом не надо забывать о чувствительности.
Чувствительность динамика.
Чувствительность динамика — это его КПД в конечном счете. Динамик, в котором отсутствует центрирующая шайба и подвес, которые являются причиной плохой этой самой чувствительности, то утруждать себя увеличением ее (чувствительности) не нужно. Тем более, обратная сторона этой проблемы — добротность.
Все характеристики динамика — это механические проблемы. Выброс и провал на АЧХ должны устраняться механическим путем, а не электрическими схемами.
Диффузор: аэродинамика.
Поскольку диффузор в основном находится в импульсном режиме — стоп и пуск-ускорение, то надо учитывать и эту аэродинамику.
Если смотреть на диффузор сбоку, то он всегда несимметричен, это тот же воздушный клапан в воздушном насосе. И поэтому есть всегда надежда, что сигнал чисто синусоидальный будет искривлён. И я не встречал никого, кто искал бы причину нелинейных искажений динамика в этом направлении. Для того, чтобы это исчезло, надо рассмотреть весь тракт прохождения сигнала от усилителя до динамика и сделать весь этот тракт двухтактным. Этим в данный момент я и занимаюсь.
Диагностика.
В заключении о диагностике, дополнительно к той, которая классически отработана. Разработан прибор, который позволяет диагностировать магнитную систему и катушку.
Задача состоит в том, что никогда не известно какое состояние магнита (слабый, сильный) плюс катушка. Принцип работы его состоит в том, что подвижная часть проверяемого динамика приводится в движение, расположенным на одной оси другим более мощным динамиком, на который подается, например, синусоидальный сигнал. На выход проверяемого динамика, т.е. к его катушке подключается вольтметр переменного тока. Таким образом можно получить показатель качества, силу магнита, не в единицах магнитных величин, а, например, в вольтах. Также будет определено состояние и качество воздушного зазора, инерционность подвижной системы.
Следующую проверку можно провести для испытания качества подвеса катушки изменения стабильности зазора при двух положениях динамика. Первое положение — обычное — горизонтальная ось. Проверяются все интересующие нас параметры. Второе положение — устанавливаем динамик по оси вертикально и делаем эти же самые замеры. И в результате чем меньше разница в этих измерениях, тем лучше динамик.
Автор: заслуженный изобретатель Лобанов Олег Григорьевич
