Тонармы SAEC

Обзор моделей и опыт использования (часть 1)


Самый распространенный и набивший оскомину вопрос раздела «Любителям винила» форума Hi-Fi.ru, заставляющий кровь местных аборигенов бурлить: «Какой проигрыватель купить?» – задается обычно новичками, имеющими довольно смутное представление о предмете их вожделений. Окончательно «добить» местную братию может только уточнение: «... купить приличный в пределах 200 у.е.». И хотя подбор «полного» проигрывателя винила дело важное и ответственное, а достойный аппарат при покупке обойдется в несколько раз дороже озвученной выше суммы, но все же такой подход – это удел энтузиастов начального уровня. Добиться высоких характеристик всех составляющих такого «полного комбайна» его производитель в одиночку ни теоретически, ни физически неспособен. Это утверждение особенно справедливо в отношении такого компонента проигрывателя как тонам, производством которых обычно занимаются узкоспециализированные фирмы.

Тонармы SAEC

Любитель, озаботившийся подбором тонарма для своего проигрывателя, уже вряд ли новичок, и его «виниловый» энтузиазм перешел на другой, качественно отличный уровень. Отслушивание и сравнение различных тонармов, их согласование с картриджами, установка по нескольку тонармов на проигрыватель – все это звенья одной цепи, пагубные шаги на тернистом пути «диафила».

В этой статье я хочу поделиться опытом личного использования различных тонармов японской фирмы SAEC (Sound of Audio Engineering Company). Опыт был исключительно положительным, и, забегая вперед, скажу, что по совокупности своих характеристик, цене, звучанию и удобству использования тонармы этого бренда являются отличным выбором, а модельный ряд способен удовлетворить практически любой каприз весьма взыскательных любителей аналогового звука. Впечатления и мнения высказываю исключительно свои, а «несогласным» порекомендую довести до ума свой виниловый тракт или же послушать тонармы SAEC в приличной, желательно не «кривой» и не «жанровой» системе. Однако, ежели я вдруг где напутал с техническими параметрами и сухими цифрами, буду признателен за уточнение.

Тонармы SAEC


Общая информация

Фирма SAEC начала выпускать тонармы, ставшие впоследствии классикой, с 1971 года, модельный ряд состоит из шести основных видов (в приблизительном хронологическом порядке): WE-308, WE-308SX, WE-317, WE-506/30, WE-407, WE-8000/ST. Тонармы SAEC представляют собой статические тонармы, которые подкупают красотой инженерной мысли, логикой ее реализации и качеством изготовления. В них все «на своем месте» и почти всегда оптимально выверено. Задумка конструкторов ясна, а ее реализация заслуживает уважение - здесь все продумано до мелочей, даже держать такой тонарм в руках одно удовольствие. Как заметил один мой знакомый, эти тонармы похожи на прекрасного качества медицинский инструмент. К слову сказать, погрешность выставления прижимного давления по лимбу основного противовеса за счет его вращения составляет в тонармах SAEC всего пару сотых грамма. Чистая механика, никаких электронных «приблуд»!

Короткие модели тонармов этой фирмы (407 и модели серии 300) универсальны. Предусмотренная производителем замена противовесов дает возможность устанавливать картриджи весом от 6 до 35 граммов. Помучившись с подбором легких шеллов и противовесов можно добиться приемлемого значения резонанса не ниже 7-8 Гц для картриджей с податливостью 25 x 10-6 cm/Dyne. Для картриджей с большим значением податливости указанные тонармы все же будут тяжеловаты. Кстати, противовесы 300-ой серии тонармов взаимозаменяемы между собой, а также с противовесами от 407-ой модели. Единственное, для настройки прижимного давления необходимо будет использовать весы.

Вся линейка тонармов SAEC имеет объединяющие их общие технические решения. К таковым относятся «ножевые» опоры (подшипники) движения тонарма в вертикальной плоскости, которые должны (по идее) обеспечивать большую детальность в звуке, а также специальная система антискейтинга, реализующая повышение прижимного давления при движении тонарма от края пластинки к ее «яблоку», что действительно неплохо решает «проблему последнего трека».

Тонармы SAEC

Тонармы SAEC

Во избежание повреждения «ножевых» опор производитель запрещает держать тонарм, взявшись за его трубку. При изменении высоты тонарма следует браться за блоки «ножевых» опор.

Тонармы SAEC

Тонармы SAEC

Чтобы обезопасить «ножевые» опоры, для транспортировки тонарма предназначены специальные фиксирующие скобы, которые зачастую у большинства владельцев этих тонармов уже давным-давно утеряны. Однако, проблема транспортировки обычно решается фиксацией и обездвиживанием трубки тонарма в арм-ресте с помощью небольшого отрезка проволоки.

Тонармы SAEC

Тонармы SAEC

Способ установки тонармов на стол проигрывателя также одинаков для всех моделей. Никаких «прикручиваний на шурупах», как, например, в тонармах STAX или Audio-Technica. «Стакан» тонарма вставляется в отверстие стола и фиксируется снизу гайкой или специально разработанным для этого стабилизатором, имеющим вес не менее 500 граммов. У тонармов 300-ой серии, 407-ой модели и WE-8000/ST установочные отверстия одинаковые и составляют 27 мм, стабилизатор AS-500E для них также универсален. Для тонарма WE-506/30 используется стабилизатор модели AS-600E, а установочное отверстие имеет диаметр 42 мм. Влияние стабилизаторов на звук, как ни странно, довольно заметно и положительно сказывается как при их использовании на выносных базах (например, на «треногах» от Micro), так и на встроенных в стол (например, на Micro BL-91). После того, как на практике лично оценишь изменения, вносимые жесткой фиксацией тонарма на базе, а также эффект, достигаемый при использовании стабилизатора, к хлипким конструкциям крепления тонарма на «трех шурупах» начинаешь относиться с большим недоверием.

Тонармы SAEC

Тонармы SAEC

В дальнейшем речь пойдет о характеристиках, особенностях использования и «звучания» ИСПРАВНЫХ экземпляров тонармов SAEC. Подробную информацию по тонармам SAEC можно посмотреть на следующих ресурсах: http://fonolab.com/service-saec.html, http://audio-heritage.jp/SAEC/etc/index.html, http://www.vinylengine.com/tonearm_database.php

Тонармы 300-ой серии (WE-308N, WE-308L, WE-308SX, WE-317)

SAEC WE-308

Тонарм SAEC WE-308 впервые появился в 1971 году, в 1975 он начал выпускаться в модификации N (New) и его стоимость составила 33 500 иен (38 000 иен с 1978 года). Чем конструктивно отличается модификация «N» от более ранней версии, я не знаю, по внешнему виду различия незаметны. Имел дело только с несколькими тонармами модификации N.

Тонарм SAEC WE-308

SAEC WE-308N – это рабочая лошадка. Удобный, универсальный (по устанавливаемым картриджам) и доступный по цене тонарм, стоимость которого составляет на вторичном рынке 500-600$. За эти деньги приобрести что-нибудь лучше довольно сложно. Например, широко известный динамический тонарм Micro MA-505, который будет стоить на вторичке несколько дороже, уступает, на мой взгляд, SAEC WE-308N детальностью, качеством и сбалансированностью воспроизводимого звука.

Тонарм SAEC WE-308

Тонарм SAEC WE-308N условно можно назвать S-образным. Трубка имеет изгиб, а ось «ножевых» опор расположена под углом, а не перпендикулярно оси тонарма, что хорошо видно на схеме. Как и модель Micro MA-505, данный тонарм имеет небольшой поперечный противовес для балансировки движения в горизонтальной плоскости.

Основные технические характеристики тонарма SAEC WE-308N :

Эффективная длина: 240 мм
Установочная дистанция: 235 мм
Диаметр установочного отверстия: 27 мм
Диапазон высот по шеллу: 52 – 69 мм
Угол захода: 12,5 градусов

Тонарм комплектовался шеллом ULS-2 весом 7,3 граммов.

Тонарм SAEC WE-308

Тонарм SAEC WE-308N обеспечивает приемлемую детальность подачи музыкального материала, собственный «окрас» звучания почти отсутствует. Он хорошо передает все нюансы и детали записи, тональный баланс правильный, звук комфортный, сбалансированный и в нем ничего не раздражает. 308-ой будет лучше большинства штатно устанавливаемых на проигрыватели тонармов, но не всегда эта разница окажется значимой. Прекрасный выбор меломана. Приверженцу бескомпромиссного звучания 308-ой покажется несколько простоватым.

Особенностью SAEC WE-308N является крепление микролифта, а вместе с ним и арм-реста, к «стакану» тонарма, что создает определенные неудобства при настройке по высоте. Так, при изменении высоты установки тонарма придется менять и положение блока микролифта. В противном случае тонарм начнет «клевать носом» картриджа или задирать его вверх. Транспортировка тонарма со снятым «стаканом» - плохая идея. Вместе с ним убирается и арм-рест, а тем самым и возможность зафиксировать трубку тонарма, что может повлечь повреждение «ножевых» опор.

Тонарм SAEC WE-308

Блок микролифта довольно массивен и высок, из-за чего минимально возможное значение высоты тонарма составляет 52 мм, что совсем немало. Поэтому SAEC WE-308 может не подойти для проигрывателей с «тонкими» поворотными дисками, высокими базами для установки тонармов и при использовании низкопрофильных картриджей. Но справедливости ради отмечу, что фатальное стечение указанных причин встречается не так часто.

Тонарм SAEC WE-308

Еще одной особенностью тонармов SAEC WE-308 и WE-308L является отсутствие защиты пинов подключения фонокабеля, поэтому их замятие при транспортировке – обычное дело. У более поздних моделей тонармов SAEC данная проблема была решена.

Тонарм SAEC WE-308


SAEC WE-308 L (Long) (1978 год, 43 000 иен)

Модель с индексом L является «Long» версией тонарма SAEC WE-308, хотя «длинной» ее можно назвать только условно. Эффективная длина составляет 270 мм, установочная дистанция 265 мм, угол захода 11,2 градуса. Во всем остальном – это точная копия стандартной версии. Стоимость L-версии будет где-то на 200$ выше обычной. При сравнении со стандартной моделью каких-либо кардинальных различий в звуке я не обнаружил, характер звучания остался таким же. Но для тех, для кого «размер имеет значение», данная модификация будет неплохим выбором. Тонармы 308-ой серии универсальны. Предусмотренная производителем возможность смены противовесов дает возможность использовать как легкие, так и тяжелые картриджи.

Тонарм SAEC WE-308 L


SAEC WE-308 SX (1978, 75 000 иен)

Тонарм SAEC WE-308 SX

На первый взгляд, модификация SX – это все тот же SAEC WE-308N, с той же геометрией, эффективной длиной и установочными размерами. Единственное бросающееся в глаза отличие (кроме черного цвета блока микролифта) – защитные накладки на блоки «ножевых» опор. Именно эти накладки –единственное, что позаимствовали старшие серии от рассматриваемой модели. Также на тонарм штатно устанавливался тяжелый керамический шелл ULS-3X весом 17 граммов, которым в дальнейшем комплектовались WE-506/30 и WE-407/23, и более тяжелый основной противовес, компенсирующий увеличение веса шелла. Таким образом, при установке легкого шелла может потребоваться и замена штатного противовеса на более легкий.

К слову, тяжелый керамический шелл ULS-3X оказался очень удачным. Он популярен и в настоящее время, а его стоимость на вторичном рынке составляет где-то 300$. Однако, из-за его большого веса диапазон картриджей, которые можно на него установить, не слишком широк. Хорошо звучащих картриджей, рассчитанных на тяжелые тонармы и обладающих низкой податливостью, сейчас не так уж и много.

Тонарм SAEC WE-308 SX

Проблема сохранения пинов фонокабеля от повреждения в модели SAEC 308SX решена навинчиванием специального защитного кольца. Такое же решение в дальнейшем использовалось в тонармах WE-407, WE-506 и WE-8000.

Тонарм SAEC WE-308 SX

SAEC WE-308SX – довольно редко встречающийся тонарм, который правильнее рассматривать не как модификацию модели 308, а как отдельную независимую версию, позиционировавшуюся производителем в качестве старшей модели 300-ой линейки. На момент выхода в 1978 году SAEC WE-308SX стоил 75 000 иен, что в два раза дороже обычного WE-308N и более чем на 10% дороже появившейся позже легендарной модели WE-407/23. Отчасти такое повышение цены может быть объяснено стоимостью керамического шелла ULS-3X, которая на момент релиза составила 12 500 иен, в то время как использовавшийся ранее шелл ULS-2 стоил всего 2 000 иен. Но основная причина заоблачной цены модели SX (кроме статуса топового продукта) – в установке рубинового подшипника горизонтальной плоскости движения тонарма. Такое техническое решение больше не встречалось ни в каких других моделях фирмы – ни до, ни после SX.

Также при разработке SAEC WE-308SX ставилась задача добиться наилучших показателей сбалансированности трубки тонарма и такого распределения ее веса, чтобы точка «ножевых» опор являлась центром масс. Угол захода тонарма также был изменен и составил 21,41 градусов вместо 12,5 у WE-308N. Вероятно поэтому производитель не рекомендует для модели SX «оптимизировать» установку картриджа и вылета иглы с помощью сторонних шаблонов, так как это может привести к ухудшению трекинга.

Ко всему прочему, конструкция SAEC WE-308SX предполагала увеличение показателей разделения каналов, что достигалось за счет собственного «механического эквалайзинга» самой конструкции тонарма. Все указанные технические решения вкупе должны были положительно сказаться на детальности воспроизведения.

Инженеры SAEC добились поставленной задачи: детальность звучания по сравнению с обычной версией WE-308 действительно возросла, но... Но цена, которую придется за это заплатить, устроит не всех. И речь здесь не о деньгах. Тонарм «звенит». Явно и не маскируясь. Ни о каком правильном тональном балансе говорить не приходится, ярко выраженный «окрас» звучания режет слух. На мой взгляд, меньшая детальность, но общая сбалансированность звучания модели SAEC WE-308N будут несомненно предпочтительней. Исходя из сказанного, SAEC WE-308SX – это во многом тонарм для энтузиастов. Без учета цены керамического шелла, на вторичном рынке этот тонарм стоит где-то на 200$ дороже, чем стандартный WE-308N и встречается заметно реже.


SAEC WE-317

Тонарм SAEC WE-317

Тонарм SAEC WE-317 лишен детских болезней 308-ого собрата и отличается от него и по конструкции, и по геометрии. Также в нем присутствуют технические решения, которые использованы в тонармах старших серий (WE-407 и WE-506).

Тонарм SAEC WE-317

Ось «ножевых» опор в WE-317 расположена перпендикулярно трубке тонарма, которая теперь имеет «J-образную» форму. Она прямая, в конце с изгибом, которым достигается нужный угол захода. Для равномерного распределения давления на «ножевые» опоры, а тем самым для компенсации давления, оказываемого весом шелла и картриджа на левую «ножевую» опору в связи с изгибом трубки тонарма, справа расположен поперечный компенсирующий противовес. Его положение устанавливается в зависимости от веса картриджа и шелла. Чем легче картридж и шелл, тем ближе к «ножевым» опорам (на отстроенном тонарме) находится основной противовес. Следовательно, тем ближе к правой «ножевой» опоре должен быть установлен компенсирующий противовес. Настройка компенсирующего противовеса в моделях WE-407 и WE-506 осуществляется аналогичным образом.

Тонарм SAEC WE-317

Поперечный противовес для балансировки движения тонарма в горизонтальной плоскости (как у 308-ой модели) здесь отсутствует. В тонарме SAEC WE-317 повредить пины подключения фонокабеля значительно сложнее, чем в модели WE-308, так как для защиты они «утоплены» вглубь.

Тонарм SAEC WE-317

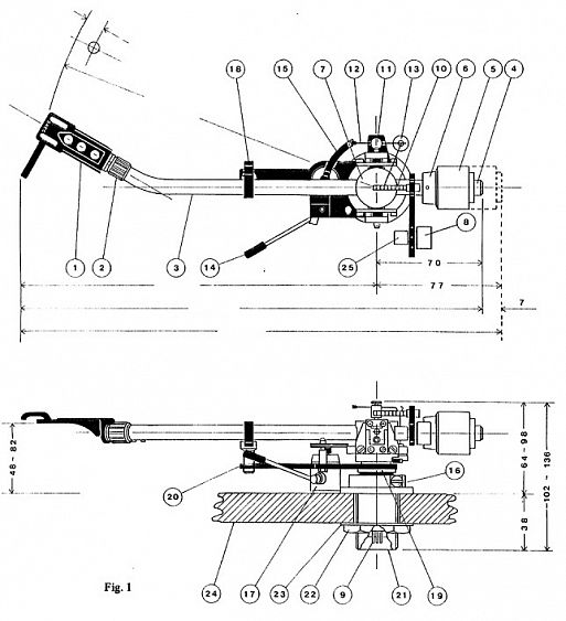
Удачным решением является крепление площадки блока микролифта и арм-реста не к «стакану» тонарма, а к его «ноге». Тем самым, в отличие от 308-ой модели, вместе с изменением высоты тонарма уже не приходится постоянно настраивать и положение блока микролифта. К тому же такое решение позволило добиться более приемлемого минимального значения высоты тонарма - 48 мм - вместо 52 мм у 308-ой модели.

Тонарм SAEC WE-317

Площадка крепления микролифта и арм-реста, окрашенная в черный цвет, изготовлена из довольно мягкого металла, так что нужно быть достаточно осторожным, чтобы ее не погнуть (особенно в месте крепления блока микролифта). К слову, модель SAEC WE-407 указанного недостатка не имеет.

Основные технические характеристики тонарма SAEC WE-317 :

Эффективная длина: 248 мм
Установочная дистанция: 235 мм
Диаметр установочного отверстия: 27 мм
Угол захода: 18 градусов
Диапазон высот по шеллу: 48 – 82 мм

Тонарм комплектовался шеллом ULS-2Х весом 9,5 граммов.

Тонарм SAEC WE-317

Тонарм SAEC WE-317 удобнее в использовании, чем модель WE-308. При этом, он обеспечивает большую детальность звучания в сравнении с последним, сохраняя его положительные особенности: отсутствие собственного «окраса», правильный тональный баланс, сбалансированный комфортный звук. На мой взгляд, модель SAEC WE-317 – лучший выбор в линейке тонармов 300-ой серии. Он придется по вкусу как меломану, так и приверженцу качественного звучания. На вторичном рынке эта модель будет стоить где-то на 100$ дороже, чем стандартный SAEC WE-308N. Однако, в продаже он встречается значительно реже не только обычной версии WE-308N, но и не столь распространенного WE-308SX.


SAEC WE-317S (Short)

«Короткая» версия тонарма SAEC WE-317 имеет такие же размеры как и у знаменитой модели SAEC WE-407/23, а потому они вполне могут быть названы классическими. Угол захода также не отличается и составляет 18 градусов. Эффективная длина этой модели составляет 233 мм, а установочная дистанция - 221 мм. S-версия 317-й модели встречается еще реже, чем стандартная WE-317, поэтому ничего не могу сказать о том, какой эффект здесь дало уменьшение длины, а тем самым, и эффективной массы тонарма.

По своему внешнему виду, характеристикам и примененным техническим решениям 317-ая модель находится где-то между 308-ой и старшими моделями (WE-506 и WE-407). Поэтому мне кажется не совсем оправданным указываемый на некоторых ресурсах год ее реализации – 1982, то есть на 2 года позже 407-ой и на 4 года позже 506-ой модели. Скорее всего, 317-ый тонарм был представлен в одно время с моделью WE-308SX или же чуть позже, но точно раньше, чем появилась WE-407/23. Вполне вероятно, что указываемая дата – 1982 – это год появления короткой S-версии. Опубликованная стоимость WE-317 на момент релиза составляла 52 500 иен.

Высшая лига (тонармы SAEC WE-506/30, WE-407, WE-8000/ST)

SAEC WE-506/30 (1978, 86 000 иен)

Тонарм SAEC WE-506/30

Тяжелый длинный тонарм. Основные технические решения такие же, как и в модели SAEC WE-317: ось «ножевых» опор перпендикулярна трубке тонарма, которая имеет «J-образную» форму, около правой ножевой опоры расположен компенсирующий поперечный противовес.

Основные технические характеристики тонарма SAEC WE-506/30 :

Эффективная длина: 295 мм
Установочная дистанция: 286 мм
Угол захода: 16 градусов
Диапазон высот по шеллу: 48 – 72 мм
Диаметр установочного отверстия: 42 мм

Тонарм комплектовался керамическим шеллом ULS-3X весом 17 граммов как и WE-308 SX.

Производитель пишет об использовании в качестве материала для трубки тонарма специального легкого сплава, разработанного по французской авиационной технологии, что позволило добиться большей жесткости, стабильности и лучших резонансных характеристик. Блоки «ножевых» опор закрыты защитными накладками, как у модели WE-308SX.

SAEC WE-506/30 – тяжелый тонарм. Ни о какой универсальности, присущей моделям 300-ой серии, здесь говорить не приходится. Компенсирующий поперечный противовес имеет больший относительно противовеса модели WE-317 размер и вес, на его шкале специально указано положение для одного из рекомендованных к использованию тяжелых картриджей (красная отметка «0 r.» – это Ortofon, а не «ноль» как некоторые неправильно считают).

Тонарм SAEC WE-506/30

Тонарм SAEC WE-506/30

Тонарм SAEC WE-506/30

Головной болью для владельцев тонарма SAEC WE-506/30 является отсутствие в штатном комплекте блока микролифта. Цена оригинального блока EV-506 на момент релиза составляла 20 000 иен, что совсем недешево, а в нынешнее время он является настоящей редкостью и стоит на вторичном рынке не менее 500$. К слову сказать, стоимость тонарма вместе с блоком микролифта равнялась цене появившейся позже топовой модели SAEC WE-8000/ST, что несколько странно. Большинство владельцев хоть как-то решают данный вопрос установкой на проигрыватель микролифтов от тонармов других фирм или тренировкой глазомера и твердости руки.

Тонарм SAEC WE-506/30

Тонарм SAEC WE-506/30

Тонарм SAEC WE-506/30

Тонарм SAEC WE-506/30

Как видно из последней приведенной фотографии, входящий в комплект поставки арм-рест не прикреплен ни к «стакану» тонарма (как в 308-х моделях), ни к его «ноге» (как у WE-317 и WE-407), а просто вкручивается непосредственно в корпус проигрывателя. Указанная особенность делает невозможным жестко зафиксировать трубку тонарма при его перевозке. Поэтому при отсутствии транспортировочных фиксирующих скоб (см. фото ниже) или оригинальной коробки вероятность повредить «ножевые» опоры у тонарма SAEC WE-506/30 значительно выше, чем у остальных моделей фирмы. При покупке следует учитывать данный немаловажный факт.

Тонарм SAEC WE-506/30

Тонарм SAEC WE-506/30

Приобретая тонарм SAEC WE-506/30 на вторичном рынке Японии, за него придется отдать не менее 2300$. Причем, в эту сумму не будет входит ни стоимость оригинального керамического шелла, ни блока микролифта.

Звучание тонарма очень узнаваемо, сразу слышно, что играет SAEC. Модель WE-506/30 вобрала в себя основные черты, присущие предыдущим версиям, заметно их усилив. Тонарм обеспечивает очень детальный, чистый звук с сильно акцентированным аналитическим холодным «окрасом». Указанная особенность не каждому придется по душе. К слову, появившийся двумя годами позднее тонарм SAEC WE-407 звучит без упомянутого аналитического «окраса» при еще более высоком уровне детальности. Привыкшим к «мутному», расхлябанному и «грязному» звучанию, которое почему-то иногда позиционируется как естественное и живое, тонарм SAEC WE-506/30 вряд ли придется по душе.

Продолжение следует...


08 июля 2018 года


Редакция Hi-Fi.ru