Мотивы побудившие меня, писать всё то, что написано в данной теме, указаны в заголовке к ней, не зря.
Так-как я вижу настоятельную потребность, в развенчивании мифов и утверждении реальности.
Ни для кого не секрет, что большая часть представителей Homo Sapiens, просто жить не может без прямо таки оголтелого, по разным (но в основном, всё-же корыстным) мотивам мифотворчества.
Взять хотя-бы пантеон всяких там немыслимых богов, накопленный за всю историю человечества. И состоящий из сотен, если не тысяч представителей. Не говоря уже о тех бредовых качествах, которыми эти персонажи наделены. Согласитесь, не очень то и похоже, на продукт умственной деятельности разумных существ.
Я конечно понимаю, что в основном всё это придумывалось, в эпоху так называемого "до логического мышления". Но глядя на то, с каким энтузиазмом современные представители упомянутого биологического вида, перенесли всю мощь своих мифотворческих "талантов" на современных производителей и их продукцию, не скажешь, что человечество давно уже (оказывается) живёт в эпоху научно-логического мышления. В следствии чего, в любой области деятельности человечества (в том числе и в самой его истории), до правды докопаться, становится просто невозможно.
- В самом деле, было бы верхом наивности, прилетев на планету с сотней государств, получить всего сотню вариантов её истории. © Ст. Лем.
Исходя из всего вышеизложенного, постараюсь (насколько смогу) исправить состояние дел, хотя-бы в одном отдельно взятом случае, каковым на мой взгляд и является фирма Tannoy с её продукцией. Другое дело, как это у меня получится. Впрочем, не мне об этом судить.
Хотя общее представление о звучании акустических систем Tannoy на коаксиальных динамиках, у меня имелось с первой половины восьмидесятых годов, реальное знакомство началось в году этак 1994, когда я купил себе модель Profile 636. Поверьте, тогда это было лучшее (уж сколько я тогда переслушал всего) в пределах $800.
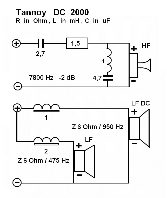
Казалось бы, выбрал лучшее - сиди и наслаждайся музыкой. Но нет, не получилось. Дело в том, что со временем их звук стал меня утомлять."Знающие люди", хором стали уверять меня, что во всём виноват усилитель NAD-320 и спасение моё только в лампе и даже указали где живёт один из киевских Алладинов. Коим оказался некий Николай Якименко, периодически публикуемый в журнале "Радио". У которого после сравнительного (с NAD-320) прослушивания на моих АС, я и купил два однотактных моноблока на 6с33св. Некоторое время, после откровенно мутного NAD-320, звук ламповиков меня вроде-бы устраивал. Но постепенно я стал замечать его утомительную крикливость."Знающие люди" стали уверять, что лампа ни при чем, а виноваты (теперь уже) АС. После некоторых размышлений, я купил Tannoy Profile 632+(полочники) и водрузил их на 636 (цвет дизайн и габариты (кроме высоты конечно)у них одинаковые). Коаксиальный динамик поставил в 632-е (т.е. наверх), дополнительный басовик 636-х на место коаксиала, предварительно удалив пылезащитный колпак с дробью залитой термоклеем и поставил на его место фазовыравниватель в форме пули. И наконец басовик - недоносок 632-х, в самый низ 636-х (на место дополнительного басовика). После всего этого, изучил все доступные схемы кроссоверов Tannoy для DC динамиков и сделал свой (предварительный) вариант, который и стал настраивать, сравнивая с оригиналом (второй - нетронутой 636-ой). В итоге, добился совсем иного масштаба и естественности звучания. Что нравилось не только мне но и другим слушателям, в том числе и профессиональным музыкантам. Кстати, басовик-недоносок 632-х используется двояко, обычно как ПИ, ввиду его сомнительных музыкальных качеств, но иногда и как псевдо-саб с низкой частотой среза, когда хочется ещё немного "поддать драйва".
Но всё-же, я был не совсем доволен - хотелось большего. Вот тут то я и заметил, что определенные изменения вносимые в кроссовер, которые теоретически должны быть явно заметны на слух, на практике не являются таковыми, что то мешает их услышать. Тогда я решил попробовать транзисторный Pioneer A80 моего приятеля (конец 70-х начало 80-х 19 кг) .Звук у него был не совсем мой, а по сравнению с моими однотактниками и вовсе сипловато-плоским.
Но удивительное дело, при всем этом, малейшее изменение в кроссовере было слышно отлично. В итоге я смог настроить АС так, что о сравнении оригинала с ними не могло быть и речи. Данный факт вызвал у некоторых (особенно у соседа-музыканта) недоуменные вопросы, на подобии: - Как же такая уважаемая фирма, производит такое ...
Таким образом, покупая в дальнейшем Dimension TD-12, я отлично понимал, что покупаю хорошие корпусы и динамики, сделанные людьми любящими деньги гораздо больше чем музыку. Так что последнюю из них добывать - это уже моя проблема. Ибо в оригинальном состоянии, звук у них просто УЖАСЕН. Худший звук у недешевых АС, лично я слышал только один раз, когда пару лет назад имел несчастье, послушать в Харькове у моего приятеля B&W-802D,в паре c CDP и усилителем марки Accuphase, подключенных кабелями в женскую руку толщиной и прочими примочками, за счёт которых инсталляторы лишний раз имеют очередного состоятельного клиента. Которые стояли у него в большом зале, с полом из белого мрамора, высоченными потолками. АС и диван, расположенные далеко от стен, стояли приблизительно равнобедренным треугольником, с длиной сторон ~ 3 метра. Между АС и диваном на полу был ковёр.
Так вот, после такой профессиональной инсталляции, этот мой приятель, всегда бывший большим меломаном, причём даже тогда, когда у него были АС Электроника 75ас-065 (на мой слух прямо скажем - "не фонтан") напрочь перестал слушать музыку. Причём "мотивировал" он это тем ... что нет её нынче хорошей.
P.S. Моноблоки на 6с33св пошли вслед за NAD-320 и больше с лампой я дел иметь не хочу!
На сегодняшний день имею три транзисторных усилителя: Luxman SQ-202(1970),Qualiton(1971), ресивер Tandberg TR-2075(1975г) и Hitachi HA-5300(1978). Предпочтение отдаю последнему.
HITACHI HA-5300
Rated output power / channel acc. IEC 4/8 ohm (W / DBP) 60/138/60/138
Signal to Noise ratio, weighted, enl.IEC (dB) .4 / 8 ohms at rated output power or 0.1-1 V/10k out = 75/75 dB and at 50 mW out = 90/92dB
Intermodulation distorsion acc. SMPTE%. At 1 W or 1 V/10 ohms 4/8 ohms = 0.07 / 0.04
Bandwidth at the rated output power:
at 4 ohms ......... 10-40000 Hz
at 8 ohms ......... 10-50000 Hz
Input voltage ..... PU-ing. 280mV
Tone controls ..... ±8dB(50Hz); ±8dB(10kHz)
Inputs ............ MPU 1, 2 2mV; 50k, ph-Tuner 100mV; 50k, ph-Band 1.2 100mV; 50k, ph - Res 100mV; 50k, ph
Outputs ........... Band 1.2 100mV; 1k, ph Heard my 8 ohm jack-High 2p 4-16 ohms
Dimensions WxHxD .. 435 x 167 x 391 mm
Weight ............ 12.5 kg
Hitachi HA 5300...............................
Streophile Tannoy Dimension TD12 Measurements
P.S. Как видите ниже, усилители NAD-302 (капиталистическо-европейский) и Qualiton EAT-250 (социалистическо- венгерский) примерно одного веса, габаритов и класса. Разница лишь в том, что первый на 17 лет моложе.
И если "молодой" звучит ровно так как выглядит, то есть - никак, то звучание второго на порядок лучше его внешнего вида.
Уж не знаю в чём причина, - в общественном строе и его культуре, или в том, что за эти 17 лет аудио так деградировало.
А может в том, как помнят меломаны постарше, Qualiton EAT-250 был одомашненным детищем известной в странах социалистического лагеря производителя концертной аппаратуры (в том числе и ламповой) венгерской фирмы Beag, откуда и культура в подаче музыки.
А может всего понемногу.
Так-как я вижу настоятельную потребность, в развенчивании мифов и утверждении реальности.
Ни для кого не секрет, что большая часть представителей Homo Sapiens, просто жить не может без прямо таки оголтелого, по разным (но в основном, всё-же корыстным) мотивам мифотворчества.
Взять хотя-бы пантеон всяких там немыслимых богов, накопленный за всю историю человечества. И состоящий из сотен, если не тысяч представителей. Не говоря уже о тех бредовых качествах, которыми эти персонажи наделены. Согласитесь, не очень то и похоже, на продукт умственной деятельности разумных существ.
Я конечно понимаю, что в основном всё это придумывалось, в эпоху так называемого "до логического мышления". Но глядя на то, с каким энтузиазмом современные представители упомянутого биологического вида, перенесли всю мощь своих мифотворческих "талантов" на современных производителей и их продукцию, не скажешь, что человечество давно уже (оказывается) живёт в эпоху научно-логического мышления. В следствии чего, в любой области деятельности человечества (в том числе и в самой его истории), до правды докопаться, становится просто невозможно.
- В самом деле, было бы верхом наивности, прилетев на планету с сотней государств, получить всего сотню вариантов её истории. © Ст. Лем.
Исходя из всего вышеизложенного, постараюсь (насколько смогу) исправить состояние дел, хотя-бы в одном отдельно взятом случае, каковым на мой взгляд и является фирма Tannoy с её продукцией. Другое дело, как это у меня получится. Впрочем, не мне об этом судить.
Хотя общее представление о звучании акустических систем Tannoy на коаксиальных динамиках, у меня имелось с первой половины восьмидесятых годов, реальное знакомство началось в году этак 1994, когда я купил себе модель Profile 636. Поверьте, тогда это было лучшее (уж сколько я тогда переслушал всего) в пределах $800.
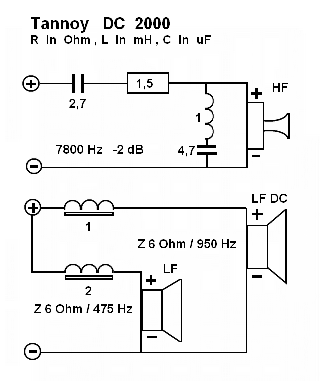
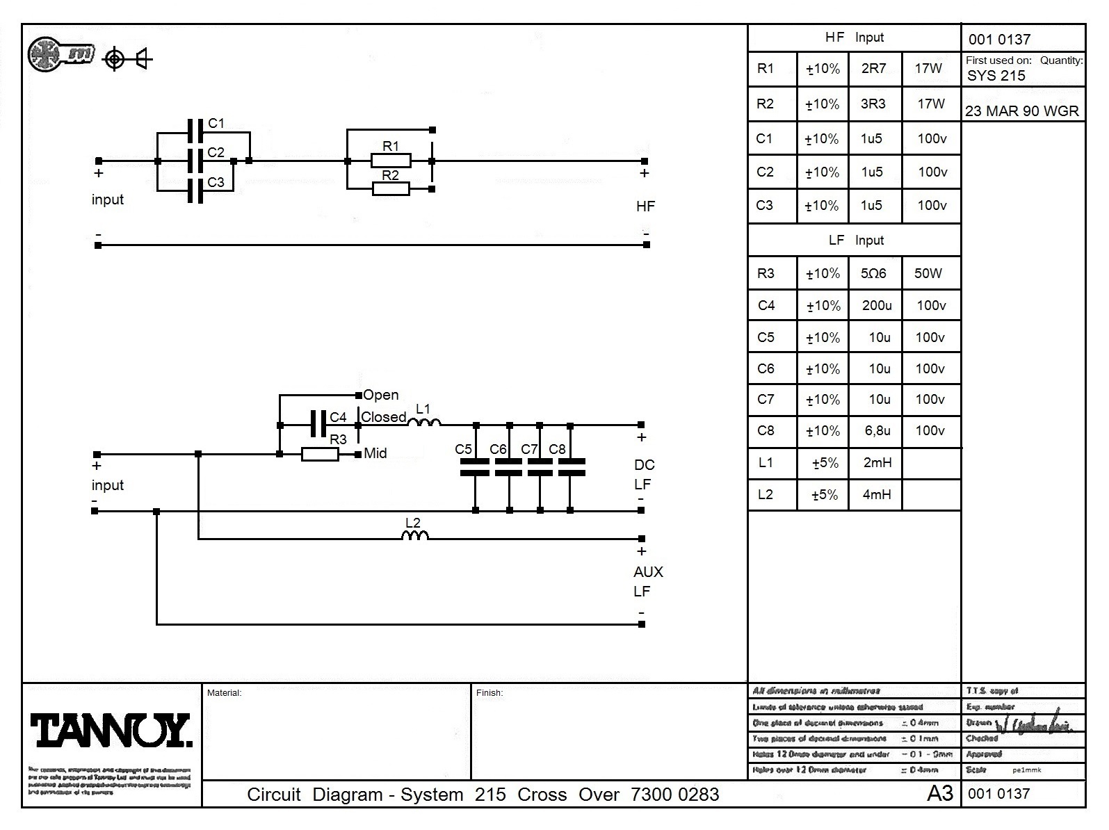
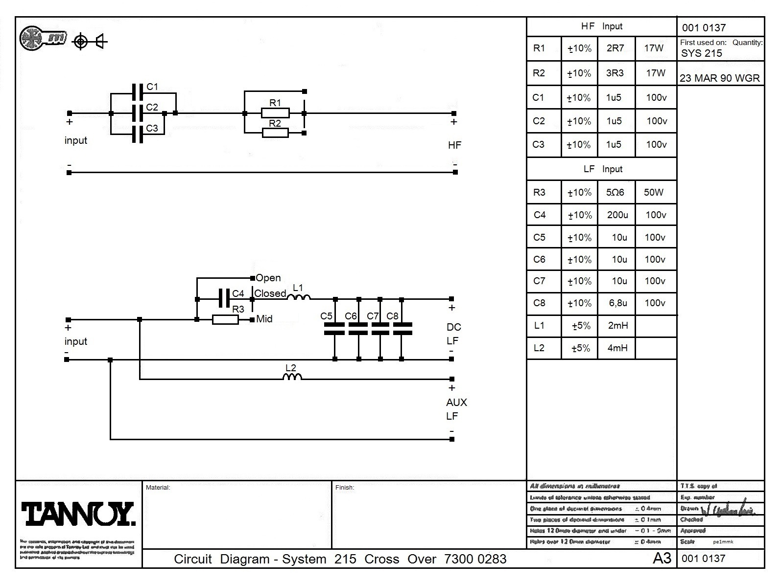
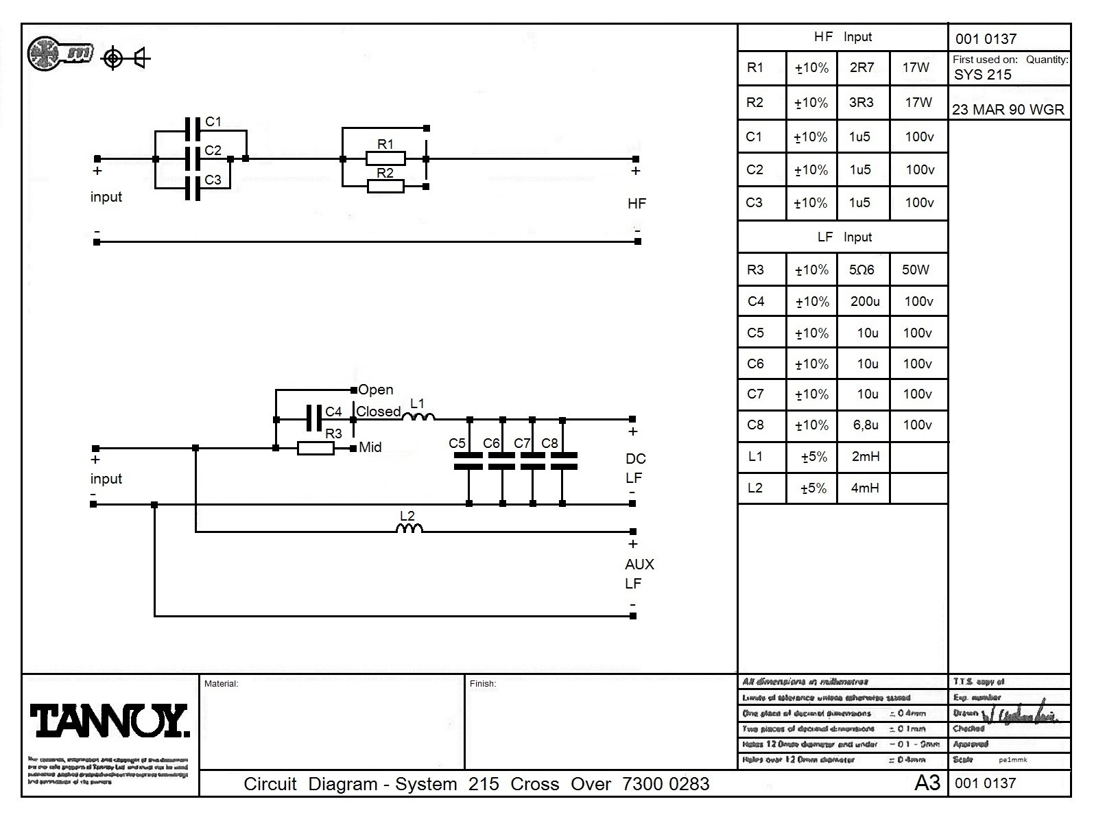
Казалось бы, выбрал лучшее - сиди и наслаждайся музыкой. Но нет, не получилось. Дело в том, что со временем их звук стал меня утомлять."Знающие люди", хором стали уверять меня, что во всём виноват усилитель NAD-320 и спасение моё только в лампе и даже указали где живёт один из киевских Алладинов. Коим оказался некий Николай Якименко, периодически публикуемый в журнале "Радио". У которого после сравнительного (с NAD-320) прослушивания на моих АС, я и купил два однотактных моноблока на 6с33св. Некоторое время, после откровенно мутного NAD-320, звук ламповиков меня вроде-бы устраивал. Но постепенно я стал замечать его утомительную крикливость."Знающие люди" стали уверять, что лампа ни при чем, а виноваты (теперь уже) АС. После некоторых размышлений, я купил Tannoy Profile 632+(полочники) и водрузил их на 636 (цвет дизайн и габариты (кроме высоты конечно)у них одинаковые). Коаксиальный динамик поставил в 632-е (т.е. наверх), дополнительный басовик 636-х на место коаксиала, предварительно удалив пылезащитный колпак с дробью залитой термоклеем и поставил на его место фазовыравниватель в форме пули. И наконец басовик - недоносок 632-х, в самый низ 636-х (на место дополнительного басовика). После всего этого, изучил все доступные схемы кроссоверов Tannoy для DC динамиков и сделал свой (предварительный) вариант, который и стал настраивать, сравнивая с оригиналом (второй - нетронутой 636-ой). В итоге, добился совсем иного масштаба и естественности звучания. Что нравилось не только мне но и другим слушателям, в том числе и профессиональным музыкантам. Кстати, басовик-недоносок 632-х используется двояко, обычно как ПИ, ввиду его сомнительных музыкальных качеств, но иногда и как псевдо-саб с низкой частотой среза, когда хочется ещё немного "поддать драйва".
Но всё-же, я был не совсем доволен - хотелось большего. Вот тут то я и заметил, что определенные изменения вносимые в кроссовер, которые теоретически должны быть явно заметны на слух, на практике не являются таковыми, что то мешает их услышать. Тогда я решил попробовать транзисторный Pioneer A80 моего приятеля (конец 70-х начало 80-х 19 кг) .Звук у него был не совсем мой, а по сравнению с моими однотактниками и вовсе сипловато-плоским.
Но удивительное дело, при всем этом, малейшее изменение в кроссовере было слышно отлично. В итоге я смог настроить АС так, что о сравнении оригинала с ними не могло быть и речи. Данный факт вызвал у некоторых (особенно у соседа-музыканта) недоуменные вопросы, на подобии: - Как же такая уважаемая фирма, производит такое ...
Таким образом, покупая в дальнейшем Dimension TD-12, я отлично понимал, что покупаю хорошие корпусы и динамики, сделанные людьми любящими деньги гораздо больше чем музыку. Так что последнюю из них добывать - это уже моя проблема. Ибо в оригинальном состоянии, звук у них просто УЖАСЕН. Худший звук у недешевых АС, лично я слышал только один раз, когда пару лет назад имел несчастье, послушать в Харькове у моего приятеля B&W-802D,в паре c CDP и усилителем марки Accuphase, подключенных кабелями в женскую руку толщиной и прочими примочками, за счёт которых инсталляторы лишний раз имеют очередного состоятельного клиента. Которые стояли у него в большом зале, с полом из белого мрамора, высоченными потолками. АС и диван, расположенные далеко от стен, стояли приблизительно равнобедренным треугольником, с длиной сторон ~ 3 метра. Между АС и диваном на полу был ковёр.
Так вот, после такой профессиональной инсталляции, этот мой приятель, всегда бывший большим меломаном, причём даже тогда, когда у него были АС Электроника 75ас-065 (на мой слух прямо скажем - "не фонтан") напрочь перестал слушать музыку. Причём "мотивировал" он это тем ... что нет её нынче хорошей.
P.S. Моноблоки на 6с33св пошли вслед за NAD-320 и больше с лампой я дел иметь не хочу!
На сегодняшний день имею три транзисторных усилителя: Luxman SQ-202(1970),Qualiton(1971), ресивер Tandberg TR-2075(1975г) и Hitachi HA-5300(1978). Предпочтение отдаю последнему.
HITACHI HA-5300
Rated output power / channel acc. IEC 4/8 ohm (W / DBP) 60/138/60/138
Signal to Noise ratio, weighted, enl.IEC (dB) .4 / 8 ohms at rated output power or 0.1-1 V/10k out = 75/75 dB and at 50 mW out = 90/92dB
Intermodulation distorsion acc. SMPTE%. At 1 W or 1 V/10 ohms 4/8 ohms = 0.07 / 0.04
Bandwidth at the rated output power:
at 4 ohms ......... 10-40000 Hz
at 8 ohms ......... 10-50000 Hz
Input voltage ..... PU-ing. 280mV
Tone controls ..... ±8dB(50Hz); ±8dB(10kHz)
Inputs ............ MPU 1, 2 2mV; 50k, ph-Tuner 100mV; 50k, ph-Band 1.2 100mV; 50k, ph - Res 100mV; 50k, ph
Outputs ........... Band 1.2 100mV; 1k, ph Heard my 8 ohm jack-High 2p 4-16 ohms
Dimensions WxHxD .. 435 x 167 x 391 mm
Weight ............ 12.5 kg
Hitachi HA 5300...............................
Streophile Tannoy Dimension TD12 Measurements
P.S. Как видите ниже, усилители NAD-302 (капиталистическо-европейский) и Qualiton EAT-250 (социалистическо- венгерский) примерно одного веса, габаритов и класса. Разница лишь в том, что первый на 17 лет моложе.
И если "молодой" звучит ровно так как выглядит, то есть - никак, то звучание второго на порядок лучше его внешнего вида.
Уж не знаю в чём причина, - в общественном строе и его культуре, или в том, что за эти 17 лет аудио так деградировало.
А может в том, как помнят меломаны постарше, Qualiton EAT-250 был одомашненным детищем известной в странах социалистического лагеря производителя концертной аппаратуры (в том числе и ламповой) венгерской фирмы Beag, откуда и культура в подаче музыки.
А может всего понемногу.
Изменено: - 16-03-2020 12:38:48
dzhanikyan@gmail.com
- Пока не воспользовался интернетом, не знал, что на свете столько идиотов. © Ст. Лем
Аргументы (словеса) - ничто, факты, в виде реального звучания - всё.
- Пока не воспользовался интернетом, не знал, что на свете столько идиотов. © Ст. Лем
Аргументы (словеса) - ничто, факты, в виде реального звучания - всё.


