Присутствующие гуру, посоветуйте пожалуйста,реальный в изготовлении кабинет для динамиков Gold Monitor 12 с родными кроссоверами.
Архив Форума Hi-Fi.ru
По 23-5-2020
Портал Hi-Fi.ru более не предоставляет возможностей и сервисов по общению пользователей
По 23-5-2020
Портал Hi-Fi.ru более не предоставляет возможностей и сервисов по общению пользователей
Tannoy от Рэкхема и Фонтейна до наших дней, Легендарный бренд, мифы и реальность
|
05-04-2017 08:11:09
|
|
|
|
|
|
06-04-2017 09:14:14
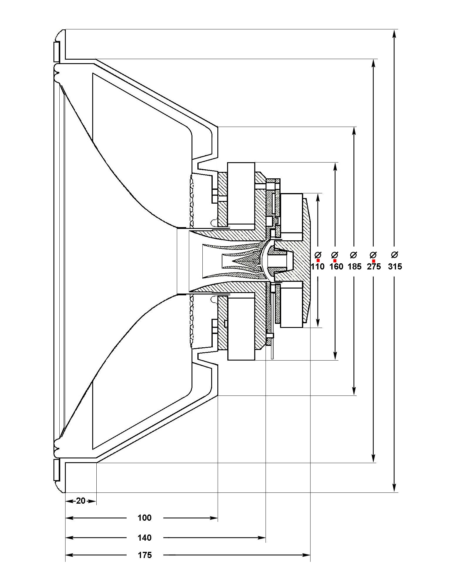
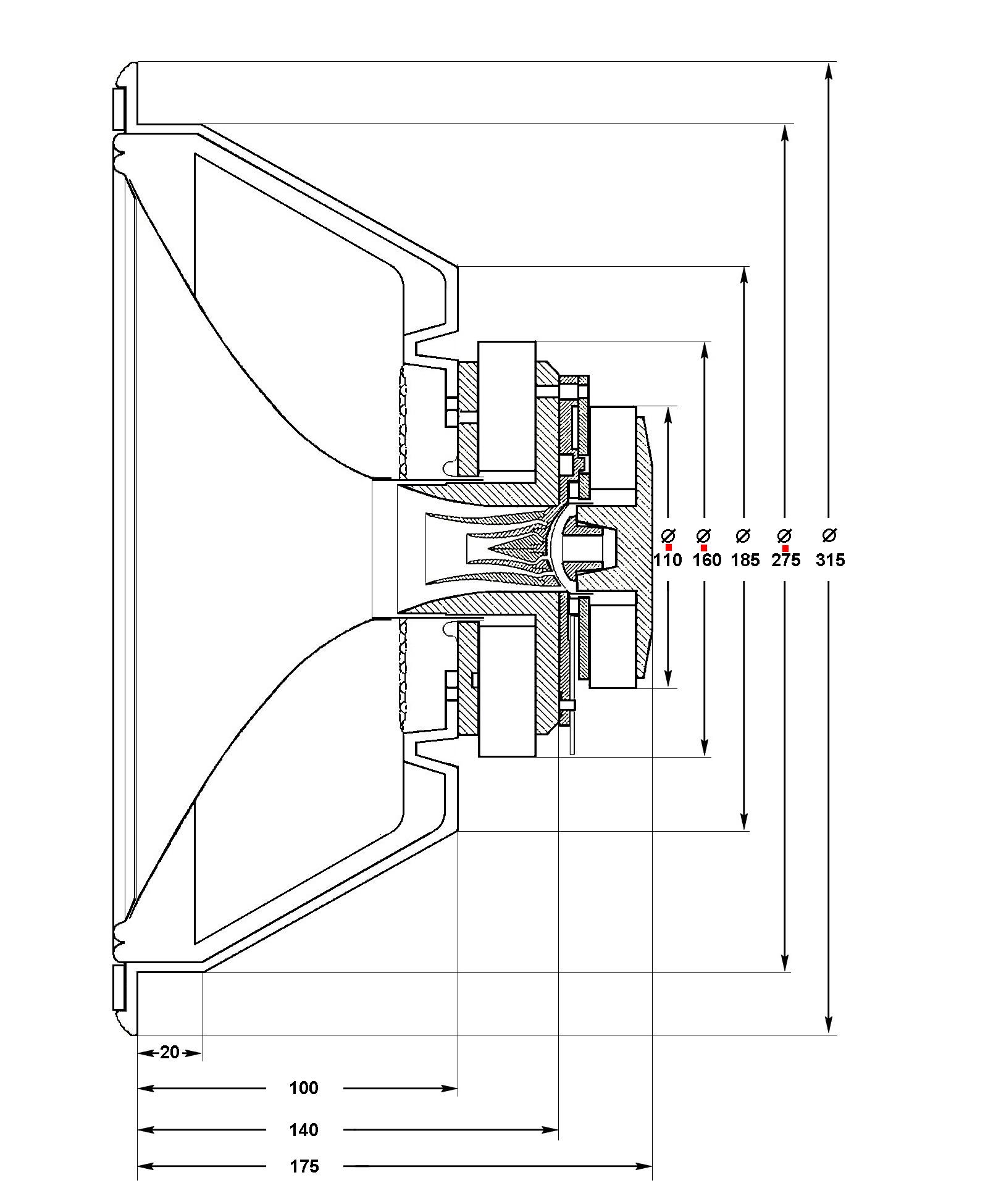
Эти рупоры, под 12" динамики "Тюльпан". Измерьте аналогичные диаметры на своих динамиках и скорректируйте под них посадочные отверстия 1, 2 и 3. Последнее, возможно придётся сделать сквозным. P.S. Кстати, конструкция сделана так, чтоб перегородка №2 была съёмной. Убрав её, увеличиваем объём предрупорной камеры и уменьшаем длину рупора. Тем самым, давая возможность, в определённой степени, подстраиваться под параметры разных динамиков.
Изменено: - 06-11-2018 12:22:50
dzhanikyan@gmail.com
- Пока не воспользовался интернетом, не знал, что на свете столько идиотов. © Ст. Лем Аргументы (словеса) - ничто, факты, в виде реального звучания - всё. |
|||
|
|
|
|
09-04-2017 19:34:05
А лучше, сразу сделать всё это на ЧПУ станке. Ширину АС (как показано в иллюстрации №3 по ссылке) делайте какая Вам понравится.
Изменено: - 06-11-2018 12:22:50
dzhanikyan@gmail.com
- Пока не воспользовался интернетом, не знал, что на свете столько идиотов. © Ст. Лем Аргументы (словеса) - ничто, факты, в виде реального звучания - всё. |
|||
|
|
|
|
09-04-2017 23:16:58
На сей раз, приведу №3, тут. В идеале, делать надо - правый (широкий) вариант, с квадратным устьем рупора. Если же, в помещении не хватает места, то двигаемся влево. P.S. Почему то, по поводу идиотских конструкций от Tannoy у Вас "???" не возникает . . .
Изменено: - 06-11-2018 12:22:51
dzhanikyan@gmail.com
- Пока не воспользовался интернетом, не знал, что на свете столько идиотов. © Ст. Лем Аргументы (словеса) - ничто, факты, в виде реального звучания - всё. |
|||||
|
|
|
|
10-04-2017 13:21:48
1.Как я могу дать более точные рекомендации, по конкретным динамикам, параметры которых не измерял? Пусть измерит и тогда уже будет понятно, какая конкретно ширина и нужно ли оставлять, либо убирать перегородку №2.
Можно подумать, что на Tannoy всё это делалось в соответствии с параметрами динамиков. Три раза, я подробнейшим образом, с очень доступными и многочисленными иллюстрациями, на примере Westminster, в которые (при неизменной конструкции, как предрупорной камеры, так и их псевдо рупора) они пихали как минимум три абсолютно разных динамика, показал что ничем подобным они даже не заморачиваются и конструкции у них действительно идиотские. Но нет же, некоторым даже этого кажется мало и они хотят, чтоб я им все это пересказывал персонально.
Изменено: - 06-11-2018 12:22:51
dzhanikyan@gmail.com
- Пока не воспользовался интернетом, не знал, что на свете столько идиотов. © Ст. Лем Аргументы (словеса) - ничто, факты, в виде реального звучания - всё. |
|||||||
|
|
|
|
10-04-2017 19:50:56
Можно подумать, что там, кто то параметры учитывал: Если уж на Westminster они этого не делали: Из раза в раз, как только пишешь о реальном положении дел (аргументированно, доступно и подробно иллюстрированно, так, чтоб даже дошкольник понял), в ответ, от всё тех же, заинтересованных лиц (упёртость коих, поражает) получаешь поток , всё той же замшелой маркетинговой мифологии. Вот, кому, нужна подобная конструкция, не имеющая ничего общего с экспонентой. А являющаяся всего лишь слегка расширяющейся ( причём, с резкими изменениями сечения, что вообще противопоказано рупору) покорёженной трубой, представляющий из себя, не пойми какую нагрузку для динамика. И это у модели RHR (Limited Edition - всего 111 пар . . . бла-бла-бла) с "зеркалами" (показаны зелёным). А у всех остальных - как Windsor, даже этого нет. Действительно, ни Limited, ни Edition - фиг ли их туда ставить?! Так и разориться недолго! Но, по большому счёту, дело даже не в этом, а в слишком малых размерах устий у всех без исключения "рупорных" АС от Tannoy. А ведь, именно от размеров устья, зависит частота среза рупора: Кому не лень, посчитайте и задумайтесь над тем - кому нужны эти рупоры бубнящие на мидбасе - нижней середине?! Формула: rm = с /(2 x pi х FC) Где: rm - радиус устья с - скорость звука (34290 см/сек.) FC - частота среза рупора Таким образом, для того, чтоб получить Fc=30Hz, rm = 182cm Не зря существует (английская) поговорка: - If you want athing well done, do it yourself. - Хочешь, чтоб было сделано хорошо - сделай сам. А известная песня Семёна, далеко не только об отечественных изделиях: Сколько можно жить по по "принципу" - Credo quia absurdum.
Изменено: - 06-11-2018 12:22:51
dzhanikyan@gmail.com
- Пока не воспользовался интернетом, не знал, что на свете столько идиотов. © Ст. Лем Аргументы (словеса) - ничто, факты, в виде реального звучания - всё. |
|||
|
|
|
|
24-04-2017 12:37:09
по усилению для 12 дюймовых Gold есть какие то традиционные приоритеты?
Изменено: - 06-11-2018 12:22:51
|
|
|
|
|
|
24-04-2017 14:08:32
Так как, не собираюсь поддерживать, уже набившие оскомину легенды (по классическому перекладыванию с больной головы на здоровую), о том, что если таннои играют не так, то "виновато усиление", то нет.
Просто купите в оригинальном и исправном состоянии, нормальный по подаче музыки усилитель, как к примеру Sony TA-3650, или Hitachi HA-5300 и слушайте себе. А если же, что то не устроит ( при таких то T/S параметрах самих динамиков), то претензии исключительно к настройке кроссоверов . Как "настроены" (одна и та же схема и для 12" и для 15" динамиков ), так и играют.
Изменено: - 06-11-2018 12:22:51
dzhanikyan@gmail.com
- Пока не воспользовался интернетом, не знал, что на свете столько идиотов. © Ст. Лем Аргументы (словеса) - ничто, факты, в виде реального звучания - всё. |
|
|
|
|
|
26-04-2017 09:08:14
Вот именно.
Которые (Arden), даже в сравнении с новыми динамиками типа "Перечница" установленными в их дорогую юбилейную модель Prestige GRF, по мнению приглашённого эксперта Hifi Pig, звучали предпочтительнее последних, невзирая на такую разницу в цене моделей АС: A Private Viewing of Their New "Legacy" speakers 23. February 2017 Hifi Pig was invited to a private and exclusive first demonstration of the new range of loudspeakers from Tannoy. The Ardens have a 15” driver with the tweeter firing out through the middle of it. The price is to be confirmed but from the mutterings we pulled from the Tannoy guys, I reckon we’re looking at a sub £10K speaker, which in the grand scale of things seems pretty reasonable. To my ears these are a nicer sounding speaker than the Prestige GRFs £17K(sorry Tannoy)
Изменено: - 06-11-2018 12:22:51
dzhanikyan@gmail.com
- Пока не воспользовался интернетом, не знал, что на свете столько идиотов. © Ст. Лем Аргументы (словеса) - ничто, факты, в виде реального звучания - всё. |
|||||||
|
|
|
||||||
Архив Форума Hi-Fi.ru
По 23-5-2020
Портал Hi-Fi.ru более не предоставляет возможностей и сервисов по общению пользователей
По 23-5-2020
Портал Hi-Fi.ru более не предоставляет возможностей и сервисов по общению пользователей

), так и играют.